Связаться с нами
| Параметр | Мин. | Тип. | Макс. | Единица | Состояние |
| Условия эксплуатации | |||||
| Диапазон рабочего напряжения | 2.0 | 3.0 | 3.6 | В | |
| Диапазон рабочих температур | -20 | 25 | 70 | ℃ | |
| Текущее потребление | |||||
| Ток передачи | 20 | 25 | мА | @433MHz | |
| ток сна | 1 | uA | |||
| Параметры РЧ | |||||
| Диапазон частот | 433.82 | 433.92 | 434.02 | МГц | @433MHz |
| 314.9 | 315 | 315.1 | МГц | @315MHz | |
| Выходная мощность | 15 | дБм | при 3,3 В | ||
| Скорость модуляции | 0.1 | 10 | Кбит/с | ||
| Модуляция | ПРОСИТЬ |
| Частота | 315 МГц, 433 МГц |


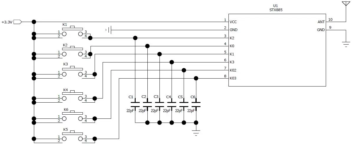
| Номер контакта | Определения контактов | Описание |
| 1 | ВКЦ | Питание положительное, диапазон 2,0 В-3,6 В |
| 2, 9 | Земля | заземление |
| 3 | К2 | Входной сигнал с ключа, встроенный подтягивающий резистор, высокоуровневый TX |
| 4 | К0 | Входной сигнал с ключа, встроенный подтягивающий резистор, высокоуровневый TX |
| 5 | К1 | Входной сигнал с ключа, встроенный подтягивающий резистор, высокоуровневый TX |
| 6 | К3 | Входной сигнал с ключа, встроенный подтягивающий резистор, высокоуровневый TX |
| 7 | К02 | Входной сигнал с ключа, встроенный подтягивающий резистор, высокоуровневый TX |
| 8 | К03 | Входной сигнал с ключа, встроенный подтягивающий резистор, высокоуровневый TX |
| 10 | МУРАВЕЙ | Подключите антенну 50 Ом |


политика конфиденциальности
· Политика конфиденциальности
В настоящее время нет доступного контента
Электронная почта: sales@nicerf.com
Тел:+86-755-23080616