Связаться с нами
| Параметры | Мин. | Тип. | Макс. | Единица | Состояние |
| Рабочее состояние | |||||
| Диапазон напряжения | 2.3 | 3.3 | 3.6 | В | |
| Рабочая температура | -40 | 25 | 85 | ℃ | |
| Текущее потребление | |||||
| Ток Rx | 12 | мА | при 3,3 В | ||
| Ток передачи | 12.9 | мА | при 3,3 В | ||
| ток сна | 20 | uA | |||
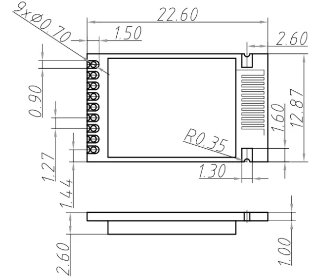
| Параметры РЧ | |||||
| Диапазон частот | 2.4 | 2.484 | ГГц | ||
| Мощность передачи | -18 | + 4 | дБм | при 2,4 В | |
| Скорость RF | 1М | бит/с | |||
| Специальная функция | Маяк |



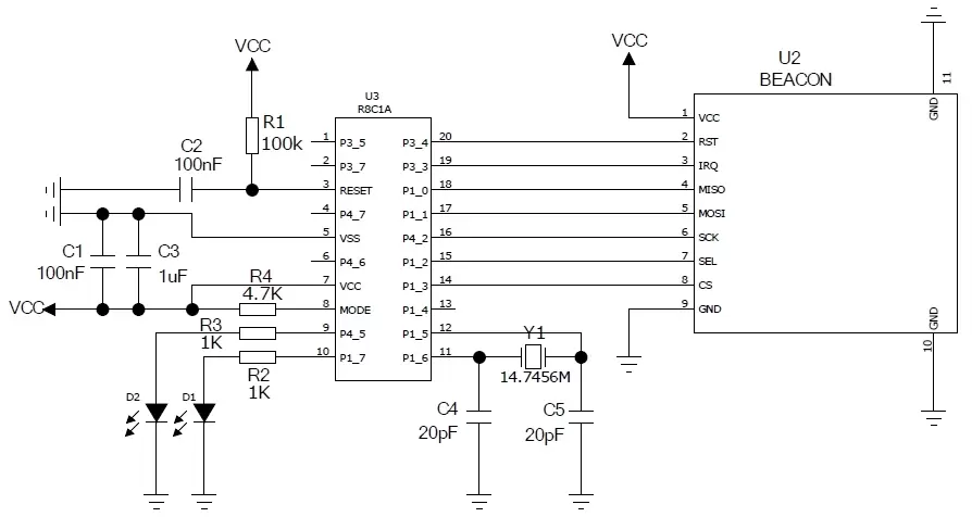
| НОМЕР ПИН-КОДА | Имя пин-кода | Описание |
| 1 | ВКЦ | Подключен к положительному источнику питания (обычно 5 В) |
| 2 | Земля | Подключено к земле |
| 3 | TXD | TXD модуля и подключение к внешнему RXD |
| 4 | RXD | RXD модуля и подключение к внешнему TXD |
| 5 | НАБОР | Включение режима конфигурации (низкий уровень для входа в режим настройки, оставить открытым или подключить высокий уровень для выхода из режима настройки). Действительно, когда вывод CS имеет высокий уровень или остается открытым. |
| 6 | CS | Модуль работает в режиме «Включено» (низкий уровень для сна, ток будет менее 40 мкА, высокий уровень по умолчанию). |
| 7 | NC | |
| 8 | Земля | Подключено к земле |
| 9 | Земля | Подключено к земле |


политика конфиденциальности
· Политика конфиденциальности
В настоящее время нет доступного контента
Электронная почта: sales@nicerf.com
Тел:+86-755-23080616