Nov . 2024
Модуль LoRa1121F33-1G9 построен на чипе SEMTECH LR1121, сверхмаломощном приемопередатчике LoRa дальнего действия, поддерживающем связь в суб-ГГЦ и спутниковую связь S-диапазона. LoRa1121F33-1G9 поддерживает модуляцию LoRa, (G)FSK, протокол Sigfox и LR-FHSS. Он совместим с протоколом связи LoRaWAN и может работать как узел LoRaWAN. Кроме того, он предлагает гибкие возможности конфигурации для удовлетворения требований различных приложений и собственных протоколов.
Особенности модуля LoRa LoRa1121F33-1G9
Полосы субГГц: 433/470 МГц, 2 Вт
Диапазоны субГГц: 868/915 МГц, 1 Вт (настраиваемый: 150–960 МГц)
Диапазон S: 1900–2000 МГц, 0,8 Вт.
Чувствительность S-диапазона: до -132 дБм при полосе пропускания = 125 кГц, SF = 12.
Чувствительность приема в диапазоне субГГц: до -144 дБм при полосе пропускания = 62,5 кГц, SF = 12
Электростатическая защита (ESD)
Поддерживает LR-FHSS
Поддерживает протоколы LoRaWAN и Sigfox.
Поддерживает шифрование и дешифрование AES-128.
Передача в субгигагерцовом диапазоне превышает 10 км на открытой местности
Ток сна < 15 мкА
Полученный ток < 9 мА
Небольшой размер, дизайн с отверстием для штампа
Дроны
Дистанционное орошение
Умный дом/Умное сельское хозяйство
Промышленное производство
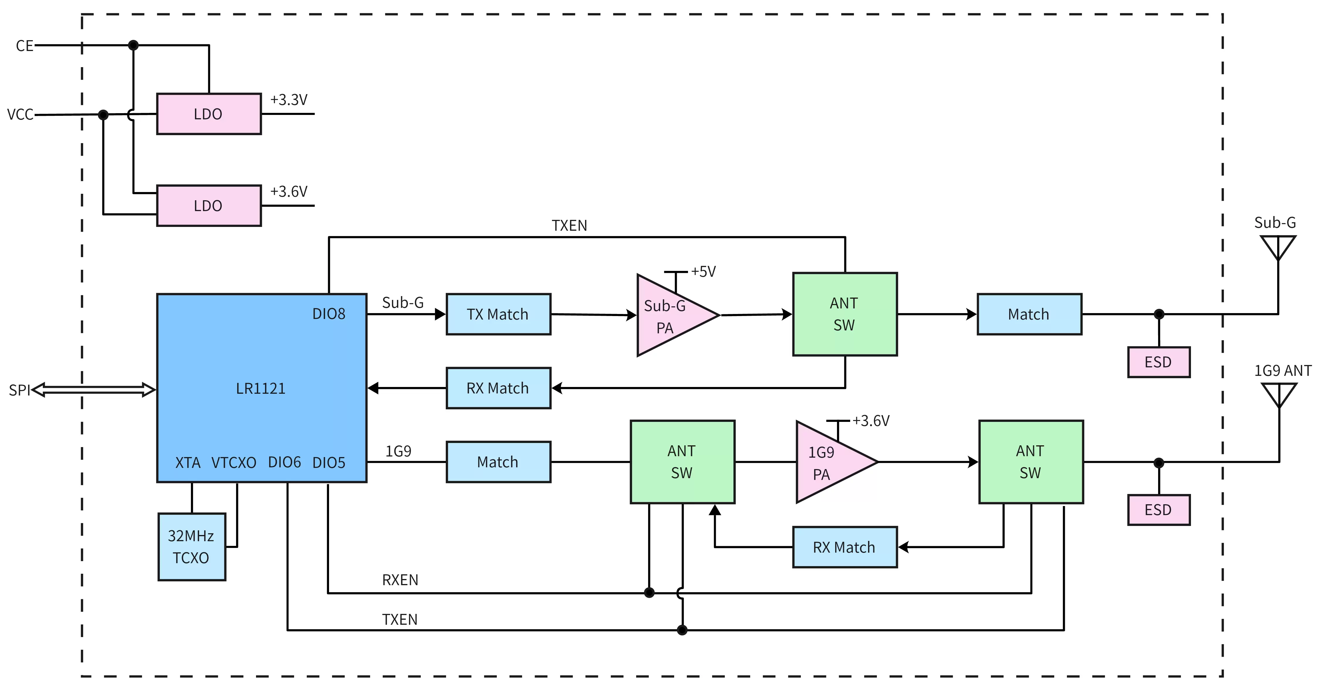
Блок-схема

Электрические характеристики
Параметры | Условия испытания | Мин. | Тип. | Макс | Единица |
Диапазон напряжения | 3.0 | 5 | 5,5 | В | |
Рабочая температура | -40 | 25 | 85 | ℃ | |
Максимальный входной сигнал | 10 | дБм | |||
Текущее потребление | |||||
Передача тока | @433 МГц | < 900 | мА | ||
@1,9 ГГц | < 1000 | мА | |||
Получить ток | < 9 | мА | |||
Ток сна | < 15 | ЮА | |||
РЧ параметры | |||||
Частотный диапазон | @433 МГц | 400 | 470 | МГц | |
@470 МГц | 470 | 510 | МГц | ||
@868 МГц | 850 | 890 | МГц | ||
@915 МГц | 900 | 940 | МГц | ||
Мощность передачи | @Суб-ГГц | 20 | 33 | дБм | |
@S Диапазон частот | 5 | 29 | дБм | ||
Получить чувствительность | Полоса пропускания = 62,5 кГц, SF = 12 @Суб-ГГц | -142 | дБм | ||
Полоса пропускания = 125 кГц, SF = 12 @S Диапазон частот | -132 | дБм | |||
Ошибка частоты | 10 | ppm | |||
Скорость модуляции (@sub-ГГц) | @Лора | 0,091 | 62,5 | Кбит/с | |
@ФСК | 0,6 | 300 | Кбит/с | ||
Скорость модуляции (@S Частотные диапазоны ) | @Лора | 0,292 | 87,5 | Кбит/с | |
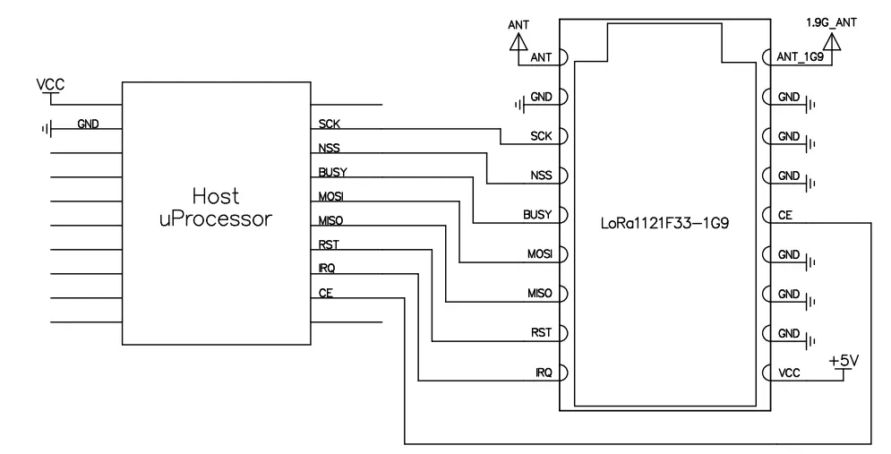
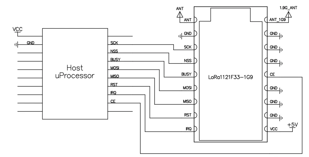
Типичная принципиальная схема

Уровень мощности | 433 МГц | 1,9 ГГц | ||
Выходная мощность ( дБм) | Ток ( мА) | Выходная мощность ( дБм) | Выходная мощность ( мА) | |
0 | 20.1 | 419 | 5.0 | 112 |
1 | 22,6 | 427 | 8,7 | 131 |
2 | 25,3 | 445 | 11,0 | 152 |
3 | 27,2 | 485 | 13,7 | 181 |
4 | 29,3 | 551 | 16,7 | 233 |
5 | 30,8 | 628 | 19,8 | 308 |
6 | 31,7 | 691 | 22,7 | 404 |
7 | 32,2 | 734 | 23,9 | 434 |
8 | 32,6 | 775 | 24,4 | 482 |
9 | 32,9 | 817 | 29,6 | 920 |
Рабочее напряжение ( v) | 433 МГц | 1,9 ГГц | ||
Мощность ( дБм) | Ток ( мА) | Мощность ( дБм) | Ток ( мА) | |
3.0 | 28,0 | 506 | 27,8 | 745 |
3,5 | 29,5 | 604 | 29.1 | 846 |
4.0 | 30,7 | 678 | 30,0 | 912 |
4,5 | 31,7 | 736 | 30,3 | 920 |
5.0 | 32,6 | 810 | 30,3 | 920 |
5,5 | 33,3 | 844 | 30,3 | 920 |
Размер механизма (единица измерения: мм)

Приложение 1: Функциональная демонстрационная плата

Демонстрационная плата имеет три кнопки: SET, UP и DOWN. Их функции заключаются в следующем:
Кнопки | Функции |
Короткое нажатие клавиши SET | Подтвердите или войдите на следующий уровень интерфейса |
Клавиша SET, долгое нажатие | Вернуться к предыдущему интерфейсу |
Короткое нажатие клавиши ВВЕРХ | Переместите курсор вверх или увеличьте параметр на 1. |
Длительное нажатие клавиши ВВЕРХ | Увеличение параметра |
Короткое нажатие клавиши ВНИЗ | Переместить курсор вниз или уменьшить параметр на 1. |
Длительное нажатие клавиши ВНИЗ | Уменьшить параметр |
Метод работы:
Обеспечьте нормальное электропитание, затем переключите выключатель питания, чтобы включить питание. На экране демонстрационной платы отобразится текущий функциональный интерфейс. Коротко нажмите кнопку SET, чтобы войти в режим настройки. Чтобы выбрать опцию, коротко нажмите кнопку SET; для возврата нажмите и удерживайте кнопку SET. Используйте клавиши ВВЕРХ и ВНИЗ, чтобы выбрать параметр, который вы хотите настроить. Наконец, коротко нажмите кнопку SET, чтобы завершить модификацию.
n Режим: Функция
n Диапазон: диапазон частот
n ЧАСТОТА: Частота
n SF: коэффициент расширения
n BW: Пропускная способность
n МОЩНОСТЬ: Мощность
n CR: Кодирующая крыса
+86-755-23080616
sales@nicerf.com
Сайт: https://www.nicerf.com/ .
Адрес: 309-314, 3/F, корпус A, деловое здание Хунду, зона 43, район Баоань, Шэньчжэнь, Китай
политика конфиденциальности
· Политика конфиденциальности
В настоящее время нет доступного контента
Электронная почта: sales@nicerf.com
Тел:+86-755-23080616