Contact us
| Параметр | Мин. | Тип | Макс | Единица | Состояние |
| Рабочее состояние | |||||
| Диапазон рабочего напряжения | 1.8 | 3.3 | 3.8 | В | |
| Температурное напряжение | -40 | 85 | ℃ | ||
| Текущее потребление | |||||
| Получение текущего | 14 | мА | |||
| Передача тока | 85 | мА | @20dBm | ||
| ток сна | < 0,1 | uA | |||
| Параметр | |||||
| Диапазон частот | 425 | 433 | 463 | МГц | @433MHz |
| 470 | 490 | 510 | МГц | @470MHz | |
| Скорость модуляции | 0.1 | 500 | Кбит/с | ФСК | |
| Диапазон выходной мощности | -20 | 20 | дБм | ||
| Чувствительность приема | -124 | дБм | @data=500bps | ||
| Модуляция | (Г)ФСК |
| Чип | si4438 |
| Частота | 433 МГц |
| Выходная мощность | 100 мВт |
| Интерфейс | СПИ |



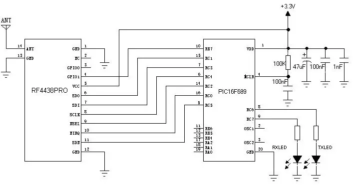
| НОМЕР ПИН-КОДА | Имя пин-кода | Описание |
| 1 | Земля | заземление |
| 2 | NC | NC |
| 3 | GPIO0 | GPIO0 Si4468 |
| 4 | GPIO1 | GPIO1 Si4468 |
| 5 | ВКЦ | Положительный источник питания 3,3 В |
| 6 | СДО | Последовательный вывод данных для интерфейса SPI. |
| 7 | СОИ | Последовательные данные для интерфейса SPI |
| 8 | СКЛК | Последовательные тактовые импульсы для интерфейса SPI |
| 9 | нСЕЛ | Выбор последовательных данных для интерфейсов SPI. |
| 10 | nIRQ | Прерывание выхода |
| 11 | СДН | Управление выключением питания. SDN = 1, выключение питания SDN = 0, нормальная работа. |
| 12 | Земля | заземление |
| 13 | Земля | заземление питания |
| 14 | МУРАВЕЙ | Подключение к коаксиальной антенне сопротивлением 50 Ом |


политика конфиденциальности
· Политика конфиденциальности
В настоящее время нет доступного контента
Электронная почта: sales@nicerf.com
Тел:+86-755-23080616