Type: (G)FSK Front-End Modules
Certification: CE-RED,FCC ID,IC ID
Modulation: (G)FSK
Chip: si4463
Interfacce: SPI
Output Power: 100mW
Frequency: 433MHz
Размер (мм):17.3*17
Модель заказа | Тип продукта (настраиваемый 142–1050 МГц) |
РФ4463ПРО-150 | Рабочий диапазон частот центра составляет 142–175 МГц. |
РФ4463ПРО-315 | Рабочий диапазон частот центра составляет 300-350 МГц. |
РФ4463ПРО-433 | Рабочий центральный диапазон частот — 433 МГц. |
RF4463PRO-433-CE | Рабочий диапазон частот составляет 433 МГц, версия сертифицирована CE. |
RF4463PRO-433-FCC | Рабочий диапазон частот составляет 433 МГц, версия сертифицирована FCC. |
РФ4463ПРО-470 | Рабочая центральная полоса частот — 470 МГц. |
РФ4463ПРО-868 | Рабочий центральный диапазон частот — 868 МГц. |
RF4463PRO-868-CE | Рабочий диапазон частот составляет 868 МГц, версия сертифицирована CE. |
РФ4463ПРО-915 | Рабочий диапазон частот составляет 915 МГц, прошел сертификацию FCC и IC. |
| Параметр | Мин. | Тип | Макс | Единица | Состояние |
| Рабочее состояние | |||||
| Диапазон рабочего напряжения | 1.8 | 3.3 | 3.6 | В | |
| Температурное напряжение | -40 | 85 | ℃ | ||
| Текущее потребление | |||||
| Получение текущего | 13.5 | мА | Режим высокой производительности | ||
| Получение текущего | 10.7 | мА | Режим низкого энергопотребления | ||
| Передача тока | 85 | мА | @20dBm | ||
| ток сна | < 0,1 | uA | |||
| Параметр RF | |||||
| Диапазон частот | 142 | 150 | 175 | МГц | @150MHz |
| 300 | 315 | 350 | МГц | @350MHz | |
| 403 | 433 | 463 | МГц | @433MHz | |
| 470 | 490 | 510 | МГц | @470MHz | |
| 820 | 868 | 880 | МГц | @868MHz, 19dBm | |
| 900 | 915 | 930 | МГц | @915 МГц, 18,5 дБм | |
| Скорость модуляции | 0,123 | 1000 | Кбит/с | ФСК | |
| Диапазон выходной мощности | -5 | 20 | дБм | ||
| Чувствительность приема | -126 | дБм | @Скорость передачи данных=500 бит/с | ||
| Модуляция | (Г)ФСК |
| Чип | si4463 |
| Частота | 868 МГц |
| Выходная мощность | 100 мВт |
| Сертификация | CE-RED |
| Интерфейс | СПИ |


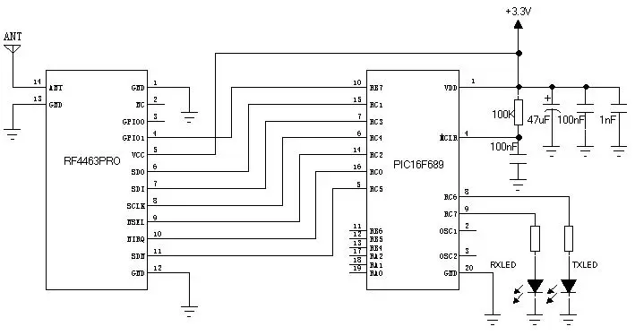
| № контакта | Имя пин-кода | Описание |
| 1 | Земля | заземление |
| 2 | NC | NC |
| 3 | GPIO0 | Подключитесь напрямую к выводу GPIO0 микросхемы. |
| 4 | GPIO1 | Подключитесь напрямую к выводу GPIO1 микросхемы. |
| 5 | ВКЦ | Положительный источник питания 3,3 В |
| 6 | СДО | Цифровой выход 0~VDD V, обеспечивает функцию последовательного обратного считывания во внутренний регистр управления |
| 7 | СОИ | Последовательный вход данных. Цифровой вход 0~VDD В. Этот вывод представляет собой 4-проводную шину последовательной передачи данных. |
| 8 | СКЛК | Вход последовательной синхронизации. Цифровой вход 0~VDD В. Этот вывод обеспечивает функцию тактовой синхронизации 4-проводной последовательной передачи данных. |
| 9 | нСЕЛ | Входной контакт выбора последовательного интерфейса. Цифровой вход 0 ~ VDD В. Этот контакт обеспечивает функцию выбора/включения 4-проводной последовательной шины данных. Этот сигнал также используется для индикации пакетного режима чтения/записи. |
| 10 | nIRQ | Прерывание выхода |
| 11 | СДН | Вывод включения микросхемы. Цифровой вход 0~VDD V. SDN=0 во всех режимах, кроме режима выключения. При SDN=1 микросхема полностью выключается, и содержимое регистра теряется. |
| 12 | Земля | заземление |
| 13 | Земля | заземление |
| 14 | МУРАВЕЙ | Подключение к коаксиальной антенне сопротивлением 50 Ом |

политика конфиденциальности
· Политика конфиденциальности
В настоящее время нет доступного контента
Электронная почта: sales@nicerf.com
Тел:+86-755-23080616