Связаться с нами
| Параметры | Мин. | Тип. | Макс. | Единица | Состояние |
| Условия эксплуатации | |||||
| Рабочая мощность | 2.2 | 3.3 | 3.8 | В | |
| Рабочая температура | -40 | 85 | ℃ | ||
| Текущее потребление | |||||
| ток RX | 11 | мА | |||
| Ток передачи | 22 | мА | @7 дБм | ||
| Сон текущий | 0,3 | uA | |||
| Параметры РЧ | |||||
| Частота | 403 | 433 | 463 | МГц | @433MHz |
| 838 | 868 | 898 | МГц | @868MHz | |
| Выходная мощность | -17,5 | 7 | дБм | ||
| Чувствительность | -105 | дБм | @data=1.2kbps | ||
| Модуляция | (Г)ФСК |
| Частота | 433 МГц, 868 МГц, 915 МГц |
| Интерфейс | СПИ |



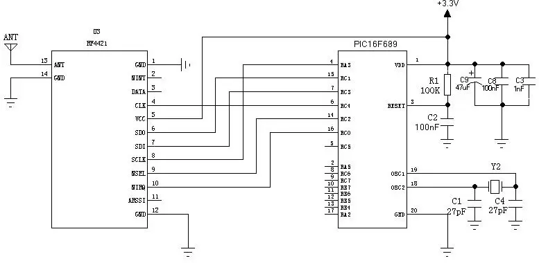
| Номер контакта | Приколоть | Описание |
| 1 | Земля | Подключено к заземлению |
| 2 | НИНТ | Прерывание ввода/Эффективное обнаружение данных вывода |
| 3 | ДАННЫЕ | Вывод данных приемника (не в режиме FIFO) |
| 4 | КЛК | Тактовый выход микроконтроллера |
| 5 | ВКЦ | Подключите к положительному полюсу питания 3,3 В |
| 6 | СДО | Вывод данных для интерфейса SPI |
| 7 | СОИ | Ввод данных для интерфейса SPI |
| 8 | СКЛК | Тактовый вход для интерфейса SPI |
| 9 | нСЕЛ | Выбор последовательных данных для интерфейсов SPI. |
| 10 | nIRQ | Прерывание выхода |
| 11 | АРССИ | Аналоговый выход RSSI |
| 12 | Земля | Подключено к заземлению |
| 13 | МУРАВЕЙ | Подключено к коаксиальной антенне 50 Ом |
| 14 | Земля | Подключено к заземлению |

политика конфиденциальности
· Политика конфиденциальности
В настоящее время нет доступного контента
Электронная почта: sales@nicerf.com
Тел:+86-755-23080616