Связаться с нами
| Параметр | Мин. | Тип. | Макс. | Единица | Условия |
| Условия эксплуатации | |||||
| Напряжение питания | 1.8 | 3.3 | 3.6 | В | |
| Рабочая температура | -40 | 25 | 85 | ℃ | |
| Текущее потребление | |||||
| Ток RX | 18.5 | мА | |||
| Ток TX | 35 | мА | @13dBm | ||
| Ток сна | <1 | uA | |||
| Параметры РЧ | |||||
| Частота | 403 | 433 | 463 | МГц | @433MHz |
| 838 | 868 | 898 | МГц | @868MHz | |
| 900 | 915 | 940 | МГц | @915MHz | |
| Скорость передачи данных по воздуху | 0,123 | 256 | Кбит/с | ФСК | |
| Выходная мощность | -8 | 13 | дБм | ||
| Чувствительность | -118 | дБм | @data=1.2Кбит/с,Fdev=30КГц | ||
| Модуляция | (Г)ФСК |
| Чип | si4431 |
| Частота | 315 МГц,433 МГц,868 МГц,915 МГц |
| Выходная мощность | 20 мВт |
| Интерфейс | СПИ |



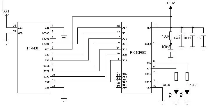
| НОМЕР ПИН-КОДА | Имя пин-кода | Описание |
| 1 | Земля | Подключено к заземлению |
| 2 | GPIO0 | GPIO 0 Si4431 |
| 3 | GPIO1 | GPIO 1 Si4431 |
| 4 | GPIO2 | GPIO 2 Si4431 |
| 5 | ВКЦ | Положительное питание 1,8--3,6 В |
| 6 | СДО | Последовательный вывод данных для интерфейса SPI |
| 7 | СОИ | Последовательные данные для интерфейса SPI |
| 8 | СКЛК | Последовательные тактовые импульсы для интерфейса SPI |
| 9 | нСЕЛ | Выбор последовательных данных для интерфейсов SPI. |
| 10 | nIRQ | Прерывание выхода |
| 11 | СДН | Управление выключением питания. SDN = 1, выключение питания SDN = 0, нормальная работа. |
| 12 | Земля | Подключено к заземлению |
| 13 | Земля | Подключено к заземлению |
| 14 | МУРАВЕЙ | От коаксиальной антенны 50 Ом |

политика конфиденциальности
· Политика конфиденциальности
В настоящее время нет доступного контента
Электронная почта: sales@nicerf.com
Тел:+86-755-23080616