Связаться с нами
| Параметр | Мин. | Тип. | Макс. | Единица | Состояние |
| Рабочее состояние | |||||
| Диапазон рабочего напряжения | 2.1 | 3.3 | 3.6 | В | |
| Диапазон температур | -40 | 85 | ℃ | ||
| Текущее потребление | |||||
| Получение тока | 3 | мА | |||
| Передача тока | 25 | мА | @10 дБм | ||
| Ток сна | <1 | uA | |||
| Параметр RF | |||||
| Диапазон частот | 429 | 433 | 440 | МГц | @433MHz |
| Скорость модуляции | 0,78 | 150 | Кбит/с | ФСК | |
| Диапазон мощности передачи | -8,5 | 12.5 | дБм | ||
| Чувствительность приема | -110 | дБм | @data=1.2kbps,Fdev=50kHz | ||
| Модуляция | (Г)ФСК |
| Чип | SX1212 |
| Частота | 433 МГц, 315 МГц |
| Интерфейс | СПИ |



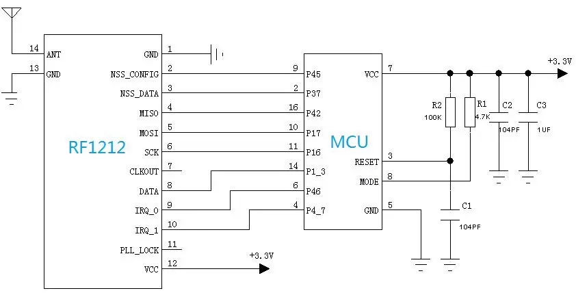
| Номер контакта | Имя пин-кода | Описание |
| 1 | Земля | Земля |
| 2 | NSS_CONFIG | включить SPI CONFIG |
| 3 | NSS_DATA | Включение SPI DATA |
| 4 | МИСО | Вывод данных SPI |
| 5 | МОСИ | Ввод данных SPI |
| 6 | ССК | Вход тактовой частоты SPI |
| 7 | CLKOUT | Тактовый выход |
| 8 | ДАННЫЕ | Ввод и вывод данных NRZ (непрерывный режим) |
| 9 | IRQ_0 | Прерывание выхода |
| 10 | IRQ_1 | Прерывание выхода |
| 11 | PLL_LOCK | Выход обнаружения блокировки PLL |
| 12 | ВКЦ | Положительный источник питания |
| 13 | Земля | Заземление антенны |
| 14 | МУРАВЕЙ | Антенна |

политика конфиденциальности
· Политика конфиденциальности
В настоящее время нет доступного контента
Электронная почта: sales@nicerf.com
Тел:+86-755-23080616