Связаться с нами
| Параметр | Мин. | Тип. | Макс. | Единица | Состояние |
| Состояние эксплуатации | |||||
| Диапазон рабочего напряжения | 1.8 | 3.3 | 3.6 | В | |
| Температурное напряжение | -40 | 85 | ℃ | ||
| Текущее потребление | |||||
| ток RX | 18.5 | мА | |||
| Ток передачи | 85 | мА | @20dBm | ||
| ток сна | < 1 | uA | |||
| Параметр RF | |||||
| Диапазон частот | 470 | 490 | 510 | МГц | @470MHz |
| 900 | 915 | 930 | МГц | @915MHz | |
| Скорость модуляции | 0,123 | 256 | Кбит/с | ФСК | |
| Диапазон выходной мощности | 1 | 20 | дБм | ||
| Чувствительность приема | -121 | дБм | @Скорость передачи данных=1,2 Кбит/с | ||
| Модуляция | (Г)ФСК |
| Чип | si4432 |
| Частота | 315 МГц,433 МГц,470 МГц,868 МГц,915 МГц |
| Выходная мощность | 100 мВт |
| Интерфейс | СПИ |


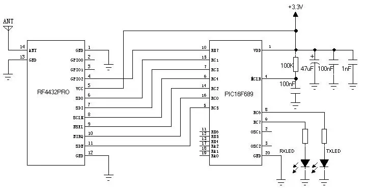
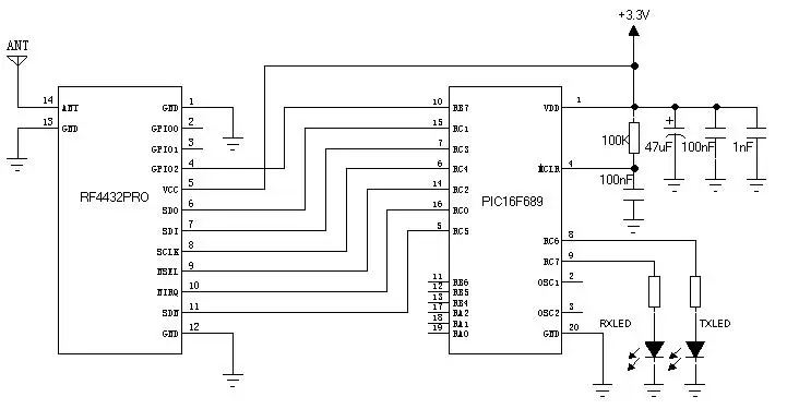
| НОМЕР ПИН-КОДА | Имя пин-кода | Описание |
| 1 | Земля | заземление |
| 2 | GPIO0 | Управляющий штифт переключателя передатчика подключен внутри модуля. |
| 3 | GPIO1 | Управляющий штифт переключателя передатчика подключен внутри модуля. |
| 4 | GPIO2 | Подключитесь напрямую к выводу GPIO2 микросхемы. |
| 5 | ВКЦ | Положительный источник питания 3,3 В |
| 6 | СДО | Цифровой выход 0~VDD V, обеспечивает функцию последовательного обратного считывания во внутренний регистр управления. |
| 7 | СОИ | Последовательный вход данных. Цифровой вход 0~VDD В. Этот вывод представляет собой 4-проводную шину последовательной передачи данных. |
| 8 | СКЛК | Вход последовательной синхронизации. Цифровой вход 0~VDD В. Этот вывод обеспечивает функцию тактовой синхронизации 4-проводной последовательной передачи данных. |
| 9 | нСЕЛ | Входной контакт выбора последовательного интерфейса. Цифровой вход 0 ~ VDD В. Этот контакт обеспечивает функцию выбора/включения 4-проводной последовательной шины данных. Этот сигнал также используется для индикации пакетного режима чтения/записи. |
| 10 | nIRQ | Прерывание выхода |
| 11 | СДН | Вывод включения микросхемы. Цифровой вход 0~VDD V. SDN=0 во всех режимах, кроме режима выключения. При SDN=1 микросхема полностью выключается, и содержимое регистра теряется. |
| 12 | Земля | заземление |
| 13 | Земля | заземление |
| 14 | МУРАВЕЙ | Подключение к коаксиальной антенне сопротивлением 50 Ом |

политика конфиденциальности
· Политика конфиденциальности
В настоящее время нет доступного контента
Электронная почта: sales@nicerf.com
Тел:+86-755-23080616