Связаться с нами
|
LoRaStar610 | Параметр | Мин. | Тип. | Макс | Единица | Состояние | ||||
| Рабочее состояние | ||||||||||
| Диапазон напряжения | 3.3 | 5.0 | 6.5 | В | *2 | |||||
| Рабочая температура | -40 | 25 | +85 | ℃ | ||||||
| Текущее потребление | ||||||||||
| Ток Rx | < 15 | мА | уровень ТТЛ | |||||||
| Ток передачи | < 130 | мА | ||||||||
| ток сна | *1 | < 200 | uA | |||||||
| Параметр RF | ||||||||||
| Диапазон частот (различные характеристики) | 414.92 | 433.92 | 453.92 | МГц | @433MHz | |||||
| 470,92 | 490,92 | 509.92 | МГц | @470MHz | ||||||
| 849.92 | 868.92 | 888.92 | МГц | @868MHz | ||||||
| 895.92 | 914.92 | 934.92 | МГц | @915MHz | ||||||
| Скорость передачи данных | 91 | 656 | 17353 | бит/с | @LoRa | |||||
| Выходная мощность | 4 | 20 | +20 | дБм | Программное обеспечение 7 регулируемое | |||||
| Чувствительность | -139 | дБм | @91bps | |||||||
|
LoRaStar611 | Параметр | Мин. | Тип. | Макс | Единица | Состояние | ||||
| Рабочее состояние | ||||||||||
| Диапазон напряжения | 3.3 | 5.0 | 6.5 | В | ||||||
| Рабочая температура | -40 | 25 | +85 | ℃ | ||||||
| Текущее потребление | ||||||||||
| Ток Rx | < 15 | мА | Уровень TTL | |||||||
| Ток передачи | < 130 | мА | ||||||||
| ток сна | *1 | < 200 | uA | |||||||
| Параметр RF | ||||||||||
| Диапазон частот (различные характеристики) | 414.92 | 433.92 | 453.92 | МГц | @433MHz | |||||
| 470,92 | 490,92 | 509.92 | МГц | @470MHz | ||||||
| 849.92 | 868.92 | 888.92 | МГц | @868MHz | ||||||
| 895.92 | 914.92 | 934.92 | МГц | @915MHz | ||||||
| Скорость передачи данных | 91 | 656 | 17353 | бит/с | @LoRa | |||||
| Выходная мощность | 4 | 20 | +20 | дБм | Программное обеспечение 7 регулируемое | |||||
| Чувствительность | -139 | дБм | @91bps | |||||||
|
LoRaStar6100 LoRaStar6102 | Параметр | Мин. | Тип. | Макс | Единица | Состояние | ||||
| Рабочее состояние | ||||||||||
| Диапазон напряжения | 3.3 | 5.0 | 6.5 | В | ||||||
| Рабочая температура | -40 | 25 | +85 | ℃ | ||||||
| Текущее потребление | ||||||||||
| Rxcurrent | < 16 | мА | @5V, уровень ТТЛ | |||||||
| Ток передачи | < 600 | мА | @5V, уровень ТТЛ | |||||||
| ток сна | < 250 | uA | @5V, уровень ТТЛ | |||||||
| Параметр RF | ||||||||||
| Диапазон частот (различные характеристики) | 414.92 | 433.92 | 453.92 | МГц | @433MHz | |||||
| 470,92 | 490,92 | 509.92 | МГц | @470MHz | ||||||
| 849.92 | 868.92 | 888.92 | МГц | @868MHz | ||||||
| 895.92 | 914.92 | 934.92 | МГц | @915MHz | ||||||
| Скорость передачи данных | 91 | 656 | 17353 | бит/с | @LoRa | |||||
| Выходная мощность | + 24 | > 29,5 | + 31 | дБм | @5V,@433/490MHz | |||||
| + 21 | > 27 | + 28,5 | дБм | @5V,@868/915MHz | ||||||
| Чувствительность | -139 | дБм | @91 бит/с | |||||||
|
LoRaStar6200 | Параметр | Мин. | Тип. | Макс | Единица | Состояние | |
| Рабочее состояние | |||||||
| Диапазон напряжения | 9 | 12 | 30 | В | |||
| Рабочая температура | -40 | 25 | +85 | ℃ | |||
| Текущее потребление | |||||||
| Rxcurrent | < 18 | мА | Уровень TTL | ||||
| Ток передачи | < 500 | мА | @33 дБм, 12 В | ||||
| ток сна | < 7 | мА | |||||
| Параметр RF | |||||||
| Диапазон частот (различные характеристики) | 414.92 | 433.92 | 453.92 | МГц | @433MHz | ||
| 470,92 | 490,92 | 509.92 | МГц | @470MHz | |||
| Скорость передачи данных | 91 | 656 | 17353 | бит/с | @LoRa | ||
| Выходная мощность | 18 | / | +33 | дБм | @12V,@433/490MHz | ||
| Чувствительность | -139 | дБм | @91bps | ||||
|
LoRaStar6500 | Параметр | Мин. | Тип. | Макс | Единица | Состояние | |
| Рабочее состояние | |||||||
| Диапазон напряжения | 9 | 12 | 30 | В | *2 | ||
| Рабочая температура | -40 | 25 | +85 | ℃ | |||
| Текущее потребление | |||||||
| Ток Rx | < 18 | мА | Уровень TTL | ||||
| Ток передачи | <1,8 | А | @37 дБм, 12 В | ||||
| ток сна | < 7 | мА | |||||
| Параметр RF | |||||||
| Диапазон частот Различные характеристики | 414.92 | 433.92 | 453.92 | МГц | @433MHz | ||
| 470,92 | 490,92 | 509.92 | МГц | @470MHz | |||
| Скорость передачи данных | 91 | 656 | 17353 | бит/с | @LoRa | ||
| Выходная мощность | 28 | / | +37 | дБм | @12V,@433/490MHz | ||
| Чувствительность | -139 | дБм | @91bps | ||||
| Интерфейс | ТТЛ, RS232, RS485 |
| Сеть | ЗВЕЗДА |
| Частота | 433 МГц,470 МГц,868 МГц,915 МГц |
| Модуляция | Лора |
| Выходная мощность | 100 мВт, 500 мВт, 1 Вт, 2 Вт, 5 Вт, 30 Вт |



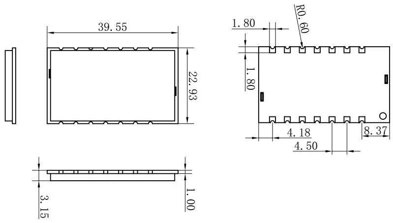
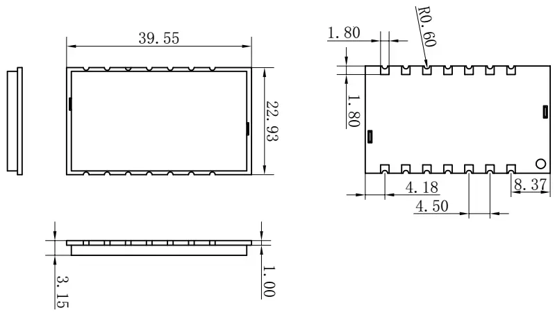
LoRaStar610:

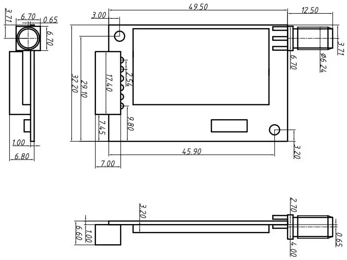
LoRaStar611:

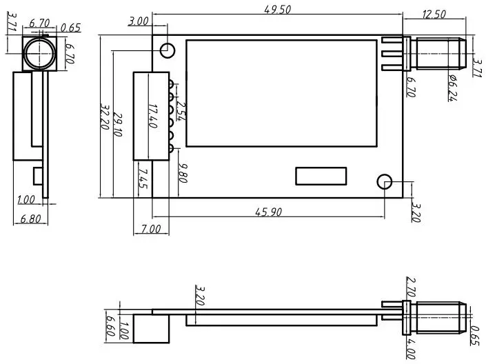
LoRaStar6100:

LoRaStar6102:

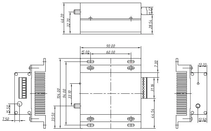
LoRaStar6200:

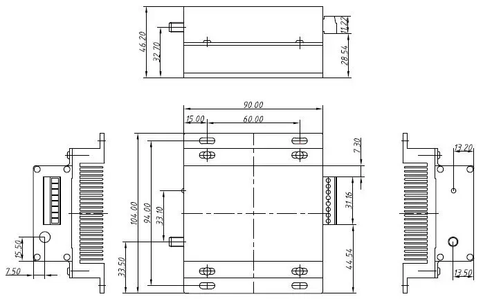
LoRaStar6500:

политика конфиденциальности
· Политика конфиденциальности
В настоящее время нет доступного контента
Электронная почта: sales@nicerf.com
Тел:+86-755-23080616