Связаться с нами
★ Следующие параметры получены при подключении прибора с медной осью сопротивлением 50 Ом. @VCC=3,3 В.
| Параметр | Мин. | Тип. | Макс. | Единица | Состояние |
| Состояние эксплуатации | |||||
| Рабочее напряжение | 1.8 | 3.3 | 3.7 | В | |
| Диапазон температур | -40 | 85 | ℃ | ||
| Текущее потребление | |||||
| ток RX | < 10 | мА | @LoRa1280 LoRa1281 | ||
| Ток передачи | 26 | 30 | мА | @Vcc=3,3 В, 12,5 дБм @LoRa1280/LoRa1281 | |
| ток сна | < 1 | uA | |||
| Параметр RF | |||||
| Диапазон частот | 2400 | 2500 | МГц | ||
|
Скорость передачи данных | 0,476 | 202 | Кбит/с | @LoRa | |
| 260 | 1300 | Кбит/с | @FLRC | ||
| 125 | 2000 | Кбит/с | @ФСК | ||
| Выходная мощность | -18 | 12.5 | дБм | @VCC=3,3 В | |
| Чувствительность приема | -132 | дБм | LoRa@0.476Кбит/с | ||
| Интерфейс | СПИ |
| Чип | SX1280,SX1281 |
| Частота | 2,4 ГГц |
| Модуляция | Лора |


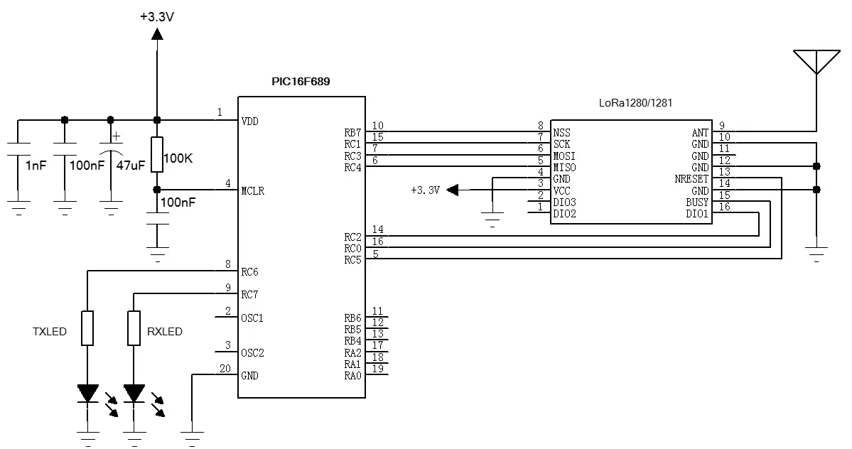
| № контакта | Имя пин-кода | Описание |
| 1 | ДИО2 | Напрямую подключен к выводу микросхемы, настраиваемый ввод-вывод общего назначения (подробности см. в спецификации микросхемы SX1280/1281) |
| 2 | ДИО3 | Напрямую подключен к выводу микросхемы, настраиваемый ввод-вывод общего назначения (подробности см. в спецификации микросхемы SX1280/1281) |
| 3 | ВКЦ | Подключен к положительному полюсу источника питания (1,8-3,7 В) |
| 4 | Земля | Подключен к отрицательному полюсу |
| 5 | МИСО | Выходной контакт данных SPI |
| 6 | МОСИ | Входной контакт данных SPI |
| 7 | ССК | Входной контакт синхронизации SPI |
| 8 | НСС | Вывод выбора микросхемы модуля |
| 9 | МУРАВЕЙ | Подключение к коаксиальной антенне сопротивлением 50 Ом |
| 10,11,12 | Земля | Подключен к отрицательному полюсу |
| 13 | NRESET | Вывод триггера сброса чипа, активный низкий уровень |
| Примечание: для модулей Lora1280 и Lora1281 контакт 14 — это GND. | ||
| 14 | Земля | Подключен к отрицательному полюсу |
| Примечание: для модуля Lora1280-TCXO контакт 14 — TCXOEN. | ||
| 14 | TCXOEN | Включите TCXO: 1. Переведите вывод TCXOEN в высокий уровень перед сбросом SX1280; 2. Подождите не менее 3 мс, чтобы дождаться запуска TCXO; 3. Во время использования модуля 1280 вывод TCXOEN должен оставаться на высоком уровне; Выключите TCXO (если модуль должен перейти в режим сна): 1. Вызовите функцию SetSleep(), чтобы перевести модуль в режим сна; 2. Подождите не менее 1 мс, чтобы дождаться перехода модуля в режим сна; 3. Переведите вывод TCXOEN в низкий уровень, чтобы выключить TCXO. |
| 15 | ЗАНЯТЫЙ | Индикаторный контакт состояния (подробности см. в спецификации SX1280/1281) |
| 16 | ДИО1 | Напрямую подключен к выводу микросхемы, настраиваемый ввод-вывод общего назначения (подробности см. в спецификации микросхемы SX1280/1281) |

политика конфиденциальности
· Политика конфиденциальности
В настоящее время нет доступного контента
Электронная почта: sales@nicerf.com
Тел:+86-755-23080616