Certification: Others
Modulation: LoRa
Chip: SX1268
Interface: SPI
Output Power: 2W
Frequency: 433MHz
Размер (мм):38*20
Параметр | Мин . | Тип. | Макс. | Единица | Состояние |
Состояние операции C | |||||
Рабочее напряжение | 3 | 5 | 6.5 | В | |
Диапазон температур | -40 | 25 | 85 | ℃ | |
Текущее потребление C | |||||
ток RX | < 5 | мА | @ 433 МГц ,470 МГц @5 В | ||
< 7 | мА | @ 868 МГц ,915 МГц @ 5 В | |||
Ток передачи | 500 | 60 0 | мА | @5 В 30 дБм , 433 МГц , 470 МГц | |
600 | 700 | мА | @5 В 30 дБм , 868 МГц , 915 МГц | ||
750 | 850 | мА | @6 В 33 дБм @4 33 МГц , 470 МГц | ||
ток сна | < 2 | uA | @ 433 МГц ,470 МГц | ||
< 5 | uA | @ 868 МГц ,915 МГц | |||
RF Параметр | |||||
Диапазон частот | 400 | 433 | 460 | МГц | @433 МГц |
470 | 4 9 0 | 510 | МГц | @ 470 МГц | |
848 | 868 | 888 | МГц | @868 МГц | |
900 | 915 | 940 | МГц | @915 МГц | |
Скорость передачи данных | 1.2 | 300 | Кбит/с | @ ФСК | |
0,018 | 62,5 | Кбит/с | @ Ло Ра | ||
Выходная мощность | 31 | 3 3 | дБм | @ 433MHz , 470 MHz @ 5v | |
29 | 3 1 | дБм | @868MHz ,915MHz @5v | ||
Программное обеспечение регулируемое диапазон мощности | 1 2 | 3 2 | дБм | @ 433MHz , 470 MHz @ 5v | |
1 | 3 0 | дБм | @ 868 МГц, 915 МГц @ 5 В | ||
Чувствительность приема | -122 | дБм | @FSK data=1,2 Кбит/с Fdev=50 КГц | ||
-139 | дБм | @Lora BW= 62,5 кГц SF = 12 CR=4/5 | |||
| Интерфейс | СПИ |
| Чип | SX1262 |
| Частота | 868 МГц,915 МГц |
| Модуляция | Лора |
| Выходная мощность | 2W |


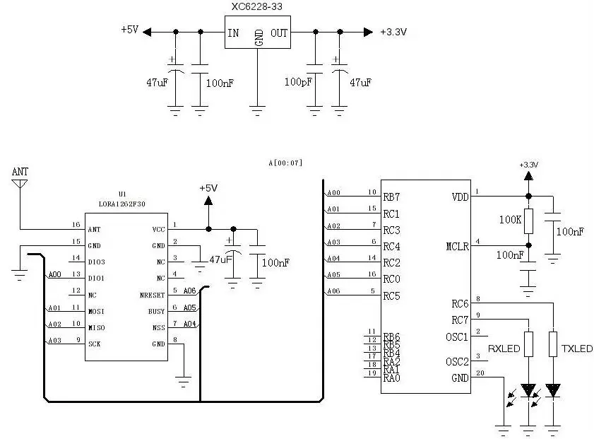
| НОМЕР ПИН-КОДА | Имя пин-кода | Описание |
| 1 | ВКЦ | Источник питания |
| 2 | Земля | заземление питания |
| 3.4.12 | NC | Пустой |
| 5 | NRESET | заземление питания |
| 6 | ЗАНЯТЫЙ | Используется для индикации состояния, подробности см. в данных чипа. |
| 7 | НСС | включить SPI |
| 8 | Земля | заземление питания |
| 9 | ССК | Последовательный тактовый сигнал для интерфейса SPI |
| 10 | МИСО | Вывод SPI для данных SPI |
| 11 | МОСИ | Вход SPI для данных SPI |
| 13 | ДИО1 | Цифровой ввод/вывод, настраиваемый |
| 14 | ДИО3 | Цифровой ввод/вывод, настраиваемый |
| 15 | Земля | заземление питания |
| 16 | МУРАВЕЙ | Подключение к коаксиальной антенне сопротивлением 50 Ом |


политика конфиденциальности
· Политика конфиденциальности
В настоящее время нет доступного контента
Электронная почта: sales@nicerf.com
Тел:+86-755-23080616