Связаться с нами
| Параметр | Мин. | Тип. | Макс. | Единица | Состояние |
| Состояние эксплуатации | |||||
| Рабочее напряжение | 1.8 | 3.3 | 3.7 | В | |
| Диапазон температур | -40 | 85 | ℃ | ||
| Текущее потребление | |||||
| ток RX | 10.8 | мА | |||
| Ток передачи | 120 | мА | @20dBm | ||
| ток сна | 1 | uA | |||
| Параметр RF | |||||
| Диапазон частот | 848 | 868 | 888 | МГц | @868MHz |
| Скорость передачи данных | 1.2 | 300 | Кбит/с | ФСК | |
| 0,018 | 37,5 | Кбит/с | Лора | ||
| Выходная мощность | -1 | 20 | дБм | ||
| Чувствительность приема | -123 | дБм | @FSK data=1,2 кбит/с, Fdev=10 кГц | ||
| -139 | дБм | @Lora BW=125KHz_SF = 12_CR=4/5 | |||
| Интерфейс | СПИ |
| Чип | SX1276 |
| Частота | 868 МГц |
| Модуляция | Лора |
| Выходная мощность | 100 мВт |


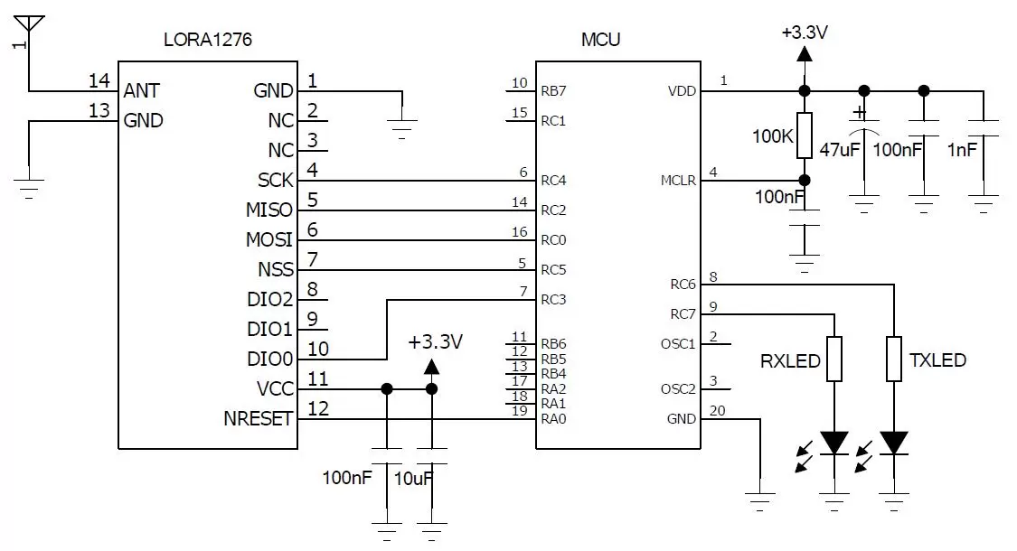
| НОМЕР ПИН-КОДА | Имя пин-кода | Описание |
| 1 | Земля | заземление питания |
| 2 | NC | Пустой |
| 3 | NC | Пустой |
| 4 | ССК | Последовательный тактовый сигнал для интерфейса SPI |
| 5 | МИСО | Вывод SPI для данных SPI |
| 6 | МОСИ | Вход SPI для данных SPI |
| 7 | НСС | включить SPI |
| 8 | ДИО2 | Цифровой ввод/вывод, настраиваемый |
| 9 | ДИО1 | Цифровой ввод/вывод, настраиваемый |
| 10 | DIO0 | Цифровой ввод/вывод, настраиваемый |
| 11 | ВКЦ | Подключенный источник питания (по умолчанию 3,3 В) |
| 12 | NRESET | Сброс ввода |
| 13 | Земля | заземление питания |
| 14 | МУРАВЕЙ | Подключение к коаксиальной антенне сопротивлением 50 Ом |

политика конфиденциальности
· Политика конфиденциальности
В настоящее время нет доступного контента
Электронная почта: sales@nicerf.com
Тел:+86-755-23080616