May . 2022
Предисловие
В процессе предоставления технической поддержки и настройки RF для клиентов мы обнаружили, что из-за обновления функциональных требований и обновлений продуктов мы часто сталкиваемся с проблемами, связанными с тем, что модули, в которые необходимо встроить различные беспроводные чипы, могут взаимодействовать друг с другом. Различные различия в параметрах и форматах данных затрудняют понимание того, с чего начать.
В этом тесте выбираются внешние радиочастотные модули RF4432PRO (встроенный чип Si4432) и RF1212 (встроенный чип SX1212), независимо разработанные NiceRF, и описываются подробный экспериментальный процесс, аппаратный интерфейс и соответствующие примеры программ в надежде решить проблему. между различными беспроводными чипами. Проблема коммуникации обеспечивает эталонный метод.
NiceRF — это технологическая, сервисная и торговая компания, специализирующаяся на разработке приложений для радиочастотных и сенсорных модулей. Компания разработала множество прикладных модулей и решений для различных радиочастотных чипов. Текущие продукты охватывают различные уровни мощности, такие как 20 мВт, 100 мВт, 500 мВт, 1 Вт, 2 Вт, 3 Вт, 5 Вт; SPI, UART (включая TTL/RS232/RS485 и USB) и другие интерфейсы связи; 315/ 433/470/868/915 Существуют сотни модулей на разных рабочих частотах, таких как МГц и 2,4 ГГц. Годы осадков и накоплений сделали NiceRF сильным исследовательским центром и богатым опытом применения программного и аппаратного обеспечения радиочастотных приложений.
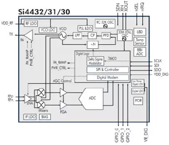
1.1 Производительность и особенности чипа


Рисунок 1. Структурная схема встроенных модулей микросхем Si4432 и SX1212.
Si4432 в радиочастотном модуле RF4432PRO представляет собой высокопроизводительный чип радиочастотного приемопередатчика, разработанный компанией Silabs в США с рабочей полосой частот ниже 1 ГГц и принадлежащий к серии EzRadioPro. Он широко используется в промышленности, научных исследованиях, медицине (ISM) и оборудовании беспроводной связи ближнего действия (SRD) в Китае, его выходная мощность может достигать +20 дБм, а чувствительность приема также может достигать -121. дБм.
SX1212 в беспроводном модуле RF1212 представляет собой беспроводной чип со сверхнизким энергопотреблением, разработанный и производимый компанией Semtech в США. Рабочая частота варьируется от 300 МГц до 510 МГц. Он был оптимизирован для очень низкого энергопотребления приема. Типичный ток приема составляет 2,6 мА, рабочее напряжение 2,1–3,6 В, максимальная мощность передачи +12,5 дБм.
Конкретные параметры можно найти в руководствах по микросхемам Si4432 и SX1212. Модули RF4432PRO и RF1212 обеспечивают аппаратную поддержку встроенных функций микросхем Si4432 и SX1212. Пользователи могут напрямую программировать, разрабатывать и контролировать модули в соответствии с руководством по эксплуатации чипа.
| Радиочастотный модуль | RF4432PRO | РФ1212 |
| Диапазон частот (МГц) | 403, 433, 463 | 429, 433, 440 |
| Ток эмиссии | 85 мА при 20 дБм | 25 мА при 10 дБм |
| Получить ток (мА) | 18,5 | 3 |
| Статическая мощность (мкА) | <1 | <1 |
| Диапазон мощности передачи | 1~20 дБм | -8,5~12,5 дБм |
| Получите чувствительность | -121 дБм@данные=1,2 Кбит/с | -110 дБм@данные=1,2 Кбит/с, fdev=30 кГц |
Таблица 1. Сравнение протестированных радиочастотных параметров NiceRF RF4432 и RF1212
В аппаратном обеспечении экспериментальной системы используются беспроводные модули NiceRF RF4432PRO и RF1212 и соответствующие демонстрационные платы DEMO. Модули RF4432PRO и RF1212 содержат высокопроизводительные микросхемы промышленного уровня, прошедшие тщательные испытания. Аппаратная платформа комплектуется соединением модулей между собой посредством контактов. Посредством управления портом SPI микроконтроллера на демонстрационной плате два модуля приемопередатчика связываются друг с другом, тем самым реализуя беспроводную передачу данных.
Демонстрационная плата беспроводного модуля DEMO (как показано на рисунке 2 ниже) — это плата разработки, разработанная NiceRF совместно с интерфейсным модулем беспроводного приемопередатчика, чтобы облегчить клиентам отладку программ и проверку расстояний. Демо-плата DEMO имеет контакты внешнего беспроводного модуля, и параметры настройки можно сохранить после выключения питания. Пользователь может изменить рабочую частоту модуля, мощность передачи и скорость связи, а также другие соответствующие параметры с помощью основных настроек. Демонстрационная плата DEMO имеет 5 рабочих режимов, как показано в Таблице 2.
В таблицах 3 и 4 приведены определения контактов модуля RF1212 и модуля RF4432PRO соответственно. Подробную информацию см. в спецификациях RF4432PRO и RF1212 на официальном сайте NiceRF.

Рис. 2. Демонстрационная плата NiceRF DEMO и аппаратное подключение беспроводного модуля.

Рис. 3. ЖК-интерфейс демонстрационной платы NiceRF DEMO.
| Режим работы | Описание |
| Обычный запуск (основной режим) | Пакет данных передается периодически. После успешной передачи пакета данных загорается красный свет, и данные переключаются в режим приема. После получения ответного сигнала загорается синий свет, а на ЖК-дисплее отображается количество переданных и полученных пакетов данных. |
| Нормальный прием (ведомый режим) | Получите пакет данных, получите правильный синий свет, а затем передайте правильно полученный пакет данных. После успешной передачи загорается красный свет, а на ЖК-дисплее отображается количество полученных и переданных пакетов данных. |
| Часто запускать (тест на выбросы) | Модуль находится в нормальном состоянии передачи, горит красный свет, количество пакетов не отображается. |
| Частый прием (прием теста) | Модуль находится в нормальном состоянии приема, и соответствующий вывод выводит полученный сигнал в режиме реального времени, а количество полученных пакетов не подсчитывается. |
| Спать | Радиочастотный модуль находится в спящем состоянии и в этом состоянии может тестировать статическое энергопотребление. |
Таблица 2: Рабочий режим демонстрационной платы NiceRF DEMO
| Номер контакта | Имя контакта | Описание |
| 1 | Земля | Земля |
| 2 | НСС_КОНФИГ | SPI CONFIG включить |
| 3 | НСС_ДАННЫЕ | Включение данных SPI |
| 4 | МИСО | Вывод данных SPI |
| 5 | МОСИ | Ввод данных SPI |
| 6 | ССК | Вход синхронизации SPI |
| 7 | CLKOUT | Тактовый выход |
| 8 | ДАННЫЕ | Ввод и вывод данных NRZ (непрерывный режим) |
| 9 | IRQ_0 | Прерывание вывода |
| 10 | IRQ_1 | Прерывание вывода |
| 11 | PLL_LOCK | PLL Lock обнаруживает выход |
| 12 | ВКК | Положительный источник питания |
| 13 | Земля | Антенное заземление |
| 14 | МУРАВЕЙ | Антенна |
Таблица 3. Определение контактов модуля NiceRF RF1212.
| № контакта. | Имя контакта | Описание |
| 1 | Земля | Силовое заземление |
| 2 | GPIO0 | Управляющий контакт переключателя передатчика подключен внутри модуля. |
| 3 | GPIO1 | Управляющий контакт переключателя передатчика подключен внутри модуля. |
| 4 | GPIO2 | Подключитесь напрямую к выводу GPIO2 чипа. |
| 5 | ВКК | Положительный источник питания 3,3 В. |
| 6 | СДО | Цифровой выход 0~VDD V обеспечивает функцию последовательного считывания во внутренний регистр управления. |
| 7 | СОИ | Последовательный ввод данных. Цифровой вход 0~VDD В. Этот вывод представляет собой 4-проводную шину последовательного потока данных. |
| 8 | СКЛК | Последовательный тактовый вход. Цифровой вход 0~VDD В. Этот вывод обеспечивает функцию синхронизации 4-проводной последовательной передачи данных. |
| 9 | nSEL | Последовательный интерфейс выбирает входной контакт. Цифровой вход 0~VDD В. Этот вывод обеспечивает функцию выбора/включения 4-проводной последовательной шины данных. Этот сигнал также используется для указания режима пакетного чтения/записи. |
| 10 | nIRQ | Прерывание вывода |
| 11 | SDN | Контакт включения чипа. Цифровой вход 0~VDD В. SDN=0 во всех режимах, кроме режима выключения. При SDN=1 чип полностью отключится и содержимое регистра будет потеряно. |
| 12 | Земля | Силовое заземление |
| 13 | Земля | Силовое заземление |
| 14 | МУРАВЕЙ | Подключение с помощью коаксиальной антенны сопротивлением 50 Ом. |
Таблица 4: Определение контактов модуля NiceRF RF4432PRO
Передача и прием беспроводных сигналов — это процесс модуляции и демодуляции сигналов. Независимо от того, обмениваются данными одни и те же или разные беспроводные модули, разница в параметрах модуляции, таких как формат модуляции, скорость и частота модуляции, смещение частоты и полоса приема передающей и приемной частей, приведет к невозможности связи между беспроводными модулями.
3.1 Тайминг управления шиной SPI
Связь между модулями RF4432PRO и RF1212 и микроконтроллером заключается в том, что RF-модуль передает беспроводные сигналы в соответствии с командами управления и данными, записанными микроконтроллером, через шину SPI, а полученные данные и собственную сопутствующую информацию передает микроконтроллеру через Автобус СПИ. Синхронизация SPI Si4432 и SX1212 немного отличается.

Рисунок 4. Время записи SPI чипа Si4432.

Рисунок 5: Время записи SPI чипа SX1212.
3.2 Тестовый режим
Демо-платы DEMO беспроводных модулей RF4432PRO и RF1212 от NiceRF имеют два режима тестирования: всегда включенный и всегда выключенный, что удобно для отладки программ. В тестовом режиме микросхема SX1212 работает в режиме Continuous, а Si4432 — в режимах Burst записи и Burst read. Общей точкой модулей RF4432PRO и RF1212 в режиме тестирования демонстрационной платы DEMO является то, что данные передаются непрерывно, и полученную форму сигнала в реальном времени можно увидеть на соответствующем выводе.

Рисунок 6. Режим пакетной записи Si4432.

Рис. 7. Непрерывный режим SX1212.
3.3 Нормальный режим
Обычные режимы приемопередатчика демонстрационных плат DEMO беспроводных модулей NiceRF RF4432PRO и RF1212 работают в режиме PH+FIFO Si4432 и пакетном режиме SX1212 соответственно.
И Si4432, и SX1212 оснащены 64-байтовым FIFO и соответствующими функциями обработки пакетов данных. В этом режиме чип автоматически добавляет и определяет преамбулу, слово синхронизации, контрольную сумму и т. д., а также указывает состояние связи через прерывание, что значительно облегчает процесс связи. Для связи в обычном режиме необходимо убедиться, что настройки формата пакетов данных двух модулей связи абсолютно одинаковы, иначе чип не сможет сгенерировать прерывание.

Рис. 8. Формат пакета Si4432.

Рисунок 9: Формат пакета SX1212.
3.4 Резюме
В таблице 5 сравнивается формат пакетов чипов Si4432 и SX1212 . Можно обнаружить, что пакет данных Si4432 состоит из еще двух частей: заголовка и длины данных, а остальные в основном такие же. Чтобы убедиться, что два чипа могут обмениваться данными, установите формат пакета тестовых данных, как показано в Таблице 6.

Таблица 5: Сравнение форматов пакетов Si4432 и SX1212

Таблица 6: Формат тестового пакета
Радиочастотные параметры, используемые в системной связи, установлены как: частота приемопередатчика 423,0 МГц, сдвиг частоты 50 кГц и скорость радиочастотного сигнала: 1,2 Кбит/с. Формат отправленных данных показан в Таблице 6 выше.
Чтобы убедиться, что оба беспроводных модуля si4432 и sx1212 могут работать правильно и предоставлять эталонные сигналы, сначала разрешите этим модулям обмениваться данными в обычном режиме демонстрационной платы DEMO в этой настройке.
4.1 Сравнение сигналов приема и передачи
Пакетный режим данных не способствует отладке программы, поскольку чип автоматически обрабатывает данные и лишь отображает результат. Поэтому мы используем режим тестирования демонстрационной платы Shenzhen Siwei Wireless Technology Co., Ltd. и внешние контакты, чтобы оценить качество связи, синхронно наблюдая за наиболее интуитивным способом отправки и получения сигналов.
Сначала проверьте связь, передаваемую модулем RF1212 и принимаемую модулем RF4432PRO.
Установите GPIO2 RF4432PRO в качестве выхода функции вывода данных Rx и установите режим трансивера RF1212 в непрерывный режим, чтобы полученные и передаваемые данные могли выводиться с контактов GPIO2 и DATA в реальном времени. Используйте логический анализатор для одновременного наблюдения за формами сигналов, передаваемых и принимаемых модулями RF1212 и RF4432PRO, и проведения соответствующих сравнений. Как показано на рисунке 10, можно обнаружить, что для каждой формы сигнала передачи существует соответствующая форма сигнала приема, что доказывает, что RF4432PRO принимает данные, передаваемые RF1212.

Рис. 10. Тестовые сигналы передачи RF1212 и приема RF4432 на частоте 423 МГц, 1,2 Кбит/с, сдвиге частоты 50 кГц.
Увеличьте масштаб сигнала и наблюдайте за каждым приемным сигналом, как показано на рисунке 11, и обнаружите, что каждый приемный сигнал RF4432PRO имеет различную деформацию по сравнению с формой отправляющего сигнала RF1212. Решение может заключаться в том, что разница в чипе может привести к неправильному сигналу демодуляции при некоторых радиочастотных параметрах.

Рис. 11. Два набора сигналов, отправленных RF1212 и полученных RF4432 на частоте 423 МГц, 1,2 Кбит/с, сдвиге частоты 50 кГц.
Сначала настройте скорость передачи данных модулей RF4432PRO и RF1212 на 2,4 Кбит/с. Обнаружено, что сигналы отправки RF1212 и приема RF4432 относительно согласованы, частично искажены, как показано на рисунке 12.

Рис. 12. Сигналы передачи RF1212 и приема RF4432 при частоте 423 МГц, 2,4 Кбит/с, сдвиге частоты 50 кГц.
Чтобы повысить точность формы сигнала, скорость передачи данных модулей RF4432PRO и RF1212 увеличена до 9,6 Кбит/с, и обнаружено, что формы сигналов отправки RF1212 и приема RF4432 совпадают.

Рис. 13. Сигналы передачи RF1212 и приема RF4432 при частоте 423 МГц, 9,6 Кбит/с, сдвиге частоты 50 кГц.
Если скорость передачи данных модулей RF4432PRO и RF1212 невозможно отрегулировать для получения согласованных сигналов, вы можете попытаться настроить радиочастотные параметры, такие как частота модуляции, смещение частоты и полоса пропускания модулей RF4432PRO и RF1212. Например, если смещение частоты модулей RF4432PRO и RF1212 настроено на 20 кГц, согласованные формы сигналов передачи и приема могут быть получены даже при скорости передачи 1,2 Кбод.

Рис. 14. Осциллограммы передачи RF1212 и приема RF4432 при частоте 423 МГц, 1,2 Кбит/с и сдвиге частоты 20 кГц.
4.2 Прием в пакетном режиме
Модуль RF4432PRO получает ту же форму сигнала, что и модуль RF1212, поэтому сохраните радиочастотные параметры и установите рабочий режим демонстрационной платы NiceRF DEMO в нормальный режим, чтобы проверить, можно ли прервать работу чипа. Как показано на рисунке 15, Si4432 генерирует прерывание приема. Продолжайте отправку в течение определенного периода времени и убедитесь, что потери пакетов нет.

Рис. 15. Прием в непрерывном режиме RF1212 и пакетном режиме RF4432, 423 МГц, 9,6 Кбит/с, 50 кГц, сдвиг частоты.
Если прерывания приема нет, вы можете выяснить проблему, сравнив разницу между формами сигналов приема приемного модуля и того же модуля, который может нормально обмениваться данными. Как показано на рисунке 16, сравнение полученной формы сигнала, переданного RF1212, и формы сигнала, переданного RF4432PRO, обнаруживает, что форма сигнала передачи RF1212 прервана и пропущена часть, и считается, что слово синхронизации пакета данных неверно.

Рис. 16. Форма сигналов передачи RF1212 и RF4432, 423 МГц, 9,6 Кбит/с, 50 кГц, сдвиг частоты.
4.3 Общая блок-схема

Рис. 17. Блок-схема отладки связи RF4432PRO и RF1212.
5.1 Аппаратные результаты
RF1212 работает в обычном режиме передачи демонстрационной платы NiceRF DEMO, а RF4432PRO работает в обычном режиме приема демонстрационной платы DEMO. На экране отображается количество отправленных и полученных пакетов. Как показано на рисунке 18, после отправки в течение определенного периода времени потери пакетов не происходит.

Рис. 18. Физическая схема связи RF4432PRO (слева) и RF1212.
5.2 Результаты программного обеспечения
На рисунке 19 4432_IRQ — это контакт прерывания RF4432PRO, а RF1212_IRQ0 и RF1212IRQ1 — это контакты прерывания приема и передачи RF1212 соответственно. Видно, что каждому прерыванию передачи соответствует соответствующее прерывание приема.

Рис. 19. Прерывание связи RF4432PRO и RF1212.
Ключ к эксперименту лежит в начальной части настроек модулей RF4432PRO и RF1212, а остальные соответствуют процедурам связи между одними и теми же модулями. Связь между модулями RF4432PRO и RF1212 может быть реализована путем непосредственной замены следующих тестируемых кодов инициализации модулей RF4432PRO и RF1212 в программу связи. Полную программу испытаний, использованную в этом эксперименте, можно найти в ДЕМО-КОДЕ RF4432 и ДЕМО-КОДЕ RF1212 на официальном сайте NiceRF.
6.1 Пример инициализации RF4432PRO
недействительный SI4432_init (недействительный)
{
ItStatus1 = spi_rw(0x03,0x00); // clr коэффициент радиочастотного прерывания
ItStatus2 = spi_rw(0x04,0x00);
SpiWriteCfg(0x06|0x80, 0x00); // Установка радиочастотного прерывания
SpiWriteCfg(0x07|0x80, SI4432_PWRSTATE_READY); // вход в режим готовности
SpiWriteCfg(0x09|0x80, 0x7f); // предел нагрузки = 12P
SpiWriteCfg(0x0a|0x80, 0x05); // вывод набора clk
SpiWriteCfg(0x0b|0x80,0x1f);
SpiWriteCfg(0x0c|0x80,0x1f);
SpiWriteCfg(0x0d|0x80, 0xf4); // GPIO 2 = данные приема
SpiWriteCfg(0x70|0x80, 0x2c);
SpiWriteCfg(0x1d|0x80, 0x40); // включаем АФК
// настройка 9,6 Кбит/с
SpiWriteCfg(0x1c|0x80,0xab); // согласно Excel от Silabs
SpiWriteCfg(0x20|0x80,0x39);
SpiWriteCfg(0x21|0x80,0x20);
SpiWriteCfg(0x22|0x80,0x68);
SpiWriteCfg(0x23|0x80,0xdc);
SpiWriteCfg(0x24|0x80,0x00);
SpiWriteCfg(0x25|0x80,0x2a);
SpiWriteCfg(0x2a|0x80,0x24);
SpiWriteCfg(0x72|0x80,0x50);
SpiWriteCfg(0x6e|0x80,0x4e);
SpiWriteCfg(0x6f|0x80,0xa5);
//окончание настройки 9,6Кбит/с
SpiWriteCfg(0x30|0x80, 0x88); // включаем PH+ FIFO, отключаем crc, старший бит
SpiWriteCfg(0x32|0x80,0x00);
SpiWriteCfg(0x33|0x80,0x02); // длина пакета не учитывается
SpiWriteCfg(0x34|0x80, 16); // преамбула = 16 полубайтов
SpiWriteCfg(0x35|0x80, 0x2a); // обнаружение преамбулы = 2a бит
SpiWriteCfg(0x36|0x80,'); // слово синхронизации = 0x7377
SpiWriteCfg(0x37|0x80,'w');
SpiWriteCfg(0x3e|0x80, 10); // длина полезной нагрузки = 10
SpiWriteCfg(0x43|0x80,0x00);
SpiWriteCfg(0x44|0x80,0x00);
SpiWriteCfg(0x45|0x80,0x00);
SpiWriteCfg(0x46|0x80,0x00); // отключаем заголовок 3 2 1 0
SpiWriteCfg(0x6d|0x80, 0x07); // максимальная выходная мощность
SpiWriteCfg(0x79|0x80, 0x0); // не хоп
SpiWriteCfg(0x7a|0x80, 0x0); // не хоп
SpiWriteCfg(0x71|0x80, 0x22); // FiFo, FSK, clk не нужен
SpiWriteCfg(0x72|0x80, 0x50); // отклонение: 50 кГц
SpiWriteCfg(0x73|0x80, 0x0); // нет смещения частоты
SpiWriteCfg(0x74|0x80, 0x0); // нет смещения частоты
SpiWriteCfg(0x75|0x80,0x52);
SpiWriteCfg(0x76|0x80,0x4b);
SpiWriteCfg(0x77|0x80,0x00); // частота: 423 МГц
}
6.2 Пример инициализации RF1212
недействительный sx1212_init (недействительный)
{
SPI_nss_cfg=1; // инициализация spi
SPI_nss_dat=1;
SPI_mosi=1;
SPI_sck=0;
SetRFMode(RF_SLEEP);
SpiWriteCfg(((0x00<<1)&0x3E),0x0c); // Полоса частот между 400 МГц и 440 МГц
SpiWriteCfg(((0x01<<1)&0x3E),0xa0); // FSK, пакетный режим
SpiWriteCfg(((0x02<<1)&0x3E),0x07); // Fоткл=50кГц
SpiWriteCfg(((0x03<<1)&0x3E),0x16);
SpiWriteCfg(((0x04<<1)&0x3E),0x1c); // битрейт=9,6кбит/с
SpiWriteCfg(((0x06<<1)&0x3E),0x77); // Частота=423,0 МГц
SpiWriteCfg(((0x07<<1)&0x3E),0x2e);
SpiWriteCfg(((0x08<<1)&0x3E),0x00);
SpiWriteCfg(((0x0c<<1)&0x3E),0xc5); // Размер FIFO = 64 байта
SpiWriteCfg(((0x10<<1)&0x3E),0xa3); // Пассивный фильтр RX = 378 кГц
SpiWriteCfg(((0x11<<1)&0x3E),0x38); // Центральная частота многофазного фильтра=100кГц
SpiWriteCfg(((0x12<<1)&0x3E),0x28); // SyncByte = 2 байта
SpiWriteCfg(((0x16<<1)&0x3E),0x73); // SyncByte1= 0x73
SpiWriteCfg(((0x17<<1)&0x3E),0x77); // SyncByte2= 0x77
SpiWriteCfg(((0x1a<<1)&0x3E),0x72); // Частота среза фильтра интерполяции Tx = 200 кГц, мощность передачи = 9,5 дБм
SpiWriteCfg(((0x1b<<1)&0x3E),0x00); // отключаем выход CLK
SpiWriteCfg(((0x1c<<1)&0x3E),0x0b); // размер пакета = 11 байт
SpiWriteCfg(((0x1e<<1)&0x3E),0x60); // нет CRC
}
В этом документе описан подробный процесс реализации, аппаратный интерфейс и пример программы связи между беспроводными модулями NiceRF RF4432PRO и RF1212, которые проверены экспериментами. Основным методом реализации связи является установка одних и тех же радиочастотных параметров и формата данных для RF4432PRO и RF1212. Этот метод также можно распространить на связь с другими различными беспроводными модулями и беспроводными чипами. Если вы столкнулись с различными экспериментальными явлениями из текста, у вас есть вопросы об экспериментальном процессе или другие идеи, пожалуйста, свяжитесь с нами.
+86-755-23080616
sales@nicerf.com
Сайт: https://www.nicerf.com/ .
Адрес: 309-314, 3/F, корпус A, деловое здание Хунду, зона 43, район Баоань, Шэньчжэнь, Китай
политика конфиденциальности
· Политика конфиденциальности
В настоящее время нет доступного контента
Электронная почта: sales@nicerf.com
Тел:+86-755-23080616