Связаться с нами
| Параметр | Мин. | ТП | Макс | Единица | Состояние |
| Условия эксплуатации | |||||
| Напряжение питания | 1.8 | 3.3 | 3.6 | В | |
| Диапазон рабочих температур | -40 | 25 | 85 | ℃ | |
| Текущее потребление | |||||
| Ток эмиссии | 6.8 | 8 | мА | @3.3В | |
| Получать ток | 2.9 | мА | @3.3В | ||
| ток сна | 0,26 | мА | |||
| Специальная функция | Ант+ |
| Сообщения конфигурации | ||
| Отменить назначение канала | Назначить канал | Установить идентификатор канала |
| Период обмена сообщениями по каналу | Тайм-аут поиска канала | Частота радиочастотного канала |
| Установить сетевой ключ | Мощность передачи | Поиск формы волны |
| Добавить идентификатор канала в список | Добавить идентификатор шифрования в список | Список идентификаторов конфигураций |
| Список идентификаторов шифрования конфигурации | Установить мощность передачи канала | Тайм-аут поиска с низким приоритетом канала |
| Включить расширенные сообщения | Конфигурация библиотеки | Перестройка частоты |
| Поиск по близости | Приоритет поиска каналов | Настроить расширенный пакет |
| Настроить фильтр событий | Настройте выборочные обновления данных | Установить маску выборочного обновления данных (SDU) |
| Включить одноканальное шифрование | Установить ключ шифрования | 1.27 Установить информацию о шифровании |


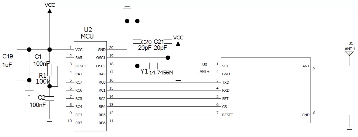
Номер контакта | Имя пин-кода | Описание |
| 1 | ВКЦ | Мощность положительная |
| 2 | Земля | Силовое заземление |
| 3 | TXD | Последовательный TXD |
| 4 | РХД | Последовательный RXD |
| 5 | НАБОР | Введите контрольный вывод режима DFU (обновление прошивки), потяните этот вывод на низкий уровень, а затем подайте низкий импульс на вывод RESET, и модуль войдет в режим DFU после перезапуска. Потяните или оставьте этот вывод неподключенным, включение питания или сброс перейдут в нормальный рабочий режим. |
| 6 | КС | Штифт управления спящим режимом, потяните модуль CS вниз, чтобы перевести его в спящий режим, потяните его вверх или поднимите, чтобы модуль работал в обычном режиме |
| 7 | ПЕРЕЗАГРУЗИТЬ | Потяните этот контакт на низкий уровень, чтобы сбросить модуль, потяните его на высокий уровень или оставьте плавающим, модуль будет работать нормально. |
| 8 | Земля | Силовое заземление |
| 9 | МУРАВЕЙ | Интерфейс антенны |

политика конфиденциальности
· Политика конфиденциальности
В настоящее время нет доступного контента
Электронная почта: sales@nicerf.com
Тел:+86-755-23080616