Связаться с нами
| Мин. | Тип. | Макс. | Единица | Состояние | |
| Рабочее состояние | |||||
| Диапазон напряжения | 1.8 | 3.3 | 3.7 | В | |
| Рабочая температура | -40 | 25 | +85 | ℃ | |
| Текущее потребление | |||||
| Ток Rx | <8 | мА | уровень ТТЛ | ||
| Ток передачи | < 110 | мА | |||
| ток сна | < 5 | uA | |||
| Параметры РЧ | |||||
| Диапазон частот | 414.92 | 433.92 | 453.92 | МГц | @433MHz |
| 470,92 | 490,92 | 509.92 | МГц | @490MHz | |
| 849.92 | 868.92 | 888.92 | МГц | @868MHz | |
| 895.92 | 914.92 | 934.92 | МГц | @915MHz | |
| Скорость передачи данных | 1312 | 62500 | бит/с | @LoRa | |
| Выходная мощность | 1 | +22 | дБм | Программное обеспечение уровня 7 регулируемое | |
| Чувствительность | -129 | дБм | @1.3Кбит/с | ||
| Интерфейс | ТТЛ |
| Сеть | СЕТКА |
| Частота | 433 МГц,470 МГц,868 МГц,915 МГц |
| Модуляция | Лора |
| Выходная мощность | 160 мВт |


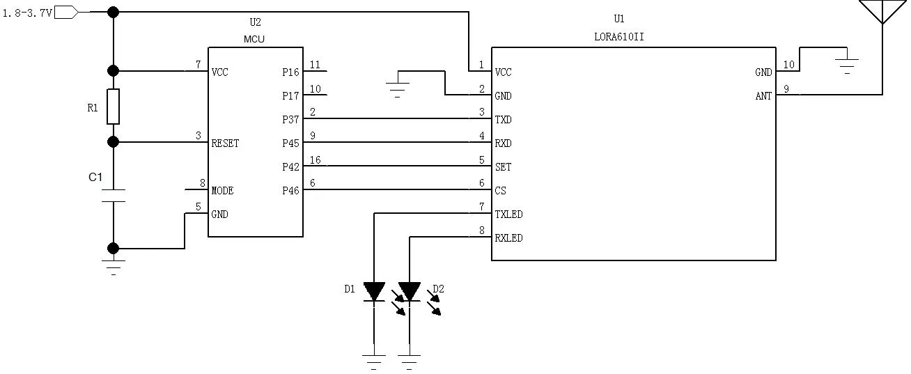
| НЕТ. | ПРИКОЛОТЬ | Описание |
| 1 | ВКЦ | Подключить к положительному полюсу источника питания (внешнее напряжение 1,8-3,7 В) |
| 2 | Земля | Подключиться к заземлению |
| 3 | TXD | Последовательная передача данных |
| 4 | RXD | Последовательный прием данных связи |
| 5 | НАБОР | Режим настройки включается при высоком уровне сигнала CS (0: режим настройки, 1: нормальный рабочий режим) |
| 6 | CS | 0: Рабочий режим, 1: Спящий режим. Нормальная связь при низком уровне заряда; при высоком уровне заряда или плавающем переходе в спящий режим, ток в спящем режиме <5 мкА. |
| 7 | TXLED | Светодиодный индикатор. Светодиод мигнет один раз при отправке одного пакета. |
| 8 | RXLED | Светодиодный индикатор. Светодиод мигнет один раз при получении одного пакета. |
| 9 | МУРАВЕЙ | подключиться к антенне 50 Ом |
| 10 | Земля | Заземление антенны |

политика конфиденциальности
· Политика конфиденциальности
В настоящее время нет доступного контента
Электронная почта: sales@nicerf.com
Тел:+86-755-23080616