Связаться с нами
| Параметры | Состояние | Мин. | Тип. | Макс | Единица |
| Источник питания | 3.3 | 4.0 | 5 | В | |
| Рабочая температура | -20 | 25 | 60 | ℃ | |
| Диапазон частот | @УВЧ | 400 | 470 | МГц | |
| @VHF | 134 | 174 | МГц | ||
| @350 | 320 | 400 | МГц | ||
| Скорость последовательной передачи данных | 57600 | бит/с | |||
| Текущее потребление | |||||
| ток сна | @CS упал на 3 секунды | < 1 | мА | ||
| Ток RX | < 165 | мА | |||
| Ток передачи (высокая мощность)-DMR | @VCC=4,2 В, 2 Вт | 400-1200 | мА | ||
| Ток передачи (низкая мощность)-DMR | @VCC=4,2 В, 0,5 Вт | 200-600 | мА | ||
| Ток передачи (высокая мощность) - аналоговый | @VCC=4,2 В, 2 Вт | < 1300 | мА | ||
| Ток передачи (низкая мощность) - аналоговый | @VCC=4,2 В, 0,5 Вт | < 700 | мА | ||
| Аналоговые параметры Rx | |||||
| Чувствительность Rx (аналоговая) | @12dB SINAD | -120 | дБм | ||
| Серийный номер | @отклонение 1,5 тыс. | 40 | дБ | ||
| Селективность по соседним каналам | Смещение 12,5 кГц | 62 | дБ | ||
| Подавление интермодуляции | Смещение 12,5 кГц | 63 | дБ | ||
| Блокирование иммунитета | Интервал частот помех > 1M | 88 | дБ | ||
| амплитуда звука (линейный выход) | F0=1КГц | 0,2 | 130 | 460 | мВ |
| выходное сопротивление звука (SPK) | 8 | Ом | |||
| Искажение звука | F0=1КГц | 5 | % | ||
| Аудио ответ | 300 Гц | 8 | дБ | ||
| 500 Гц | 6 | ||||
| 1 кГц | 0 | ||||
| 2 кГц | -6 | ||||
| 3 кГц | -12 | ||||
| Параметры DMR Rx | |||||
| BER (режим DMR) | @ -117 дБм | 4 | % | ||
| Селективность по соседнему каналу (ACS) | Смещение: +12,5 кГц | 60 | дБ | ||
| Смещение: -12,5 кГц | |||||
| Подавление интермодуляции | Смещение: +50/100 кГц | 63 | дБ | ||
| Смещение: -50/100 кГц | |||||
| Блокирование иммунитета | Смещение: +/-1 МГц | 87 | дБ | ||
| Смещение: +/-5 МГц | |||||
| Параметры аналогового передатчика | |||||
| Максимальное отклонение частоты | Девиация 12,5 кГц (N) | 2.2 | 2.5 | КГц | |
| Девиация 25 кГц (Вт) | 4.5 | 5 | КГц | ||
| Чувствительность | девиация: 1,5 кГц/2,5 кГц | 4 | 7 | 10 | мВ |
| Искажение звука | девиация: 1,5 кГц/2,5 кГц | 1 | 5 | % | |
| Характеристика модуляции | 300 Гц | -13 | -11 | -9 | дБ |
| 500 Гц | -9 | -6 | -5 | дБ | |
| 1 кГц | -3 | 0 | 1 | дБ | |
| 2 кГц | 3 | 6 | 7 | дБ | |
| 3 кГц | 3 | 7 | 11 | дБ | |
| отклонение CTCSS | 350 | 400 | 600 | Гц | |
| выходная мощность соседнего канала | Смещение 12,5 кГц | -63 | -65 | дБн | |
| СНС | 1,5 кГц/2,5 кГц | 38 | 40 | 50 | дБ |
| Параметры DMR Tx | |||||
| ошибка частоты | 0,5 | частей на миллион | |||
| 4FSK Tx BER | ≤1×10-4 | ||||
| выходная мощность соседнего канала | +/-12,5 кГц | ≤-55 | дБ | ||
| выходная мощность следующего соседнего канала | +/-25 кГц | ≤-65 | дБ | ||
| Тип | рация DMR |
| Выходная мощность | 2W |
Модуль рации DMR
Невидимая система внутренней связи
Система безопасности здания
Система аудионаблюдения



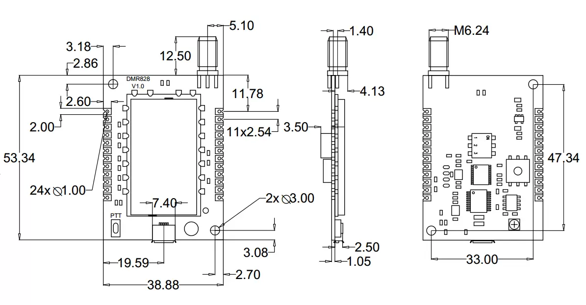
| НОМЕР ПИН-КОДА | Имя пин-кода | Ввод/вывод | Описание |
| 1 | ВКЦ | VCC (3–5 В) | |
| 2,4 | Земля | Земля | |
| 3 | CS | я | 0: Спящий режим; 1: Работа (высокий уровень или оставить открытым) |
| 5 | ПТТ | я | 0: Передача, 1: Прием |
| 6 | ЛИНЕЙНЫЙ_ВЫХОД | О | Аудиовыход без усилителя |
| 7 | 8 | я | Выбор частотного канала (16 каналов) |
| 8: максимальный бит, | |||
| 4: 3-й бит, | |||
| 2: 2-й бит; | |||
| 1: самая малость например: | |||
| 8421 кодировка: | |||
| 0000: канал 0, | |||
| 0001: канал 1 | |||
| 0010: канал 2 | |||
| 8 | 4 | 0011 :канал 3 | |
| 9 | 2 | … | |
| 10 | 1 | 1111 : канал 15 | |
| 11 | СПКН | Аудиовыход, подключение к динамику 8 Ом 2 Вт | |
| 12 | СПКП | ||
| 13,15,17,24 | Земля | Земля | |
| 14 | СПКЕН | О | Индикатор действительного сигнала: 1: сигнал есть, 0: нет действительного сигнала. Этот вывод можно использовать для управления внешним усилителем голоса. 1: включен, 0: выключен. |
| 16 | MIC_IN | Микрофонный или линейный вход | |
| 18 | UART-TX | О | TXD модуля и подключение к внешнему RXD |
| 19 | UART-RX | я | RXD модуля и подключение к внешнему TXD |
| 20,21 | NC | ||
| 22 | HST_TXD | Сдержанный | Последовательный порт для отправки данных (для обновления программы) |
| 23 | HST_TXD | Сдержанный | Последовательный порт, принимающий контакт данных (для обновления программы) |

политика конфиденциальности
· Политика конфиденциальности
В настоящее время нет доступного контента
Электронная почта: sales@nicerf.com
Тел:+86-755-23080616