Связаться с нами
★ Примечание:На высоком уровне контакты имеют напряжение 3,3 В.
| Параметр | Условие теста | Мин. | Тип | Макс. | Единица |
| Диапазон рабочего напряжения | -- | 3.3 | 8 | 9 | В |
| Диапазон рабочих температур | -- | -30 | 20 | 70 | ℃ |
| Потребляемая мощность | |||||
| Спящий ток | -- | -- | ≤3 | uA | |
| ток RX | -- | -- | 60 | мА | |
| Ток передачи (высокая выходная мощность) | @8v, 424.75MHz | 1400 | 1500 | мА | |
| Ток передачи (низкая выходная мощность) | 850 | 900 | мА | ||
| Ток передачи (высокая выходная мощность) | @4V, 424,75MHz | 1100 | 1150 | мА | |
| Ток передачи (низкая выходная мощность) | 650 | 700 | мА | ||
| Параметр частоты передачи | |||||
| Диапазон рабочих частот | УВЧ | 400 | 450 | 480 | МГц |
| УКВ | 134 | 150 | 174 | МГц | |
| Ток передачи (высокая выходная мощность) | @VCC=4,0 В | 30 | 31 | 32 | дБм |
| Ток передачи (низкая выходная мощность) | 26 | 27 | 28 | дБм | |
| Ток передачи (высокая выходная мощность) | @VCC=8,0 В | 35 | 36 | 36,5 | дБм |
| Ток передачи (низкая выходная мощность) | 30,5 | 31.5 | 32 | дБм | |
| Частота модуляции | при девиации частоты 1,5 кГц/2,5 кГц | 10 | мВ | ||
| Искажение модуляции звука | @1,5КГц/2,5КГц отклонение частоты | -- | 2 | 5 | % |
| Соотношение сигнал/шум | при девиации частоты 1,5 кГц/2,5 кГц | 38 | 40 | 45 | дБм |
| Соотношение соседних каналов | @смещение 12,5 тыс. | -- | -60 | дБн | |
| Частота модуляции CTCSS | 0,35 | 0,5 | 0,75 | КГц | |
| Параметр частоты RX | |||||
| Чувствительность приемника | Выходной аудиосигнал 13 дБ | -- | -124 | -- | дБм |
| RX SNR | При отклонеии частоты 1,5 кГц | 45 | 50 | -- | дБ |
| Выходная мощность звука | -- | -- | 2 | -- | В |
| Выходное аудиосопротивление | -- | -- | 8 | -- | Ом |
| Тип | Аналоговая рация |
| Выходная мощность | 1 Вт, 4 Вт |
Диапазон УКВ 134~174 МГц
(2 полосы частот опциональны)


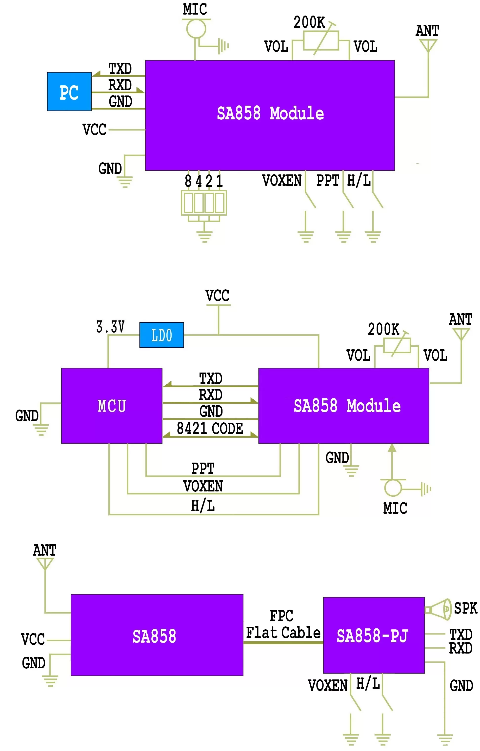
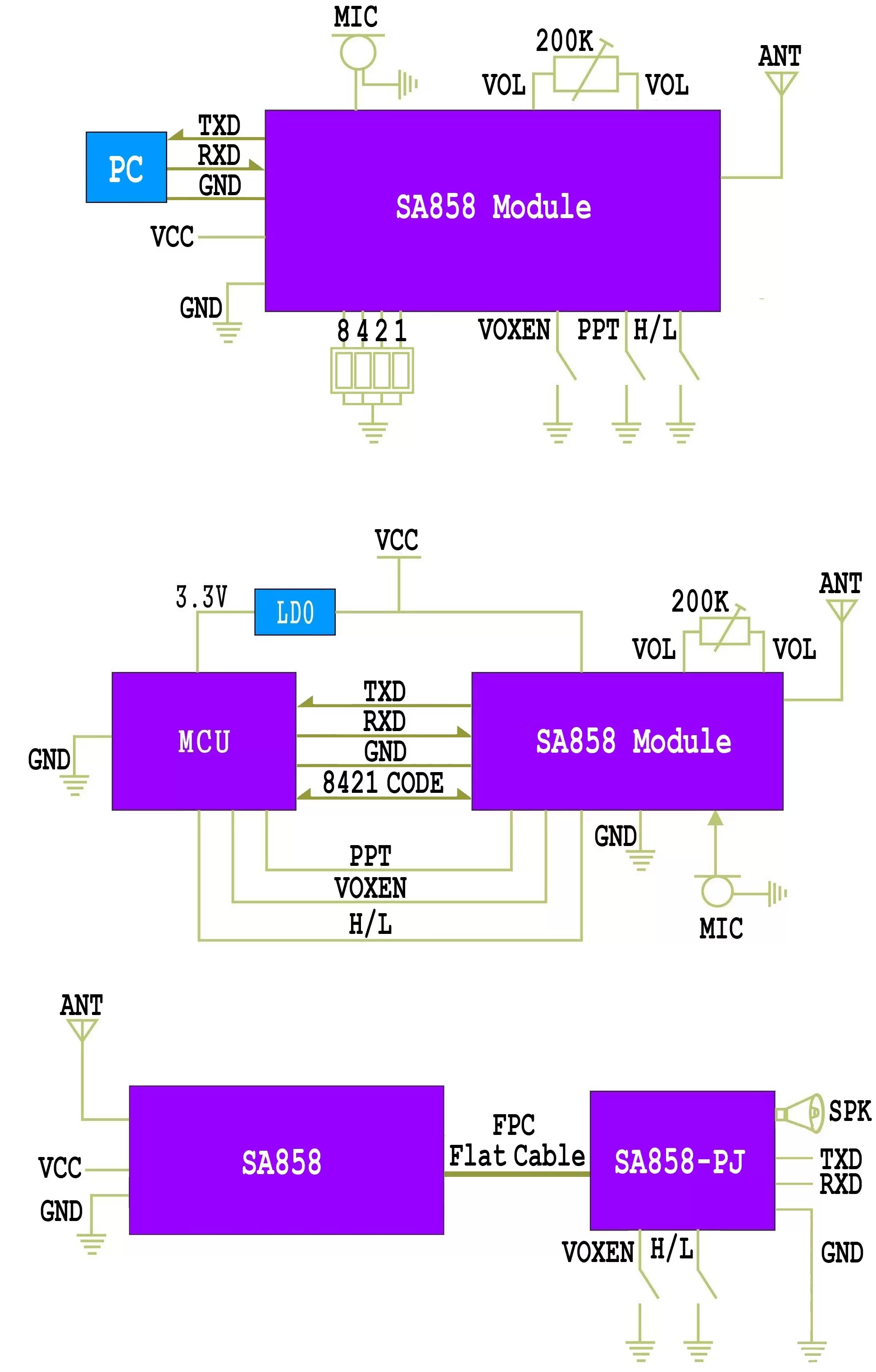
| Номер контакта | Имя пин-кода | Описание |
| 1 | МИК+ | Подключите положительный контакт внешнего микрофона |
| 2 | Земля | Подключите отрицательный провод внешнего микрофона или заземление питания. |
| 3 | СПК/ОБЪЕМ | Вечное подключение 8 Ом и 2 Вт динамика и электронное оборудование для регулировки громкости |
| 4 | СПК | Выходной аудиоконтакт, внешнее подключение 8 Ом и динамик 2 Вт |
| 5 | В/Л | Контакты высокой и низкой мощности RF, подключение «0» - низкая мощность, выключение - высокая мощность |
| 6 | ОБЪЕМ | Регулировочный штифт громкости звука, внешнее подключение 200К регулируемого электронного оборудования |
| 7 | Земля | Внешнее подключение отрицательного питания |
| 8 | RXD | Последовательный порт приема данных |
| 9 | TXD | Последовательный порт отправки данных |
| 10 | ВОКСЕН | Контакт включения громкости: «0» — функция управления громкостью открыта, «1» — закрыта, по умолчанию «1» |
| 11 | ПТТ | Контакт управления отправкой/приемом: «0» — отправка; «1» — прием; по умолчанию — прием |
| 12 | 8 | Частота 16 каналов, код 8421, 8 бит, выход по умолчанию «1» |
| 13 | 4 | Частота 16 каналов, код 8421, 4 бита, выход по умолчанию «1» |
| 14 | 2 | Частота 16 каналов, код 8421, 2 бита, выход по умолчанию «1» |
| 15 | 1 | Частота 16 каналов, код 8421, бит №1, выход по умолчанию «1» |
| 16 | ПД | Модуль включен в спящий режим, «0» — спящий режим; «1» — нормальная работа, по умолчанию — нормальный рабочий режим |
| 17 | ВКЦ | Подключите положительную силу |
| 18 | Земля | Подключите отрицательную силу |
| 19, 21 | Земля | Подключите заземление антенны |
| 20 | МУРАВЕЙ | Выход РЧ-сигнала, внешнее подключение антенны 50 Ом |


политика конфиденциальности
· Политика конфиденциальности
В настоящее время нет доступного контента
Электронная почта: sales@nicerf.com
Тел:+86-755-23080616