Серия SA316S включает в себя модули передатчика SA316S-TX, SA316F30 и приёмника SA316S-RX. В этой серии используется микросхема беспроводной высококачественной передачи голоса. Она поддерживает внешние двухрежимные цифровые аудиоинтерфейсы PCM/IIS и предоставляет клиентам стандартизированный последовательный интерфейс. Пользователи могут быстро и легко настраивать частоту приёмопередатчика, громкость, усиление микрофона и другие параметры модуля с помощью команд последовательного порта, что широко используется в ситуациях, требующих высокого качества звука.
Параметр | Условия испытания | Мин . | Тип . | Макс . | Единица |
Диапазон рабочего напряжения | @SA316S-TX, SA316-RX | 2.8 | 3.3 | 3.6 | В |
@SA316F30 | 3.3 | 4.0 | 5.0 | ||
Диапазон рабочих температур | -20 | 25 | 60 | ℃ | |
Диапазон рабочих частот | @УВЧ | 500 | 540 | МГц | |
800 | 890 | МГц | |||
890 | 980 | МГц | |||
@VHF | 160 | 270 | МГц | ||
Задержка передачи и приема звука | 4 | РС | |||
Скорость передачи данных последовательного порта | 9600 | бит/с | |||
Потребление тока | |||||
Спатьток (SA316-RX) | <0,4 | мА | |||
ток сна | SA316S-TX | 5 | 10 | uA | |
| СА316Ф30 | < 1,6 | м А | |||
Приемный ток (SA316-RX) | @VCC=3,3 В | < 115 | м А | ||
Ток передачи (SA316S-TX) | @ Du ring Transmission | < 100 | мА | ||
@Не передаю | <54 | мА | |||
Ток передачи (SA316F30-TX) | @Во время передачи,5 В | < 700 | мА | ||
@ Не передает, 5 В | <60 | мА | |||
Параметр передачи | |||||
Мощность передачи | @SA316S-TX, VCC=3,3 В | 9 | 10 | 11 | дБм |
@SA316F30-TX, VCC=5,0 В | 29 | 30 | 31 | дБм | |
Ширина полосы излучения ( BW) | 300 | КГц | |||
Коэффициент мощности соседнего канала ( ACPR ) | @600КГц | -60 | дБн | ||
Максимальное входное напряжение микрофона | 0.1 | 1.0 | Vrms | ||
Диапазон звуковых частот | 30 | 20 тысяч | Гц | ||
Параметры получения | |||||
Чувствительность приема | -96 | дБм | |||
Амплитуда выходного аудиосигнала (дифференциальная) | 400 | мВср.кв. | |||
Сопротивление выходного аудиосигнала | 600 | Ом | |||
Соотношение сигнал/шум (SNR) | @1КГц | 86 | дБ | ||
Коэффициент гармонических искажений (THD) | @48KSampling Rate | 0,07 | % | ||
| Тип | Беспроводное аудио |
| Выходная мощность | 10 мВт |
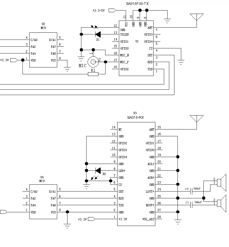
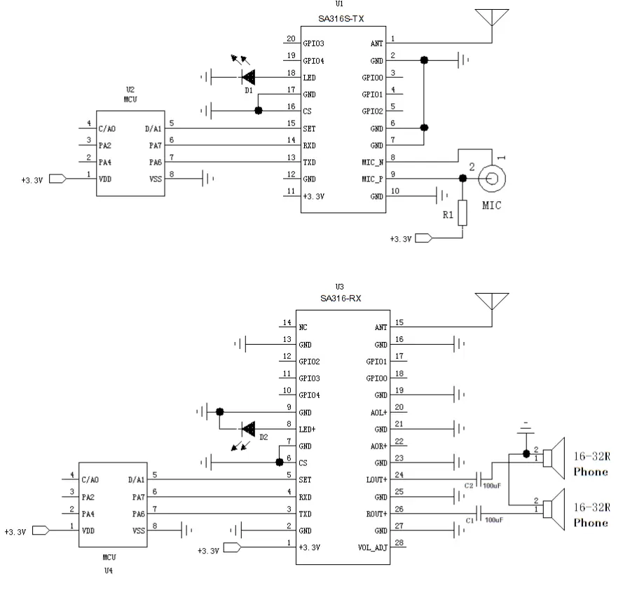
Схема применения аналогового ввода и аналогового вывода


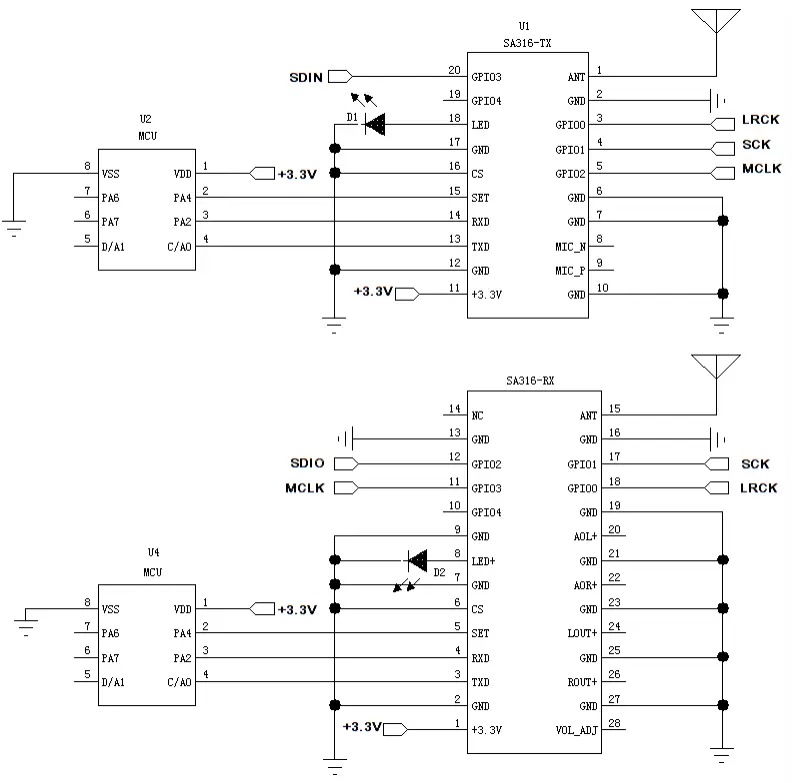
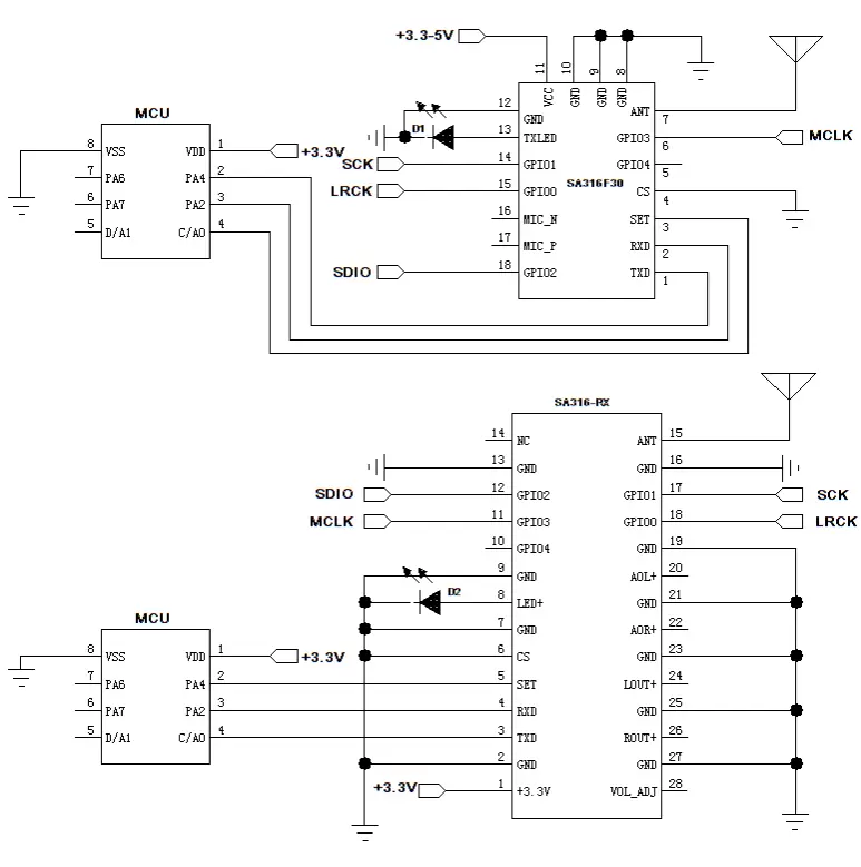
Схема ввода-вывода приложения IIS


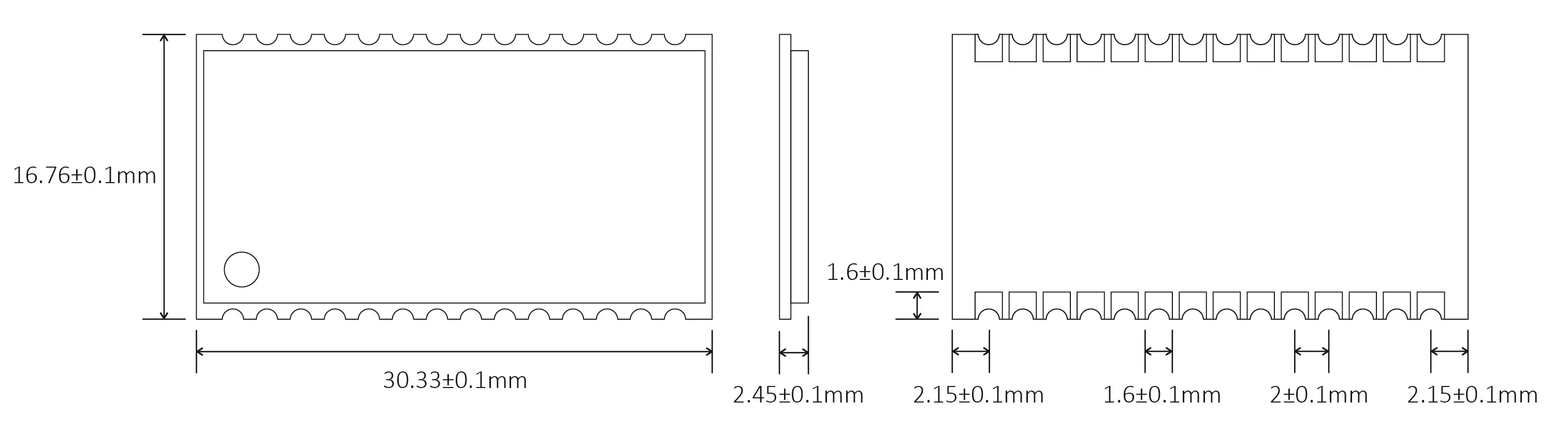
SA316-TX

| НОМЕР ПИН-КОДА | Имя пин-кода | Ввод/вывод | Стандартный уровень | Описание |
| 1 | МУРАВЕЙ | 0 | Выход РЧ-сигнала, подключение к антенне 50 Ом | |
| 2, 6, 7, 10, 12, 17 | Земля | 0 В | Подключите к отрицательному полюсу источника питания. | |
| 3 | GPIO0 | Ввод/вывод | 0-3,3 В | GPIO0 встроенного аудиочипа может быть настроен как LRCK при использовании режима I2S. |
| 4 | GPIO1 | Ввод/вывод | 0-3,3 В | GPIO1 встроенного аудиочипа может быть настроен как SCK при использовании режима I2S. |
| 5 | GPIO2 | Ввод/вывод | 0-3,3 В | GPIO2 встроенного аудиочипа может быть настроен как MCLK при использовании режима I2S. |
| 8 | MIC_N | я | Отрицательный конец входа микрофона можно оставить плавающим | |
| 9 | MIC_P | я | Положительный конец микрофонного входа (наилучший сигнал менее 300 мВэфф) | |
| 11 | ВКЦ | +3,3 В | Положительный вход питания (2,8–3,6 В, типичное значение 3,3 В) | |
| 13 | TXD | О | 0-3,3 В | Последовательный вывод данных |
| 14 | RXD | я | 0-3,3 В | Последовательный ввод данных |
| 15 | НАБОР | я | 0-3,3 В | Функция временно зарезервирована |
| 16 | CS | я | 0-3,3 В | Контакт спящего режима модуля (низкий уровень работы, высокий уровень сна) |
| 18 | ВЕЛ | О | 0-3,3 В | Индикация выхода, высокий выход при передаче сигнала, низкий выход при отсутствии передачи сигнала |
| 19 | GPIO4 | Я/0 | 0-3,3 В | GPIO4 встроенного аудиочипа |
| 20 | GPIO3 | Ввод/вывод | 0-3,3 В | GPIO3 встроенного аудиочипа может быть настроен как SDIN при использовании режима I2S. |
SA316-F30

НОМЕР ПИН - КОДА | Имя пин-кода | Ввод/вывод | Стандартный уровень | Описание |
1 | TXD | О | 0-3,3 В | Последовательный вывод данных |
2 | RXD | я | 0-3,3 В | Последовательный ввод данных |
3 | НАБОР | я | 0-3,3 В | Функция временно зарезервирована |
4 | CS | я | 0-3,3 В | Контакт спящего режима модуля (низкий уровень работы, высокий уровень сна) |
5 | GPIO4 | Я/0 | 0-3,3 В | GPIO4 встроенного аудиочипа |
6 | GPIO3 | Ввод/вывод | 0-3,3 В | GPIO3 встроенного аудиочипа может быть настроен как SDIN при использовании режима I2S. |
7 | МУРАВЕЙ | 0 | Выход РЧ-сигнала , подключение к антенне 50 Ом | |
8.9,10,12 | Земля | 0 В | Подключите к отрицательному полюсу источника питания. | |
11 | ВКЦ | +3,3-5,0 В | Положительный вход питания (+3,3–5,0 В, типичное значение 4,2 В) | |
13 | TXLED | О | 0-3,3 В | Индикация выхода: высокий уровень при передаче, низкий — при отсутствии передачи. |
14 | GPIO2 | Ввод/вывод | 0-3,3 В | Подключите GPIO2 аудиочипа к режиму I2S как MCLK. |
15 | GPIO1 | Ввод/вывод | 0-3,3 В | Подключите GPIO1 аудиочипа к режиму I2S как SCK. |
16 | MIC_N | я | Отрицательный конец входа микрофона подключите к GND. | |
1 7 | MIC_P | я | Положительный конец микрофонного входа (наилучший сигнал менее 200 мВэфф) | |
18 | GPIO0 | Ввод/вывод | 0-3,3 В | GPIO0 встроенного аудиочипа может быть настроен как LRCK при использовании режима I2S. |
SA316-RX

| НОМЕР ПИН-КОДА | Имя пин-кода | Ввод/вывод | Стандартный уровень | Описание |
| 1 | ВКЦ | +3,3 В | Положительный вход питания (2,8–3,6 В, типичное значение 3,3 В) | |
| 2,7,9,13,16, 19,21,23,25,27 | Земля | 0 В | Подключите к отрицательному полюсу источника питания. | |
| 3 | TXD | О | 0-3,3 В | Последовательный вывод данных |
| 4 | RXD | я | 0-3,3 В | Последовательный ввод данных |
| 5 | НАБОР | я | 0-3,3 В | Функция временно зарезервирована |
| 6 | CS | я | 0-3,3 В | Контакт спящего режима модуля (низкий уровень работы, высокий уровень сна) |
| 8 | ВЕЛ | О | 0-3,3 В | Индикация выхода, выход высокого уровня после получения сигнала, низкий уровень при отсутствии сигнала |
| 10 | GPIO4 | Я/0 | 0-3,3 В | GPIO4 встроенного аудиочипа |
| 11 | GPIO3 | Ввод/вывод | 0-3,3 В | GPIO3 встроенного аудиочипа может быть сконфигурирован как MCLK при использовании режима I2S. |
| 12 | GPIO2 | Ввод/вывод | 0-3,3 В | GPIO2 встроенного аудиочипа может быть настроен как SDIO при использовании режима I2S. |
| 15 | МУРАВЕЙ | я | Вход РЧ-сигнала, подключение к антенне сопротивлением 50 Ом | |
| 17 | GPIO1 | Ввод/вывод | 0-3,3 В | GPIO1 встроенного аудиочипа может быть настроен как SCK при использовании режима I2S. |
| 18 | GPIO0 | Ввод/вывод | 0-3,3 В | GPIO0 встроенного аудиочипа может быть настроен как LRCK при использовании режима I2S. |
| 20 | АОЛ+ | О | Отрицательный вывод аудиовыхода чипа (до 600 мВ) | |
| 22 | АОР+ | 0 | Положительный вывод аудиовыхода чипа (до 600 мВ) | |
| 24 | LOUL LOUT+ | О | Усиленный аудиовыход — это выход левого канала, который может напрямую управлять наушниками после последовательного подключения конденсаторов емкостью 100 мкФ. | |
| 26 | МАРШРУТ+ | О | Усиленный аудиовыход — это выход правого канала, который может напрямую управлять наушниками после последовательного подключения конденсатора емкостью 100 мкФ. | |
| 28 | VOL_ADJ | я | Оставить плавающим |
SA316-TX

SA316-RX

SA316F30-TX

политика конфиденциальности
· Политика конфиденциальности
В настоящее время нет доступного контента
Электронная почта: sales@nicerf.com
Тел:+86-755-23080616