Серия LoRa128X-C1 производится и тестируется строго с использованием бессвинцовых процессов в соответствии со стандартами RoHS и Reach.
Эта серия модулей разработана на основе радиочастотных чипов SX1280/SX1281 от оригинального американского производителя Semtech. В них используется модуляция LoRa, что эффективно устраняет ограничения на короткие расстояния связи, характерные для распространённых модулей диапазона 2,4 ГГц. Кроме того, модули поддерживают функцию измерения времени пролёта сигнала для беспроводных измерений расстояния.
Благодаря высокой проникающей способности частотного диапазона 2,4 ГГц в сочетании с модуляцией LoRa эти модули обеспечивают превосходную чувствительность приема и устойчивость к помехам окружающей среды, что делает их пригодными для сценариев, требующих передачи сигнала на большие расстояния в диапазоне 2,4 ГГц.

Модуль | LoRa128X-C1-TIP | LoRa128X-C1-TA | LoRa128X-C1-IP | LoRa128X-C1-A |
Функции | Оснащен разъемом для антенны IPEX , Промышленный термокомпенсированный кварцевый генератор 0,5 ppm | На борту Антенна на печатной плате , Промышленный термокомпенсированный кварцевый генератор 0,5 ppm | С разъемом антенны IPEX , Кварцевый генератор промышленного класса 10 ppm | Встроенная печатная антенна , Кварцевый генератор промышленного класса 10 ppm |
★ Следующие параметры получены в результате тестирования с использованием коаксиального кабеля сопротивлением 50 Ом, подключенного к прибору при напряжении VCC=3,3 В.
Параметры | Мин . | Тип. | Макс. | Единица | Состояние |
Рабочее состояние | |||||
Диапазон рабочего напряжения | 1. 8 | 3.3 | 3.7 | В | |
Температурное напряжение | -40 | 85 | ℃ | ||
Текущее потребление C | |||||
ток RX | < 1 1 | мА | @ LoRa 128 x-C1-IP/ LoRa128x-C1-A | ||
< 1 3 | мА | @ LoRa 128 x-C1-TIP/ LoRa128x-C1-TA | |||
Ток передачи | 50 | мА | @V CC =3,3 В, 12,5 дБм
| ||
ток сна | < 1 | uA | |||
Диапазон частот | |||||
Диапазон частот | 2400 | 2500 | МГц | ||
Скорость передачи данных | 0,476 | 202 | Кбит/с | @ LoRa | |
260 | 1300 | Кбит/с | @FLRC | ||
125 | 2000 | Кбит/с | @ФСК | ||
Выходная мощность | -18 | 12.5 | дБм | @VCC=3,3 В | |
Чувствительность приема | -132 | дБм | LoRa @0.476Кбит/с | ||
n Диапазон рабочих частот: 2400-2500 МГц
n LoRa FLRC FSK-модуляция
n Скорость передачи данных: 0,476–202 Кбит/с @ LoRa
n Максимальная выходная мощность: 12,5 дБм
n Чувствительность: -132 дБм @ LoRa
n Высокоточный кварцевый генератор (0,5ppm TCXO/10ppm)
n Пакетный режим связи (прием/передача FiFo 256 байт)
n Диапазон рабочего напряжения: 1,8–3,7 В
Диапазон рабочих температур: -40~+85°C
Приложения
n Беспроводной пульт дистанционного управления
n Умный дом
n Управление игрушками
n Контроль давления в шинах
n Мониторинг здоровья
n Считыватель/записыватель тегов
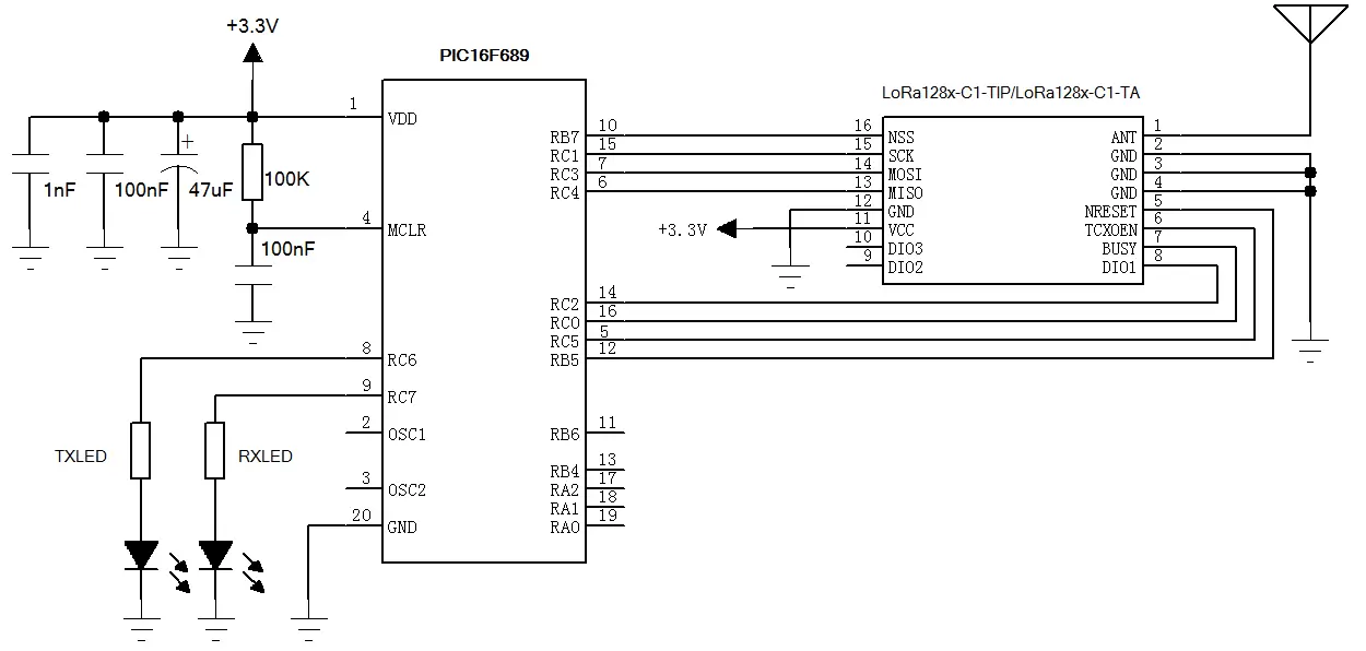
LoRa128X-C1-TIP/LoRa128X-C1-TA:

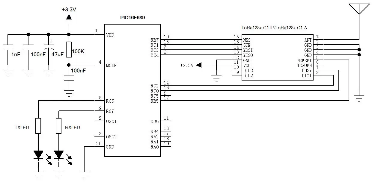
LoRa128X-C1-IP/LoRa128X-C1-A:


НОМЕР ПИН-КОДА | Имя пин-кода | Описание |
1 | МУРАВЕЙ | Подключение к коаксиальной антенне сопротивлением 50 Ом |
2,3,4,12 | Земля | Подключен к отрицательному полюсу |
5 | NRESET | Вывод триггера сброса чипа, активный низкий уровень |
6 | TCXOEN | Включите TCXO: 1. Перед сбросом SX1280 переведите вывод TCXOEN в положение высокого уровня; ; 2. Задержка не менее 3 мс для ожидания запуска TCXO . 3. Во время использования модуля 1280 TCXOEN должен поддерживать высокий уровень Отключите TCXO (если модуль должен перейти в спящий режим): 1. Вызовите функцию Set Sleep(), чтобы перевести модуль в спящий режим; 2. Подождите не менее 1 мс, пока модуль завершит процесс сна; 3. Потяните вниз TCXOEN, чтобы отключить TCXO; При использовании обычного кварцевого генератора оставьте этот вывод плавающим. |
7 | ЗАНЯТЫЙ | Вывод индикатора состояния (подробности см. в техническом описании SX1280/1281). |
8 | ДИО1 | Контакты микросхемы прямого подключения, настраиваемые как входы/выходы общего назначения (подробности функций можно найти в техническом описании SX1280/1281 ). |
9 | ДИО2 | Контакты микросхемы прямого подключения, настраиваемые как входы/выходы общего назначения (подробности функций можно найти в техническом описании SX1280/1281 ). |
10 | ДИО3 | Непосредственно подключенные выводы микросхемы, настраиваемые как ввод-вывод общего назначения (подробности функций можно найти в техническом описании SX1280/1281 ). |
11 | ВКЦ | Подключите положительный источник питания (1,8-3,7 В). |
13 | МИСО | Вывод SPI для данных SPI |
14 | МОСИ | Вход SPI для данных SPI |
15 | ССК | Последовательный тактовый сигнал для интерфейса SPI |
16 | НСС | Вывод выбора микросхемы модуля |

политика конфиденциальности
· Политика конфиденциальности
В настоящее время нет доступного контента
Электронная почта: sales@nicerf.com
Тел:+86-755-23080616