Упаковка: IC
Интерфейс: ИИК
Приложение: Не запястье
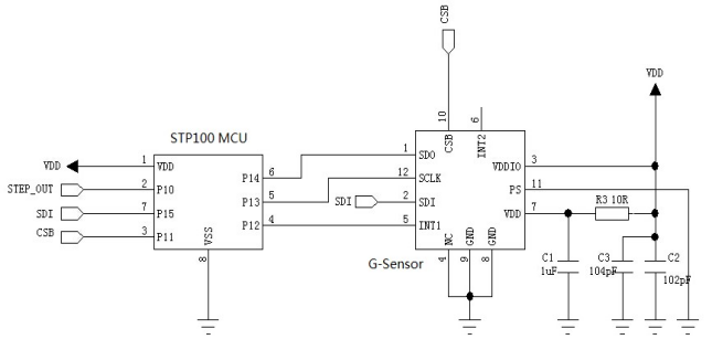
STP100 - это чип 3D-шагомера, который включает в себя G-сенсор и MCU. Он использует интерфейс импульсного типа с 3D-датчиком MEMS (G-сенсор) и высокой точностью алгоритма 3D-шагомера, он может давать точный шагомер в любом направлении. Этот модуль имеет характеристики небольшого размера, низкого энергопотребления и т. д. Простой цифровой интерфейс гарантирует, что его можно легко использовать в 3D-шагомере, USB-многофункциональном шагомере и встраивать в различные виды функциональных систем шагомера.
| Параметр | Состояние | Производительность | Единица | ||
| МИН | ТИП | МАКС | |||
| Рабочее напряжение | 2.3 | 3 | 3.6 | В | |
| Рабочий ток | @3В | < 25 | uA | ||
| ток сна | < 4 | uA | |||
| Шаг разрешения | 1 | Шаг | |||
| Ошибка шагомера | Равномерная рабочая | ±3% | Шаг | ||
| Рабочая температура | -10 | 50 | ℃ | ||
| Температура хранения | -10 | 50 | ℃ |
| Специальная функция | Модуль шагомера |

политика конфиденциальности
· Политика конфиденциальности
В настоящее время нет доступного контента
Электронная почта: sales@nicerf.com
Тел:+86-755-23080616