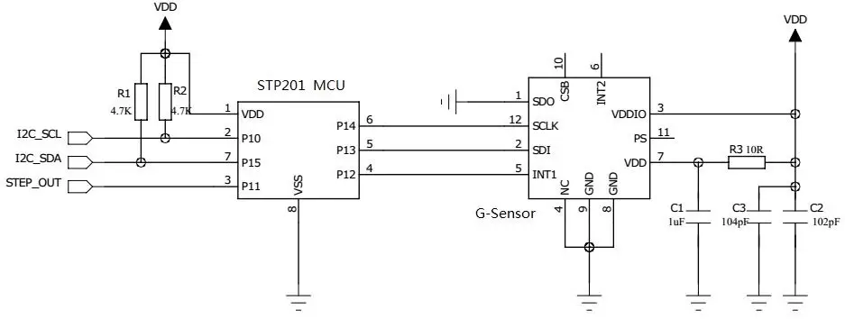
STP200: Интерфейс IIC, 3D-чип шагомера для использования без запястья
Упаковка: IC
Интерфейс: ИИК
Приложение: Не запястье
| Параметры | Состояние | Производительность | Единица | ||
| Мин. | Тип. | Макс. | |||
| Рабочее напряжение | 2.3 | 3 | 3.6 | В | |
| Рабочий ток | @3В | 80 | uA | ||
| ток сна | < 5 | uA | |||
| Шаг разрешения | 1 | Шаг | |||
| Ошибка шагомера | Равномерная рабочая | ± 3% | Шаг | ||
| Рабочая температура | -10 | 50 | ℃ | ||
| Температура хранения | -10 | 50 | ℃ |
| Специальная функция | Модуль шагомера |

политика конфиденциальности
· Политика конфиденциальности
В настоящее время нет доступного контента
Электронная почта: sales@nicerf.com
Тел:+86-755-23080616