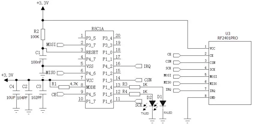
RF2401F20: nRF24L01+ 2,4 ГГц, сертифицированный CE-RED, FCC ID, IC ID и TELEC, оригинальный скандинавский радиочастотный модуль
Type: (G)FSK Front-End Modules
Certification: CE-RED,FCC ID,IC ID,TELEC
Modulation: (G)FSK
Chip: nRF24L01+
Interfacce: SPI
Output Power: 100mW
Frequency: 2.4GHz
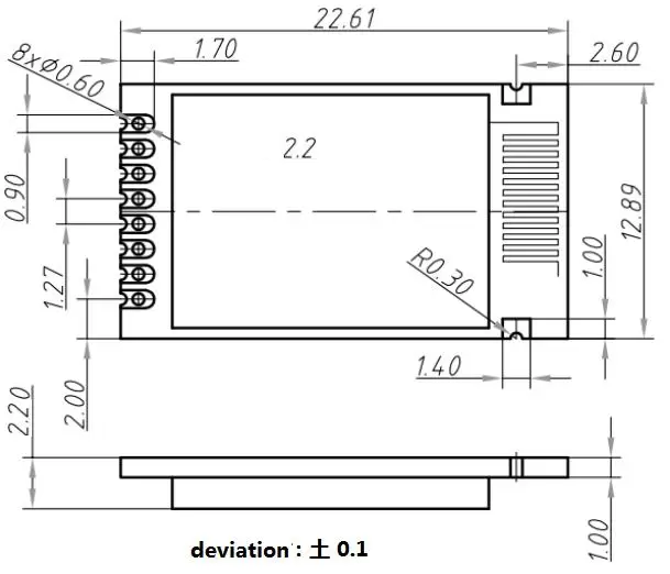
Размер (мм):20*13.02

Russian








