Type: (G)FSK Front-End Modules
Certification: FCC ID,IC ID
Modulation: (G)FSK
Chip: nRF24L01+
Interfacce: SPI
Output Power: 1mW
Frequency: 2.4GHz
Размер (мм):22,61*12,89
| Параметр | Мин. | Тип | Макс | Единица | Состояние |
| Состояние эксплуатации | |||||
| Диапазон рабочего напряжения | 1.9 | 3.3 | 3.6 | В | |
| Температурное напряжение | -40 | 85 | ℃ | ||
| Текущее потребление | |||||
| ток RX | 23.5 | 24 | мА | ||
| Ток передачи | 135 | 150 | мА | @20dBm | |
| ток сна | <1 |
| uA |
| |
| Параметр RF | |||||
| Диапазон частот | 2400 |
| 2525 | МГц |
|
| Скорость модуляции | 250 |
| 2000 | Кбит/с | ГФСК |
| Диапазон мощности передачи | 4 |
| 20 | дБм | Мощность 0=5 дБм, 3=20 дБм |
| Максимальная мощность передачи | 18.5 | 20 |
| дБм |
|
| Чувствительность приема | -100 | -102 |
| дБм | @data=250kbps |
| Модуляция | (Г)ФСК |
| Чип | nRF24L01+ |
| Частота | 2,4 ГГц |
| Выходная мощность | 100 мВт |
| Сертификация | FCC IC, CE-RED, IC ID, TELEC |
| Интерфейс | СПИ |


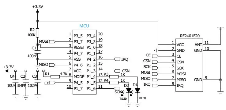
| НОМЕР ПИН-КОДА | Имя пин-кода | Описание |
| 1 | ВКЦ | Положительный источник питания (1,9–3,6 В) |
| 2 | Земля | Подключите отрицательный полюс источника питания. |
| 3 | CE | Выбор чипа для включения передачи или приема |
| 4 | CSN | Выбор чипа SPI |
| 5 | ССК | Последовательный тактовый сигнал для интерфейса SPI |
| 6 | МОСИ | Ввод данных ведомого устройства SPI |
| 7 | МИСО | Вывод данных ведомого устройства SPI |
| 8 | IRQ | Программируемый вывод прерывания, активный низкий уровень |
| 9 | Земля | Подключите отрицательный полюс источника питания. |
| 10 | Земля | Подключите отрицательный полюс источника питания. |
| 11 | МУРАВЕЙ | Подключите коаксиальную антенну 50 Ом |

политика конфиденциальности
· Политика конфиденциальности
В настоящее время нет доступного контента
Электронная почта: sales@nicerf.com
Тел:+86-755-23080616