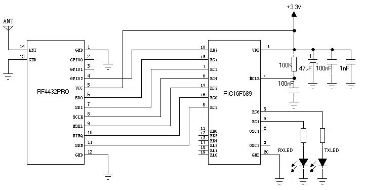
RF4432PRO: Si4432 433 МГц, сертифицированный CE-RED, модуль радиопередатчика и приемника
Type: (G)FSK Front-End Modules
Certification: CE-RED
Modulation: (G)FSK
Chip: si4432
Interfacce: SPI
Output Power: 100mW
Frequency: 433MHz
Размер (мм):17.3*17

Russian







