Связаться с нами
Примечание: встроен высококачественный LDO-стабилизатор на 3,3 В, а вывод CS/SET представляет собой интерфейс на 3,3 В. TXD/RXD также имеет напряжение 3,3 В для SV610-TTL.
| Параметры | Мин. | Тип. | Макс. | Единица | Состояние |
| Рабочее состояние | |||||
| Диапазон напряжения | 3.3 | 5.0 | 7.0 | В | уровень ТТЛ |
| Рабочая температура | -40 | 25 | +85 | ℃ | |
| Текущее потребление | |||||
| Ток Rx | 25 | мА | уровень ТТЛ | ||
| Ток передачи | 95 | мА | @20dBm | ||
| ток сна | ≤5 | uA | Уровень @TTL | ||
| Параметры РЧ | |||||
| Диапазон частот | 414.92 | 433.92 | 453.92 | МГц | @433MHz |
| 470,92 | 489,92 | 509.92 | МГц | @470MHz | |
| 849.92 | 868.92 | 888.92 | МГц | @868MHz | |
| 895.92 | 914.92 | 934.92 | МГц | @915MHz | |
| Скорость передачи данных | 1.2 | 9.6 | 115.2 | Кбит/с | ГФСК |
| Выходная мощность | -1 | / | +20 | дБм | |
| Чувствительность | -121 | дБм | @1.2kbps | ||
| Интерфейс | ТТЛ |
| Сеть | STAR, точка-точка |
| Частота | 433 МГц,470 МГц,868 МГц,915 МГц |
| Модуляция | (Г)ФСК |
| Выходная мощность | 100 мВт |



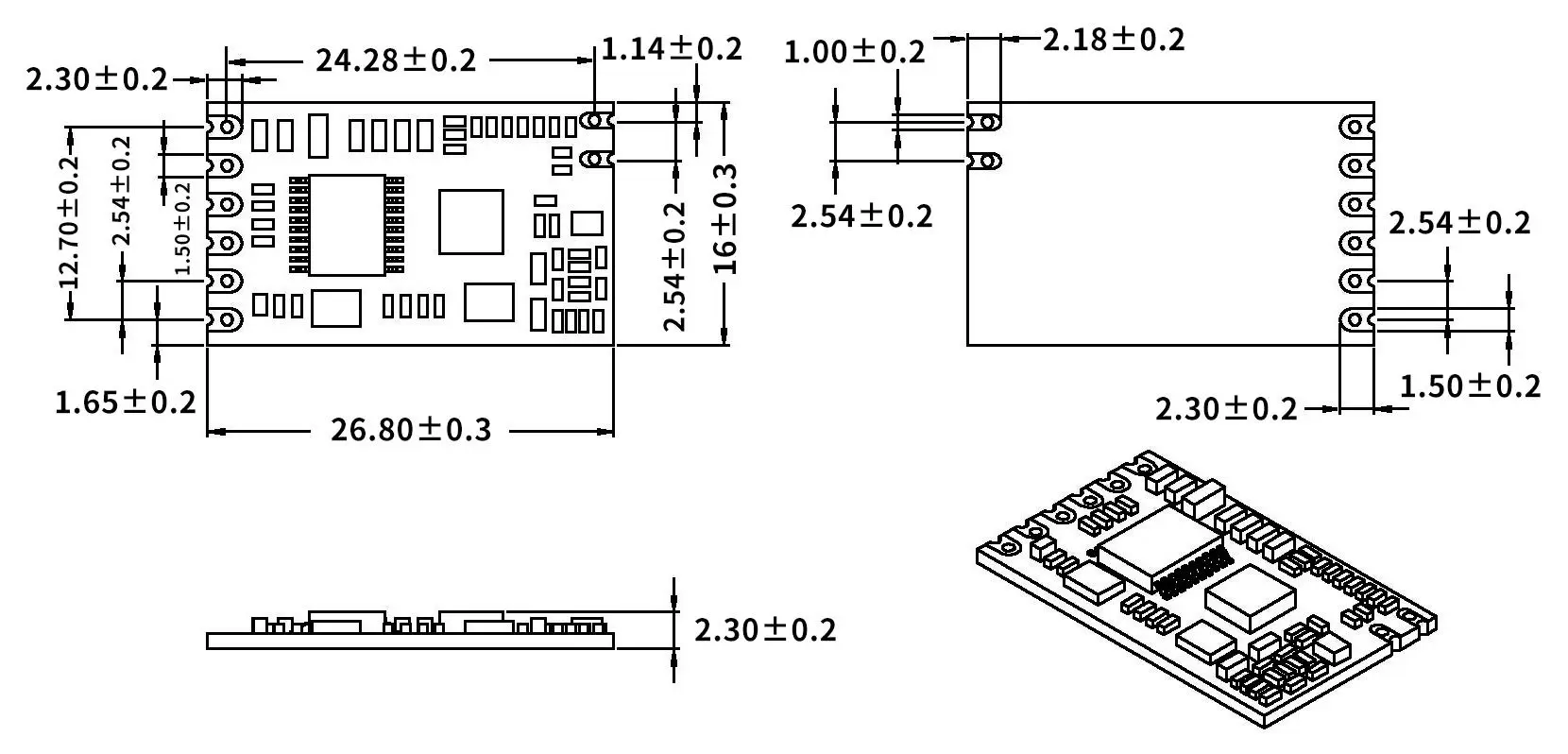
| Номер контакта | Определение | Описание |
| 1 | ВКЦ | Подключен к положительному источнику питания (обычно 5 В) |
| 2 | Земля | Подключено к земле |
| 3 | TXD | TXD модуля и подключение к внешнему RXD |
| 4 | RXD | RXD модуля и подключение к внешнему TXD |
| 5 | НАБОР | Включение режима конфигурации (низкий уровень для входа в режим настройки, оставить открытым или подключить высокий уровень для выхода из режима настройки). Действительно, когда вывод CS имеет высокий уровень или остается открытым. |
| 6 | CS | Включение работы модуля (подайте низкий уровень, чтобы перевести модуль в спящий режим, оставьте открытым или подключите высокий уровень, чтобы модуль перешел в нормальный рабочий режим) |
| 7 | Земля | Заземление антенны |
| 8 | МУРАВЕЙ | Антенна доступа (коаксиальная антенна 50 Ом) |


политика конфиденциальности
· Политика конфиденциальности
В настоящее время нет доступного контента
Электронная почта: sales@nicerf.com
Тел:+86-755-23080616