Type: LoRa Front-End Modules
Certification: CE-RED
Modulation: LoRa
Chip: SX1276
Interface: SPI
Output Power: 100mW
Frequency: 868MHz
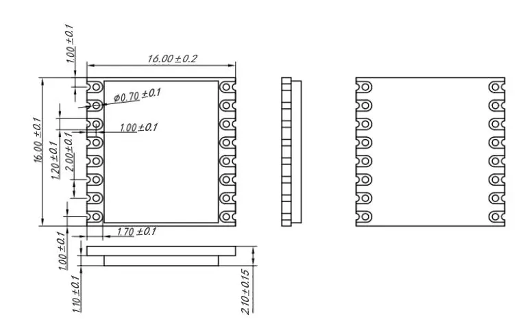
Размер (мм):16*16
| Параметр | Мин. | Тип. | Макс. | Единица | Состояние |
| Состояние эксплуатации | |||||
| Рабочее напряжение | 1.8 | 3.3 | 3.7 | В | |
| Диапазон температур | -40 | 25 | 85 | ℃ | |
| Текущее потребление | |||||
| ток RX | < 6,5 | мА | @TCXO Crystal (по умолчанию 2,8 В, 1,8 В опционально) | ||
| < 5 | мА | @ кварцевый генератор | |||
| Ток передачи | < 130 | мА | @868MHz @915MHz | ||
| ток сна | 1.9 | uA | Режим ВЫКЛ (режим SLEEP с холодным стартом) Все блоки выключены | ||
| 2.3 | uA | Режим SLEEP (режим SLEEP с теплым стартом) Конфигурация сохранена | |||
| 2.9 | uA | Режим SLEEP (режим SLEEP с теплым стартом) Конфигурация сохранена + RC64k | |||
| 0,56 | мА | Режим STDBY_RC , RC13M, XOSC ВЫКЛ. | |||
| 2.35 | мА | Режим STDBY_XOSC , XOSC ВКЛ. | |||
| Параметр RF | |||||
| Диапазон частот | 900 | 915 | 940 | МГц | @915MHz |
| Выходная мощность | -15 | 22 | дБм | ||
| Чувствительность приема | -133 | дБм | @LoRa BW=125KHz_SF = 10_CR=4/5 | ||
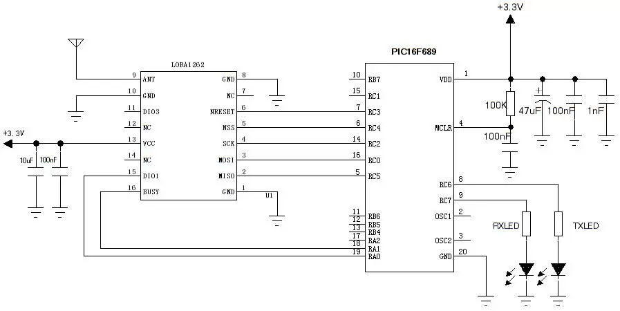
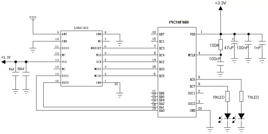
| Интерфейс | СПИ |
| Чип | SX1262 |
| Частота | 915 МГц |
| Модуляция | Лора |
| Выходная мощность | 160 мВт |
| Сертификация | Идентификатор FCC |


| НОМЕР ПИН-КОДА | Имя пин-кода | Описание |
| 1 | Земля | заземление питания |
| 2 | МИСО | Вывод SPI для данных SPI |
| 3 | МОСИ | Вход SPI для данных SPI |
| 4 | ССК | Последовательный тактовый сигнал для интерфейса SPI |
| 5 | НСС | включить SPI |
| 6 | NRESET | Сброс ввода |
| 7, 12, 14 | NC | Пустой |
| 8 | Земля | заземление питания |
| 9 | МУРАВЕЙ | Подключение к коаксиальной антенне сопротивлением 50 Ом |
| 10 | Земля | заземление питания |
| 11 | ДИО3 | Цифровой ввод/вывод |
| 13 | ВКЦ | Подключенный источник питания (по умолчанию 3,3 В) |
| 15 | ДИО1 | Цифровой ввод/вывод |
| 16 | ЗАНЯТЫЙ | Используется для индикации состояния, подробности см. в техническом описании. |

политика конфиденциальности
· Политика конфиденциальности
В настоящее время нет доступного контента
Электронная почта: sales@nicerf.com
Тел:+86-755-23080616