Связаться с нами

| Параметр | Мин. | Тип. | Макс. | Единица | Состояние |
| Состояние эксплуатации | |||||
| Рабочее напряжение | 1.8 | 3.3 | 3.7 | В | |
| Диапазон температур | -40 | 25 | 85 | ℃ | |
| Текущее потребление | |||||
| ток RX | < 5 | мА | кварцевый генератор @10ppm | ||
| Ток передачи | < 130 | мА | @868MHz @915MHz | ||
| < 110 | мА | @433MHz @490MHz | |||
| ток сна | 1.9 | uA | Режим ВЫКЛ (режим SLEEP с холодным стартом) Все блоки выключены | ||
| 2.3 | uA | Режим SLEEP (режим SLEEP с теплым стартом) Конфигурация сохранена | |||
| 2.9 | uA | Режим SLEEP (режим SLEEP с теплым стартом) Конфигурация сохранена + RC64k | |||
| 0,56 | мА | Режим STDBY_RC , RC13M, XOSC ВЫКЛ. | |||
| 2.35 | мА | Режим STDBY_XOSC , XOSC ВКЛ. | |||
| Параметр RF | |||||
| Диапазон частот | 400 | 433 | 450 | МГц | @433MHz |
| 470 | 489,92 | 510 | МГц | @470MHz | |
| 848 | 868 | 888 | МГц | @868MHz | |
| 900 | 915 | 940 | МГц | @915MHz | |
| Выходная мощность | -15 | 22 | дБм | ||
| Чувствительность приема | -129 | дБм | @LoRa BW=250KHz_SF = 10_CR=4/5 | ||
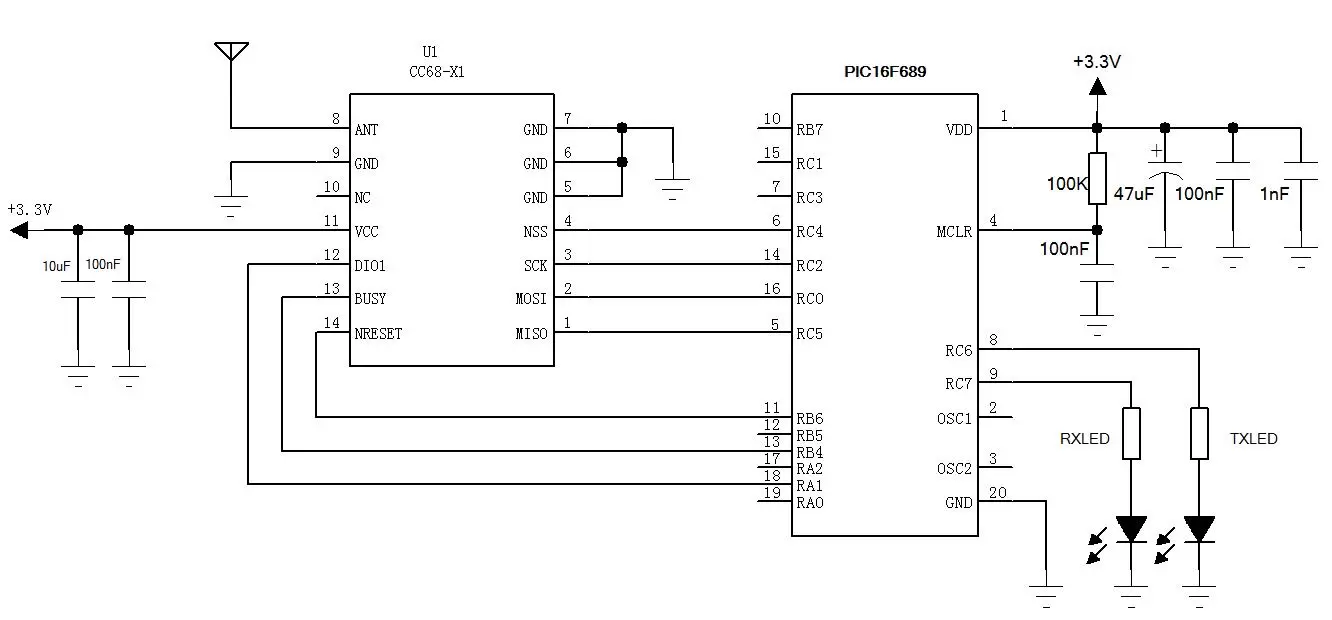
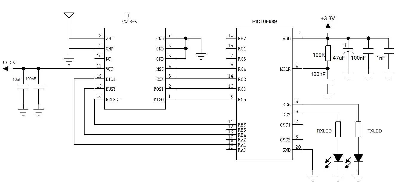
| Интерфейс | СПИ |
| Чип | LLCC68 |
| Частота | 433 МГц,470 МГц,868 МГц,915 МГц |
| Модуляция | Лора |
| Выходная мощность | 160 мВт |


| НОМЕР ПИН-КОДА | Имя пин-кода | Описание |
| 1 | МИСО | Выход SPI |
| 2 | МОСИ | SPI-вход |
| 3 | ССК | Последовательные часы |
| 4 | НСС | включить SPI |
| 5, 6, 7, 9 | Земля | заземление |
| 8 | МУРАВЕЙ | Подключение к коаксиальной антенне сопротивлением 50 Ом |
| 10 | NC | Пустой |
| 11 | ВКЦ | Источник питания (по умолчанию 3,3 В) |
| 12 | ДИО1 | Может быть настроен как индикация сигнала прерывания, подробности в техническом описании микросхемы |
| 13 | ЗАНЯТЫЙ | Индикация состояния занятости, подробности в техническом описании микросхемы. |
| 14 | NRESET | Сброс ввода |

политика конфиденциальности
· Политика конфиденциальности
В настоящее время нет доступного контента
Электронная почта: sales@nicerf.com
Тел:+86-755-23080616