Sep . 2025
В современном быстро меняющемся мире Интернета вещей традиционные маломощные модули LoRa уже не отвечают требованиям экстремальных условий эксплуатации. Когда требуется полный мониторинг покрытия обширных сельскохозяйственных угодий, надежная связь в отдаленных горных районах или преодоление препятствий в сложных промышленных условиях, стандартная выходная мощность 160 мВт становится незначительной.
Именно в таких условиях родилась серия LoRa1121F33 — не просто увеличение мощности, а качественный скачок в возможностях связи. Как компания с более чем 15-летним опытом работы в сфере беспроводной связи, мы можем с уверенностью сказать, что запуск серии F33 знаменует собой новую эру в технологии LoRa.
Сегодня мы рассмотрим две флагманские модели: LoRa1121F33-1G9 (специалист по спутниковой связи) и LoRa1121F33-2G4 (чемпион по наземной связи). Подобно двум звёздам на небе, они сияют ярким светом, освещая бескрайние горизонты беспроводной связи на большие расстояния.

Высоконадежные беспроводные модули LoRa для дальних расстояний, сложных условий и многодиапазонных сценариев
Если считать традиционные модули LoRa экспертами в области наземной связи, то F33-1G9 — пионер интегрированной связи «космос-земля». Его отличительной особенностью является возможность спутниковой связи в S-диапазоне (1,9–2,1 ГГц), что обеспечивает связь в районах без покрытия наземной сети.
1) Позиционирование серий и различия
Измерение | LoRa1121F33-1G9 | LoRa1121F33-2G4 |
Высокочастотный фокус | S-диапазон (1,9–2,1 ГГц), предназначенный для спутникового Интернета вещей и интегрированной наземно-космической связи | Диапазон ISM 2,4 ГГц, предназначенный для наземной связи с высокой пропускной способностью и низкой задержкой |
Выходная частота ниже ГГц | 433/470 МГц: 2 Вт; 868/915 МГц: 1 Вт | 433/470 МГц: 2 Вт; 868/915 МГц: 1 Вт |
Выход высокочастотного диапазона | 1 Вт @ 1,9–2,1 ГГц | 1 Вт @ 2,4 ГГц (30 дБм) |
Чувствительность приема (типичная) | Суб-ГГц: до –144 дБм; S-диапазон: до –132 дБм | Суб-ГГц: до –144 дБм; 2,4 ГГц: до –129 дБм |
Стабильность частоты | Промышленный термокомпенсированный кварцевый генератор ±0,5 ppm | Промышленный термокомпенсированный кварцевый генератор ±0,5 ppm |
Улучшение входного RF-контура | — | Встроенный FEM (PA+LNA), усиление LNA ~15 дБ |
Репрезентативные заявки | Спутниковый Интернет вещей, удаленная/морская связь, реагирование на чрезвычайные ситуации | Умный город/парк, Интернет вещей, передача видео и изображений, каналы передачи данных БПЛА |
Когда речь идёт о «дальнобойности» связи LoRa, традиционный эталонный показатель основан на уровне мощности 160 мВт. С выходной мощностью 2 Вт серии F33 улучшение не только количественное, но и представляет собой фундаментальное расширение возможностей применения.
Технологический прорыв: от 160 мВт до 2 Вт
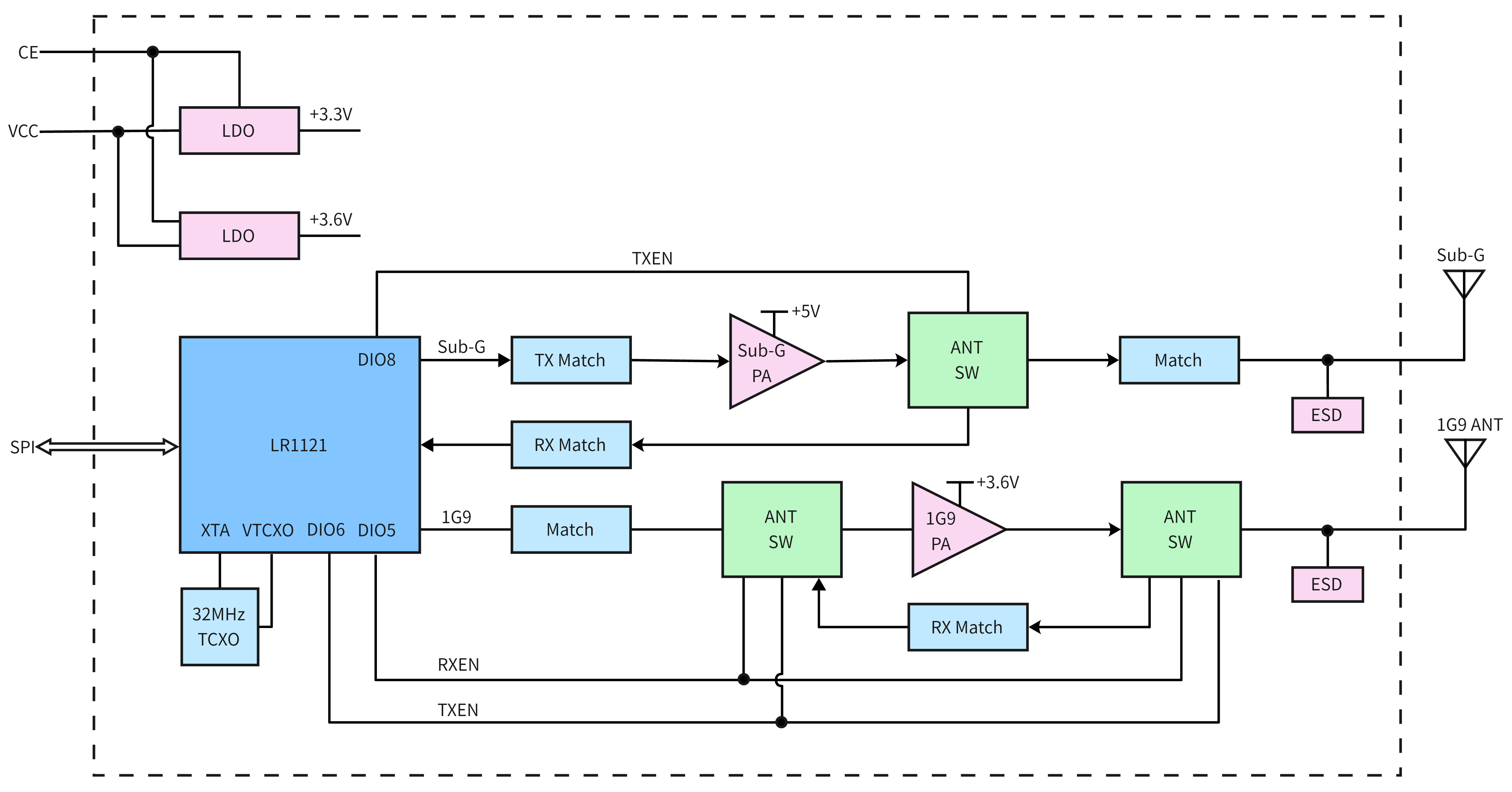
Блок-схема продукта:

2) Основные характеристики и параметры
Товар для сравнения | Ф33-1Г9 | Ф33-2Г4 |
Мощность ниже ГГц (433/470 МГц) | 33 дБм (2 Вт) | 33 дБм (2 Вт) |
Мощность ниже ГГц (868/915 МГц) | 30 дБм (1 Вт) | 30 дБм (1 Вт) |
Мощность в высоком диапазоне | 30 дБм (1 Вт) при 1,9–2,1 ГГц | 30 дБм (1 Вт) при 2,4 ГГц |
Чувствительность ниже ГГц (типичная) | До –144 дБм | До –144 дБм |
Чувствительность в верхнем диапазоне (типичная) | –132 дБм (S-диапазон) | –129 дБм (2,4 ГГц) |
Модуляция/Протокол | LoRa / (G)FSK / LR-FHSS; поддерживает LoRaWAN и частные протоколы | LoRa / (G)FSK / LR-FHSS; поддерживает LoRaWAN и частные протоколы |
Безопасность | Аппаратное шифрование AES-128 | Аппаратное шифрование AES-128 |
Путь сертификации | Зависит от региона (категория высокой мощности); опыт и документация доступны для ускорения утверждения | То же, что и F33-1G9 |
2.2 Потребление и подача энергии
Товар для сравнения | Ф33-1Г9 | Ф33-2Г4 |
Диапазон напряжения питания | 3,0–5,5 В | 3,0–5,5 В |
Ток сна | < 18 мкА | < 20 мкА |
Ток RX (суб-ГГц) | ~ < 9 мА | ~ < 8 мА |
Ток RX (высокий диапазон) | — | ~ 24–29 мА (2,4 ГГц) |
Уровни мощности | Многоуровневая регулировка | Многоуровневая регулировка |
3) Преимущества частотного диапазона и технический путь
Группа | Типичные преимущества | Ф33-1Г9 | Ф33-2Г4 |
433/470 МГц | Длительное покрытие, хорошая дифракция, сильное проникновение | ✅ 2 Вт | ✅ 2 Вт |
868/915 МГц | Сбалансированная ставка и покрытие, благоприятные для регулирующих органов | ✅ 1 Вт | ✅ 1 Вт |
1,9–2,0 ГГц (S-диапазон) | Спутниковый Интернет вещей, низкий уровень помех, глобальное покрытие | ✅ 1 Вт | — |
2,4 ГГц | Глобальный ISM, высокая пропускная способность, богатая экосистема | — | ✅ 1 Вт (улучшенный FEM) |
4) Типичное картирование приложений
Сценарий/Требование | Рекомендуемая модель | Основные причины |
Спутниковый Интернет вещей / Отдаленные моря / Отсутствие наземного покрытия | Ф33-1Г9 | S-диапазон 1 Вт + суб-ГГц 2 Вт, широкое покрытие, низкий уровень помех, идеально подходит для интеграции в космос и наземные системы |
Реагирование на чрезвычайные ситуации / Восстановление после стихийных бедствий | Ф33-1Г9 | Независимая сеть, надежная связь, стабильность частоты при экстремальных температурах |
Умный город/кампус IoT (освещение, парковка, трубопровод) | Ф33-2Г4 | Высокая пропускная способность 2,4 ГГц + широкое покрытие на уровне ниже ГГц, гибкое развертывание, контролируемая плотность размещения |
Видео / Изображения / Каналы передачи данных БПЛА | Ф33-2Г4 | 2,4 ГГц 1 Вт + встроенный FEM (PA+LNA), превосходная пропускная способность |
Крупномасштабное сельское хозяйство/пастбища | Ф33-1Г9 / Ф33-2Г4 | Зона покрытия с субгигагерцовой мощностью 2 Вт; для изображений и видео предпочтительно использовать F33-2G4 |
Промышленные объекты (сильные помехи/металлические препятствия) | Ф33-2Г4 | Высокая мощность + LR-FHSS + FEM улучшают запас прочности линии связи |
5) Бюджет и мощность соединения: от 160 мВт до 2 Вт
Товар для сравнения | База LoRa1121 | Ф33-1Г9 | Ф33-2Г4 |
Максимальная мощность передачи менее ГГц | 22 дБм (~160 мВт) | 33 дБм (2 Вт) при 433/470; 30 дБм (1 Вт) при 868/915 | 33 дБм (2 Вт) при 433/470; 30 дБм (1 Вт) при 868/915 |
Мощность в высоком диапазоне | 11 дБм (2,4 ГГц) | 30 дБм (S-диапазон) | 30 дБм (2,4 ГГц) |
Стабильность частоты | ±10 частей на миллион | ±0,5 ppm (TCXO) | ±0,5 ppm (TCXO) |
Безопасность / Защита от помех | AES-128 / LR-FHSS | AES-128 / LR-FHSS | AES-128 / LR-FHSS |
Техническое примечание: по сравнению с мощностью 160 мВт, увеличение мощности на 2 Вт улучшает энергетический потенциал линии связи примерно на 11–13 дБ. При той же модуляции и условиях антенны теоретическая дальность связи в свободном пространстве увеличивается в несколько раз; в сложных условиях значительно повышается устойчивость к блокировке и замиранию. Для баланса покрытия и энергопотребления рекомендуется использовать адаптивное управление мощностью.
6) Механика и интерфейсы (основные моменты выбора)
Элемент | Ф33-1Г9 | Ф33-2Г4 |
Упаковка/Сборка | Корпус с отверстием под штамп, подходит для поверхностного монтажа, поддерживает вторичную проявку | Корпус высокой мощности 39,0×21,0 мм с отверстиями под штамповку, подходит для поверхностного монтажа |
Количество контактов | 18 контактов (стандартная розетка) | 18 контактов (стандартная розетка) |
Антенны | Антенна субгигагерцового диапазона + антенна S-диапазона; поддерживает IPEX / stamp-hole | Антенна Sub-GHz + антенна 2,4 ГГц; поддерживает IPEX / stamp-hole |
Интерфейсы | SPI (MISO/MOSI/SCK/NSS), RESET/BUSY/IRQ, VCC/GND, включение CE | То же, что и F33-1G9 |
Поставлять | 3,0–5,5 В (высоковольтный, высокой мощности) | 3,0–5,5 В (высоковольтный, высокой мощности) |
Руководство по проектированию | • Непрерывность заземления радиочастотной трассы и обратный путь | • Непрерывность заземления радиочастотной трассы и обратный путь |
Стратегия энергоснабжения и эксплуатации (инженерные рекомендации)
•22-ступенчатая регулировка мощности: динамическая адаптация выходного сигнала в соответствии с RSSI/SNR для экономии энергии на коротких расстояниях.
•Рабочий цикл RX с быстрым пробуждением: рекомендуется для приложений с длительным временем ожидания.
•LR-FHSS: повышает надежность и использование спектра в условиях сильных помех.
•Расчет мощности: обеспечьте достаточный запас по питанию и развязку при передаче 2 Вт; изолируйте источники питания PA/FEM и основной полосы частот; оптимизируйте возврат по заземлению и рассеивание тепла.
7) Закупки и развертывание (перспектива совокупной стоимости владения)
Измерение | Ф33-1Г9 | Ф33-2Г4 |
Сетевая зависимость | Может работать без наземной сети (спутник S-диапазона) | Ориентированное на наземную сеть, гибкое развертывание |
Базовые станции/шлюзы | Меньше (спутниковая транспортная сеть или агрегация на больших расстояниях) | Управляемая плотность сайтов (покрытие ниже ГГц + обратная связь 2,4 ГГц) |
Эксплуатация и обслуживание | Управляемая стоимость спутниковой связи, низкие затраты на обслуживание узлов | Местная связь без платы за подключение, удобное обслуживание сайта |
Применение Fit | Удаленные, морские, аварийные потребности высокой надежности | Городские приложения, видео, БПЛА, широкополосные приложения |
Сильные стороны частотного диапазона
F33-1G9 (S-диапазон):
Выделенный диапазон с минимальными помехами.
Отличная совместимость с группировками спутников LEO (например, Starlink, OneWeb).
Сбалансированное распространение и проникновение по сравнению с Sub-GHz.
F33-2G4 (2,4 ГГц ISM):
Встроенный FEM (PA+LNA), усиление LNA ~15 дБ для улучшенного приема.
Поддерживает более высокую пропускную способность данных, идеально подходит для случаев, где требуются высокие требования к полосе пропускания.
Диапазон ISM, не требующий лицензирования по всему миру, широко поддерживаемая экосистема.
Основные характеристики продукта
F33-1G9: 2 Вт Sub-GHz + 1 Вт S-диапазон, чувствительность –144 дБм, TCXO ±0,5 ppm, поддерживает LR-FHSS и AES-128; идеально подходит для спутникового Интернета вещей, экстренных служб и удаленного покрытия.
F33-2G4: 2 Вт Sub-GHz + 1 Вт 2,4 ГГц, встроенный FEM (PA+LNA), чувствительность –129 дБм; идеально подходит для умных городов, видео и широкополосных приложений для БПЛА.
+86-755-23080616
sales@nicerf.com
Сайт: https://www.nicerf.com/ .
Адрес: 309-314, 3/F, корпус A, деловое здание Хунду, зона 43, район Баоань, Шэньчжэнь, Китай
политика конфиденциальности
· Политика конфиденциальности
В настоящее время нет доступного контента
Электронная почта: sales@nicerf.com
Тел:+86-755-23080616