Type: LoRa Front-End Modules
Certification: KC,ANATEL
Modulation: LoRa
Interface: TTL
Output Power: 100mw
Frequency: 433MHz,470MHz,868MHz,915MHz
Network: MESH,Point-to-point
Размер (мм):39,55*22,93
Модуль LoRa II — это новая серия усовершенствованных сетевых беспроводных коммуникационных модулей от NiceRF. Он использует передовую технологию скачкообразной перестройки частоты LoRa с расширенным спектром для достижения высокой чувствительности. Проникающая способность и дальность связи значительно превосходят текущие продукты FSK и GFSK, а также обладают более высокой помехоустойчивостью. Чтобы удовлетворить потребности различных клиентов, мы разработали программное обеспечение модулей этой серии как универсальное. Пользователи могут переключаться между различными режимами работы с помощью модуля конфигурации программного обеспечения ПК. В режиме MESH модуль маршрутизации имеет автоматическую маршрутизацию. Функция позволяет пользователю формировать сетевую передачу без слепых зон и ограничений по расстоянию посредством объединения нескольких модулей. Кроме того, пользователи могут шифровать беспроводные данные AES128 с помощью программного обеспечения ПК или команд последовательного порта, что повышает безопасность передачи данных.
Модуль LoRa6100II рассчитан на выходную мощность 1 Вт при питании от одноэлементной литиевой батареи и имеет компактную встроенную конструкцию, которая широко используется в отраслях беспроводного дистанционного управления передачей данных.
LoRa6100II использует строго бессвинцовый процесс производства и тестирования и соответствует стандартам RoHS и Reach.
Примечание: Модуль имеет внутреннюю стабилизацию напряжения LDO 3,3 В. Выводы CS и SET управляются напряжением 3,3 В. TXD и RXD также имеют напряжение 3,3 В.
| Параметры | Мин. | Тип. | Макс. | Единица | Состояние |
| Рабочее состояние | |||||
| Диапазон напряжения | 3.4 | 4.0 | 5.5 | В | |
| Рабочая температура | -40 | 25 | +85 | ℃ | |
| Текущее потребление | |||||
| Ток Rx | <8 | мА | уровень ТТЛ | ||
| Ток передачи | < 800 | мА | @5 В, 31 дБм 433/470 МГц | ||
| < 1100 | мА | @5 В, 31 дБм 868/915 МГц | |||
| ток сна | < 240 | uA | |||
| <40 | uA | Низкая мощность | |||
| Параметры РЧ | |||||
| Диапазон частот | 414.92 | 433.92 | 453.92 | МГц | @433MHz |
| 470,92 | 489,92 | 509.92 | МГц | @470MHz | |
| 849.92 | 868.92 | 888.92 | МГц | @868MHz | |
| 895.92 | 914.92 | 934.92 | МГц | @915MHz | |
| Скорость передачи данных | 1312 | 62500 | бит/с | @LoRa | |
| Выходная мощность | 18 | 30 | +31 | дБм | Программное обеспечение уровня 7 регулируемое |
| Чувствительность | -129 | дБм | @1312bps | ||
| Интерфейс | ТТЛ |
| Сеть | СЕТКА |
| Частота | 433 МГц,470 МГц,868 МГц,915 МГц |
| Модуляция | Лора |
| Выходная мощность | 1W |
Метод шифрования данных AES128
Нет слепых зон без ограничения расстояния
Дальность передачи данных на открытой местности для одного модуля составляет 8–10 км при низкой скорости.
Диапазон частот: 433/470/868/915 МГц (опция)
До 40 каналов связи в одном диапазоне частот
Разнообразные параметры последовательного порта
Диапазон рабочего напряжения: 3,4 ~ 5,5 В
Функция LBT (слушай, прежде чем говорить) опциональна
Узел/маршрут/узел+маршрут опционально в режиме MESH
Встроенная схема защиты от сброса оборудования
модуляция LoRa
Интерфейс TTL
Чувствительность до -129 дБм при 1,3 Кбит/с
Максимальная выходная мощность: 1 Вт (при 5 В)
Диапазон рабочих температур: -40 ~ +85 °C


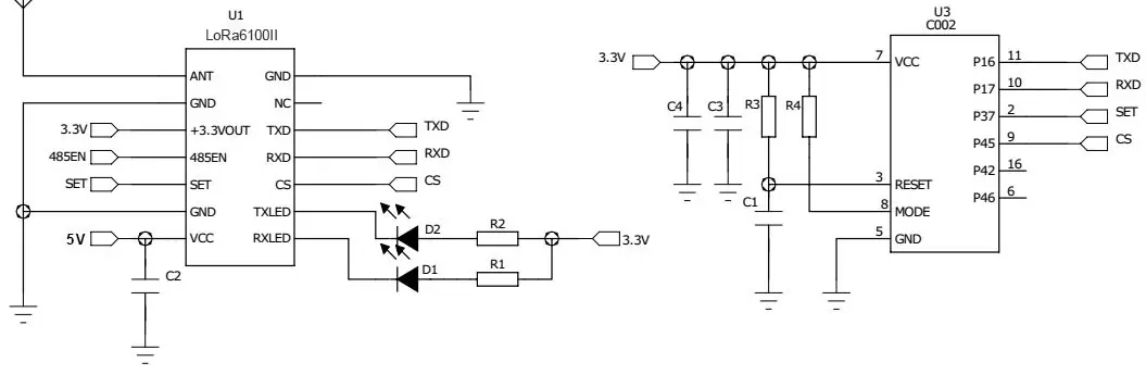
| НЕТ. | ПРИКОЛОТЬ | Описание |
| 1 | RXLED | Индикатор принимаемого сигнала, низкий уровень, по умолчанию высокий |
| 2 | TXLED | Индикатор передаваемого сигнала, низкий уровень, по умолчанию высокий |
| 3 | CS | Вывод включения модуля (встроенный подтягивающий резистор) Примечание: заводская версия по умолчанию: ток в спящем режиме <240 мкА, CS подтянут к высокому уровню или приостанавливается для нормальной связи, спящий режим на низком уровне; версия с низким энергопотреблением: ток в спящем режиме <40 мкА, нормальная связь, когда CS подтянут к низкому уровню, подтянут к высокому уровню или переходит в спящий режим. |
| 4 | RXD | Последовательный прием данных связи |
| 5 | TXD | Последовательная передача данных |
| 6 | NC | Бесполезно |
| 7 | Земля | Заземление антенны |
| 8 | МУРАВЕЙ | Выход РЧ-сигнала, подключенный к антенне сопротивлением 50 Ом |
| 9 | Земля | Заземление антенны |
| 10 | +3,3 В ВЫХОД | Выходной контакт напряжения 3,3 В, может управлять устройствами с током до 50 мА |
| 11 | 485EN | Возможность подключения к внешнему расширению 485 для преобразования выходного сигнала управления уровнем. |
| 12 | НАБОР | Включение параметра конфигурации (конфигурация параметра включения низкого уровня, выход высокого уровня по умолчанию) |
| 13 | Земля | Подключите отрицательный полюс источника питания, провод заземления. |
| 14 | ВКЦ | Подключите положительный полюс источника питания (обычно 4 В) |

политика конфиденциальности
· Политика конфиденциальности
В настоящее время нет доступного контента
Электронная почта: sales@nicerf.com
Тел:+86-755-23080616