Связаться с нами
| Параметры | Мин. | Тип. | Макс. | Единица | Состояние |
| Рабочее состояние | |||||
| Диапазон напряжения | 3.3 | 5.0 | 6.5 | В | |
| Рабочая температура | -40 | 25 | +85 | ℃ | |
| Текущее потребление | |||||
| Ток Rx | 25 | мА | уровень ТТЛ | ||
| 34 | мА | 485 уровень | |||
| Ток передачи | 350 | мА | @27 дБм | ||
| ток сна | <5 | uA | Уровень @TTL | ||
| Параметры РЧ | |||||
| Диапазон частот | 414.92 | 433.92 | 453.92 | МГц | @433MHz |
| 470,92 | 489,92 | 509.92 | МГц | @470MHz | |
| 849.92 | 868.92 | 888.92 | МГц | @868MHz | |
| 895.92 | 914.92 | 934.92 | МГц | @915MHz | |
| Скорость передачи данных | 1.2 | 9.6 | 115.2 | Кбит/с | ГФСК |
| Выходная мощность | 20 | / | +27 | дБм | |
| Чувствительность | -121 | дБм | @1.2Кбит/с | ||
| Интерфейс | ТТЛ, RS485 |
| Сеть | STAR, точка-точка |
| Частота | 433 МГц,470 МГц,868 МГц,915 МГц |
| Модуляция | (Г)ФСК |
| Выходная мощность | 500 мВт |


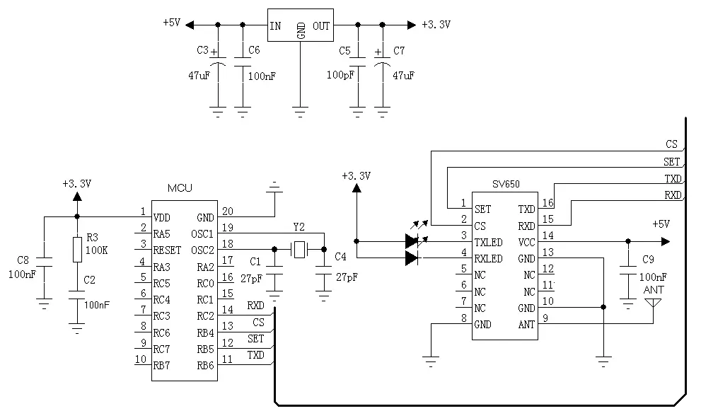
| Номер контакта | Определение | Описание |
| 1 | НАБОР | Включение параметров конфигурации (низкий уровень для включения параметров конфигурации, выход высокого уровня по умолчанию) |
| 2 | CS | Модуль включен (низкий уровень покоя, ток менее 5 мкА, выход высокого уровня по умолчанию) |
| 3 | TXLED | Выходной контакт излучаемого света (активный низкий уровень) |
| 4 | RXLED | Выходной контакт индикатора приема (активный низкий) |
| 5 / 6 / 7 / 11 /12 | NC | Вакантно |
| 8/10/13 | Земля | Подключено к заземлению |
| 9 | МУРАВЕЙ | Выход ВЧ-сигнала, затем антенна 50 Ом |
| 14 | ВКЦ | Подключен к положительному источнику питания (обычно 5 В) |
| 15 | TXD/A | Последовательная передача данных (уровень 485, затем выход A) |
| 16 | RXD/B | Прием данных последовательной связи (при уровне 485, затем выход B) |

политика конфиденциальности
· Политика конфиденциальности
В настоящее время нет доступного контента
Электронная почта: sales@nicerf.com
Тел:+86-755-23080616