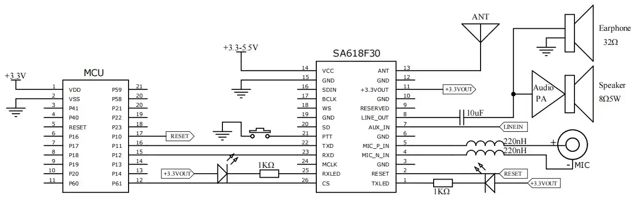
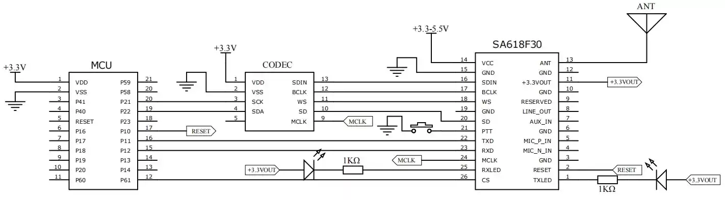
SA618F30-DZ: 1 Вт, 8 антенн, многоуровневый релейный аудиомодуль с частотой дискретизации 8K, полнодуплексный, с защитой от электростатического разряда
Тип: Беспроводное аудио
Сертификация: Другие
Выходная мощность: 1 Вт
Размер (мм):39,3*24,0

Russian








