Тип: Беспроводное аудио
Сертификация: Другие
Выходная мощность: 1 Вт
Размер (мм):39.3ммX24мм
Параметр | Условия испытания | Мин. | Тип. | Макс. | Единица |
Рабочее напряжение |
| 3.3 | 4.2 | 5.5 | В |
рабочая температура |
| -30 | 25 | 70 | ℃ |
Потребление тока | |||||
ток сна |
|
| 10 | 20 | uA |
ток RX | @ Нет аудиовыхода |
| 50 | 55 | мА |
@8Ω, 1 Вт аудиовыход |
|
|
| ||
Ток передачи | 4 В, при 30 дБм |
| 450 | 550 | мА |
параметр RF | |||||
Рабочая частота | УВЧ | 410 |
| 490 | МГц |
Настраиваемая частота |
| 150 |
| 960 | МГц |
Значение частоты по умолчанию для 16 каналов | УВЧ (интервал 1 МГц) | 440.125 |
| 455.125 | МГц
|
Мощность передачи | @5В | 16 |
| 32 | дБм |
Пропускная способность (BW) |
|
| 500 |
| КГц |
Чувствительность приема |
|
| -117 |
| дБм |
Параметры звука | |||||
Чувствительность к модуляции |
|
| 10 | 100 | мВ |
Отношение сигнал/шум (SNR) на приеме |
|
| 90 |
| дБ |
Частотная характеристика |
| 60 |
| 3800 | Гц |
Аудиовыход (линейный) | Нагрузка 16 Ом |
|
| 40 | мВт |
Параметры задержки | 2 канала | 80 | 100 | 120 | РС |
3 канала | 120 | 160 | 180 | РС | |
4 канала | 160 | 200 | 240 | РС | |
6 каналов | 240 | 300 | 360 | РС | |
8 каналов | 320 | 400 | 480 | РС | |
| Тип | беспроводное аудио |
| Выходная мощность | 1 Вт |
n Схема применения аналогового входа и аналогового выхода

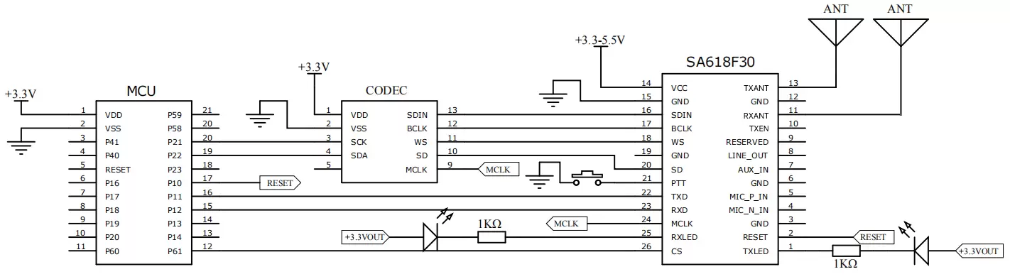
n I2S входная и выходная схема приложения


НОМЕР ПИН-КОДА | Имя пин-кода | Ввод/вывод | Описание |
1 | TXLED | О | Индикатор передачи, подключенный к внешнему светодиоду, включается низким уровнем выходного сигнала при передаче данных или голоса (рекомендуется резистор 1 кОм для ограничения тока) |
2 | ПЕРЕЗАГРУЗИТЬ | я | Штифт сброса модуля. Внешнее нажатие на него более 5 мс приведет к сбросу модуля. |
3,6,10, 12,14,15,19 | Земля | Подключите к отрицательному полюсу питания | |
4 | MIC_N_IN | я | Отрицательный электрод внешнего микрофона, последовательно соединенный с индуктивностью 220 нГн, см. типовую схему ниже. |
5 | MIC_P_IN | я | Положительный электрод внешнего микрофона, последовательно соединенный с индуктивностью 220 нГн, см. типовую схему ниже. |
7 | AUX_IN | я | Линейный вход и микрофонный вход |
8 | ЛИНЕЙНЫЙ_ВЫХОД | О | Подключено к наушникам 16 Ом |
9 | СДЕРЖАННЫЙ | NC | |
10 | TXEN | О | Вывод разрешения передачи, выдает высокий уровень (3,3 В) при передаче, низкий уровень при приеме |
11 | РКСАНТ | О | Вход ВЧ-сигнала для приема, подключение к антенне сопротивлением 50 Ом |
13 | TXANT | О | Выход РЧ-сигнала для передачи, подключение к антенне сопротивлением 50 Ом |
14 | ВКЦ | Питание (3,3 – 5,5 В) | |
16 | СДИН | я | Подключено к внешнему устройству I2S, (0 – 3,3 В) |
17 | БКЛК | О | |
18 | WS | О | |
20 | СД | О | |
21 | ПТТ | я | Нажмите, чтобы говорить, потяните вниз, чтобы войти в режим передачи, потяните вверх или оставьте открытым, чтобы войти в режим приема, подтяните вверх внутри, |
22 | TXD | О | Последовательная связь |
23 | RXD | я | Последовательная связь |
24 | МКЛК | О | Подключено к внешнему устройству I2S (0-3,3 В) |
25 | RXLED | О | Индикатор приема, подключенный к внешнему светодиоду, включается низким уровнем выходного сигнала при приеме данных или голоса (рекомендуется резистор сопротивлением 1 кОм для ограничения тока) |
26 | CS | я | Плавающий вход, низкий уровень для перехода в спящий режим |

политика конфиденциальности
· Политика конфиденциальности
В настоящее время нет доступного контента
Электронная почта: sales@nicerf.com
Тел:+86-755-23080616