Type: ASK Modules
Certification: FCC ID,CE-RED
Frequency: 433MHz
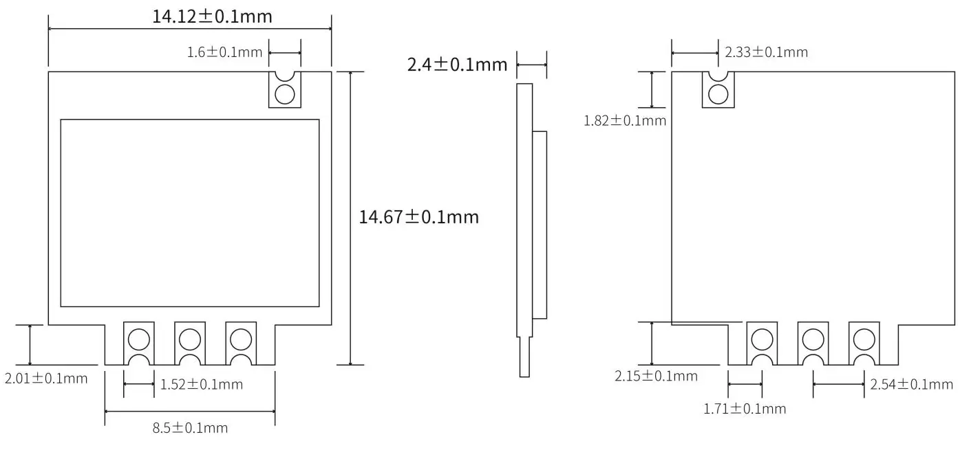
Размер (мм):14.12*14.67
| Параметр | Мин. | Тип. | Макс. | Единица | Состояние |
| Условия эксплуатации | |||||
| Диапазон рабочего напряжения | 2.0 | 3.3 | 5.5 | В | |
| Температурное напряжение | -30 | 80 | ℃ | ||
| Получите открытое время | 3 | РС | @Включите VDD для получения данных | ||
| 2.3 | РС | @Измените значение CS с высокого на низкое, чтобы получить данные | |||
| Текущее потребление | |||||
| Рабочий ток | <3 | мА | @CS=0 раз | ||
| <0,1 | uA | @CS=1 раз | |||
| Параметр RF | |||||
| Диапазон частот | 433.72 | 433.92 | 434.12 | МГц | @433MHz |
| Чувствительность | -111 | дБм | @1Кбит/с | ||
| Скорость передачи данных | 0.1 | 5 | Кбит/с | ||
| Пропускная способность приема | 400 | КГц | |||
| Модуляция | ПРОСИТЬ |
| Частота | 433 МГц |
| Сертификация | CE-RED |

| НОМЕР ПИН - КОДА | Имя пин-кода | Описание |
1 | ВКЦ | Подключите положительный полюс источника питания ( 2-5,5 В ) |
2 | CS | Контакт включения модуля В: сон Л: работа |
3 | ДАННЫЕ | Выходной контакт данных |
4,5,7,8 | Земля | заземление |
6 | МУРАВЕЙ | Подключите антенну 50 Ом |


политика конфиденциальности
· Политика конфиденциальности
В настоящее время нет доступного контента
Электронная почта: sales@nicerf.com
Тел:+86-755-23080616