Type: LoRa Front-End Modules
Certification: FCC ID
Modulation: LoRa
Chip: LLCC68
Interface: SPI
Output Power: 160mW
Frequency: 915MHz
Размер (мм):16*16
Беспроводной модуль LoRa-CC68-868-T использует устройство LLCC68 компании Semtech и промышленный высокоточный кварцевый генератор, что обеспечивает сверхнизкий ток приёма, низкий ток в спящем режиме и хорошую чувствительность -129 дБм. Модуль может периодически активировать внешний микроконтроллер при низком энергопотреблении благодаря встроенному генератору 64 кГц . Антенный переключатель модуля интегрирован и управляется радиочастотным чипом, что экономит ресурсы внешнего микроконтроллера. Кроме того, Lora-CC68 имеет компактный размер и выходную мощность 22 дБм (160 мВт) , что обеспечивает значительные преимущества в системах Интернета вещей и системах с питанием от аккумуляторов.
LoRa-CC68 производится и тестируется строго по бессвинцовой технологии и соответствует стандартам RoHS и Reach. Кроме того, LoRa-CC68 сертифицирован CE для работы на частоте 868 МГц и FCC для работы на частоте 915 МГц .
Номер детали | Диапазон частот | Кристалл | Сертификация | Замечание |
★ CC68-C1-433 | Центр 433 МГц 410–810 МГц, настраиваемый | Кварцевый генератор промышленного класса 10 ppm | НЕТ | Щит |
LoRa-CC68 -433 -TCXO | Кварцевый генератор TCXO 0,5ppm | НЕТ | ||
★ CC68-C1-490 | Центр 490 МГц 41 0-810 МГц Настраиваемый | Кварцевый генератор промышленного класса 10 ppm | НЕТ | |
LoRa-CC68-490-TCXO | Кварцевый генератор TCXO 0,5ppm | НЕТ | ||
★ CC68-C1-868 | Центральная частота 868 и 915 c ommon | Кварцевый генератор промышленного класса 10 ppm | CE и FCC | |
LoRa-CC68-868 -TCXO | Центр 868 МГц | Кварцевый генератор TCXO 0,5ppm | CE | |
LoRa-CC68 -915 -TCXO | Центр 915 МГц | ФКС | ||
LoRa-CC68 - X1 | Центр 433 / 490 / 868/915 МГц 150–960 МГц (настраиваемый) | Кварцевый генератор промышленного класса 10 ppm | НЕТ | Нет щита , маленький размер |
Лора-CC68 | 868 г. н.э., 915-FCC | Щит |
★ Примечание: в стандартном модуле поставки используется промышленный кварцевый генератор 10 ppm , кварцевый генератор TCXO является опциональным при наличии специальных требований:
Параметр | Мин. | Тип. | Макс . | Единица | Состояние |
Рабочее состояние (Vcc=3,3 В, ANT @ 50 Ом) | |||||
Рабочее напряжение | 1.8 | 3.3 | 3.7 | В | |
Диапазон температур | -40 | 25 | 85 | ℃ | |
Текущее потребление | |||||
ток RX | < 5 | мА | @ 10ppm кварцевый генератор | ||
< 6. 5 | мА | @ кристалл TCXO | |||
Ток передачи | < 130 | мА | @868MHz @915MHz | ||
< 110 | мА | @433MHz @490MHz | |||
ток сна | 1.9 | uA | Режим ВЫКЛ (режим SLEEP с холодным запуском) Все блоки выключены | ||
2.3 | uA | Режим SLEEP (режим SLEEP с теплым стартом) Конфигурация сохранена | |||
2.9 | uA | Режим SLEEP (режим SLEEP с теплым стартом) Конфигурация сохранена + RC64k | |||
0,56 | мА | Режим STDBY_RC ,RC13M, XOSC ВЫКЛ. | |||
2.35 | мА | Режим STDBY_XOSC ,XOSC ВКЛ. | |||
Параметр RF | |||||
Диапазон частот | 400 | 433 | 450 | МГц | @433MHz |
470 | 489,92 | 510 | МГц | @470MHz | |
848 | 868 | 888 | МГц | @868MHz | |
900 | 915 | 940 | МГц | @915MHz | |
Выходная мощность | -15 | 22 | дБм | ||
Чувствительность приема | -129 | дБм | @LoRa BW=250KHz_SF = 10_CR=4/5 | ||
| Интерфейс | СПИ |
| Чип | LLCC68 |
| Частота | 868 МГц |
| Модуляция | Лора |
| Выходная мощность | 160 мВт |
| Сертификация | CE-RED |
Диапазон частот : 433/490/868/915 МГц ( настраиваемый : 150–960 МГц )
Чувствительность : -1 29 дБм @Lo R a
Максимальная выходная мощность : 22 дБм ( 160 мВт )
Высокоточный кварцевый генератор промышленного класса
Ло Р а,(Г)ФСК
25 5 байт F i F o
Скорость передачи данных : 0,6–300 Кбит/с @FSK 1,76–62,5 Кбит/с @Lora
Снятие показаний промышленных счетчиков
Управление датчиками парковки
Промышленная автоматизация
Сельскохозяйственный датчик
Умный город
Пульт дистанционного управления
Уличные фонари
Управление логистикой
Датчик окружающей среды
Товары для здоровья
Продукты безопасности
Управление складом


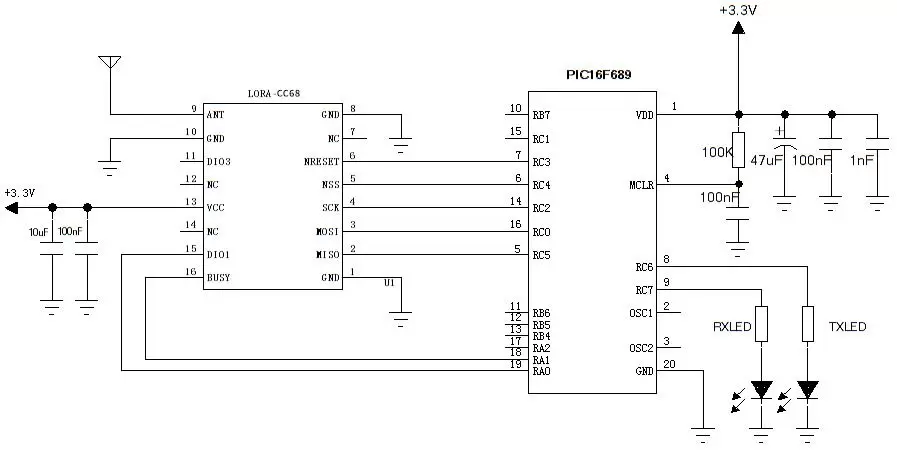
НОМЕР ПИН-КОДА | Имя пин-кода | Описание |
1 | Земля | заземление питания |
2 | МИСО | Выход SPI |
3 | МОСИ | SPI-вход |
4 | ССК | Последовательные часы |
5 | НСС | включить SPI |
6 | NRESET | Сброс ввода |
7 、12 、14 | NC | Пустой |
8 | Земля | заземление питания |
9 | МУРАВЕЙ | Подключение с антенной 50 Ом |
10 | Земля | заземление питания |
11 | ДИО3 | Может быть настроен как индикация сигнала прерывания, подробности в техническом описании микросхемы (Примечание: выход для управления TCXO при использовании кристалла TCXO ) |
13 | ВКЦ | Источник питания ( по умолчанию 3,3 В ) |
15 | ДИО1 | Может быть настроен как индикация сигнала прерывания, подробности в техническом описании микросхемы |
16 | ЗАНЯТЫЙ | Индикация состояния занятости , подробности в техническом описании микросхемы . |

политика конфиденциальности
· Политика конфиденциальности
В настоящее время нет доступного контента
Электронная почта: sales@nicerf.com
Тел:+86-755-23080616