Certification: Others
Modulation: LoRa
Interface: RS232,RS485,TTL
Output Power: 5W
Frequency: 433MHz,470MHz,868MHz,915MHz
Network: MESH,Point-to-point
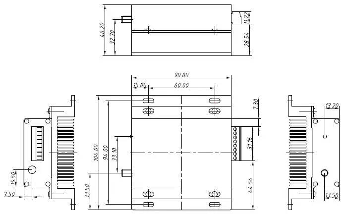
Размер (мм):90*104
Модуль LoRa6500II — это новая серия усовершенствованных сетевых беспроводных коммуникационных модулей. Он использует передовую технологию скачкообразной перестройки частоты LoRa с расширенным спектром для достижения высокой чувствительности. Проникающая способность и дальность связи значительно выше, чем у существующих моделей FSK и GFSK, а также обладает более высокой помехоустойчивостью. Модуль разработан как универсальное решение для удовлетворения различных требований клиентов. Пользователи могут переключаться между различными режимами работы с помощью программного обеспечения ПК или команд. В режиме MESH модуль маршрутизации имеет функцию автоматической маршрутизации, что позволяет создавать сеть без слепых зон и ограничений по расстоянию. Кроме того, пользователи могут включить шифрование беспроводных данных AES128 с помощью программного обеспечения ПК или команд последовательного порта, что повышает безопасность беспроводной передачи данных.
| Параметры | Мин. | Тип. | Макс. | Единица | Состояние |
| Рабочее состояние | |||||
| Диапазон напряжения | 9.0 | 12.0 | 30 | В | |
| Рабочая температура | -40 | 25 | +85 | ℃ | |
| Текущее потребление | |||||
| Ток Rx | < 9 | мА | |||
| Ток передачи | < 1,6 | А | |||
| ток сна | <2 | мА | |||
| Параметры РЧ | |||||
| Диапазон частот | 414.92 | 433.92 | 453.92 | МГц | @433MHz |
| 470,92 | 490,92 | 509.92 | МГц | @490MHz | |
| 849.92 | 868.92 | 888.92 | МГц | @868MHz | |
| 895.92 | 914.92 | 934.92 | МГц | @915MHz | |
| Скорость передачи данных | 1312 | 62500 | бит/с | @LoRa | |
| Выходная мощность | 26 | +37 | дБм | 0~7 регулируемый | |
| Чувствительность | -129 | дБм | @1.3Кбит/с | ||
| Интерфейс | ТТЛ, RS232, RS485 |
| Сеть | СЕТКА |
| Частота | 433 МГц,470 МГц,868 МГц,915 МГц |
| Модуляция | Лора |
| Выходная мощность | 5 Вт |



| НЕТ. | ПРИКОЛОТЬ | Описание |
| 1 | ВКЦ | Подключено к положительному источнику питания |
| 2 | TXD | TXD последовательного интерфейса |
| 3 | RXD | RXD последовательного интерфейса |
| 4 | Земля | заземление |
| 5 | А+ | Подключите к A+ для интерфейса RS485 |
| 6 | Б- | Подключите к B- для интерфейса RS485 |
| 7 | НАБОР | Режим настройки включается при высоком уровне сигнала CS (0: режим настройки, 1: нормальный рабочий режим) |
| 8 | CS | Включение модуля (спящий режим на низком уровне, выход высокого уровня по умолчанию) |


политика конфиденциальности
· Политика конфиденциальности
В настоящее время нет доступного контента
Электронная почта: sales@nicerf.com
Тел:+86-755-23080616