Тип: Беспроводное аудио
Сертификация: Другие
Выходная мощность: 1 Вт
Размер (мм):39.3ммX24мм
SA618F30-FD — это высокоинтегрированный, экономичный, мощный 8-канальный полнодуплексный модуль передачи данных. Он оснащен встроенным высокоскоростным микроконтроллером, высокопроизводительным чипом приемопередатчика RF и усилителем мощности RF. Модуль обеспечивает стандартный последовательный порт для связи, что позволяет легко и быстро настраивать параметры и управлять функциями передачи/приема. Пользователи могут осуществлять передачу данных, просто подключив модуль к последовательному порту. Его сверхкомпактный размер позволяет легко и быстро интегрировать его в различные портативные устройства, повышая общую производительность терминальных продуктов, что делает этот модуль широко применимым.
SA618F30-FD — это 8-канальный полнодуплексный беспроводной модуль передачи данных, который может обеспечить одновременную передачу данных до 8 передатчиков без помех друг другу. Он разработан для сценариев, в которых несколько передатчиков работают одновременно в сложных условиях, сводя к минимуму вероятность повторных передач и значительно снижая помехи и шансы быть подверженным помехам. Сочетание модуляции LoRa с выходной мощностью 1 Вт, а также его маломощная конструкция для приема и спящего режима делают его идеальным для беспроводных приложений IoT на большие расстояния.
Параметр | Условия испытания | Мин. | Тип | Макс | Единица |
Рабочее напряжение | 3.3 | 4.2 | 5.5 | В | |
рабочая температура | -30 | 25 | 70 | ℃ | |
Потребление тока | |||||
ток сна | 10 | 20 | uA | ||
Получать ток | 50 | 55 | мА | ||
Ток передачи (высокая мощность) | 4в,@30дБм | 450 | 500 | мА | |
параметр РЧ | |||||
Рабочая частота | УВЧ | 410 | 490 | МГц | |
Настраиваемая частота | 150 | 960 | МГц | ||
Частота доставки по умолчанию | УВЧ (интервал 1 МГц) | 440.125 | 455.125 | МГц | |
Мощность передачи | @5В | 16 | 32 | дБм | |
Пропускная способность ( BW) | 500 | КГц | |||
Чувствительность приема | -117 | дБм | |||
Параметры передачи данных | |||||
Максимальная длина пакета | 20 | Байт | |||
Параметры задержки | 8 каналов | 50 | РС | ||
Диапазон частот 410~480 МГц (настраиваемый 150-960 МГц)
Одновременно могут передавать до 8 устройств (без ограничений по приему)
8-позиционные динамические изменения
Поддержка OTA и серийного обновления
Дальность передачи 3-4 км на открытой местности
Высокая чувствительность приема: -117 дБм
Высокая степень интеграции и компактный размер
автомобиль AGV
Система башенного крана
Многоканальные полнодуплексные приложения передачи данных



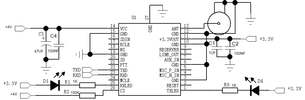
Номер контакта | Имя пин-кода | Ввод/вывод | Описание |
1 | TXLED | О | Передающий индикатор, подключенный к внешнему светодиоду, включается низким уровнем выходного сигнала при передаче данных, (рекомендуется резистор сопротивлением 1 кОм для ограничения тока) |
2 | ПЕРЕЗАГРУЗИТЬ | я | Контакт сброса модуля: потяните его на низкий уровень более чем на 5 мс сбросит модуль |
3,6,10,12,15,19 | Земля | Подключите к заземлению источника питания. | |
4 ,5 ,7 ,8 | NC | ||
9 | СДЕРЖАННЫЙ | Тестовый вывод модуля: оставить неподключенным (плавающим) для пользователей | |
11 | +3.3ВЫХОД | Выход 3,3 В, возможность питания внешней нагрузки до 50мА | |
13 | МУРАВЕЙ | Выходной радиочастотный сигнал, подключение к антенне сопротивлением 50 Ом | |
14 | ВКЦ | Подключитесь к положительному источнику питания. (внешний 3,3 В - 5,5 В) | |
16,17,18,20,21 | NC | ||
22 | TXD | О | Контакт передачи последовательного порта модуля (напряжение 0-3,3 В) |
23 | RXD | я | Приемный контакт последовательного порта модуля (напряжение 0-3,3 В) |
24 | NC | ||
25 | RXLED | О | Внешний индикатор приема: горит на низком уровне, нормальный выход высокого уровня (требуется внешний токоограничивающий резистор сопротивлением около 1 кОм) |
26 | КС | я | Вывод спящего режима модуля: высокий уровень для работы, низкий уровень для sleep. Внутренне поднят, по умолчанию установлен высокий уровень . |

политика конфиденциальности
· Политика конфиденциальности
В настоящее время нет доступного контента
Электронная почта: sales@nicerf.com
Тел:+86-755-23080616