Тип: GPS
Сертификация: Другие
Размер (мм):9,9*10,1
GPS01 — это GPS-модуль с поддержкой двухрежимной навигации BDS B1/GPS L1/ГЛОНАСС L1 (две из трёх частот). Он обеспечивает высокую чувствительность, точность позиционирования, низкое энергопотребление и экономичные решения для позиционирования и навигации, предназначенные для производства навигационных терминалов, таких как автомобильные, судовые, портативные и носимые устройства.
| Параметр | Описание | Минимум | Типичный | Максимум | Единица | Состояние |
| Условия эксплуатации | ||||||
| Диапазон рабочего напряжения | ВКЦ | 3.0 | 3.3 | 3.5 | В | |
| V_BCKP | 2.5 | 3.3 | 3.5 | В | ||
| Температура | Работа | -40 | 85 | ℃ | ||
| Хранилище | -40 | 125 | ℃ | |||
| Потребление тока | ||||||
| Получать ток | < 30 | мА | VCC=3,3 В, V_BCKP=3,3 В | |||
| ток сна | < 20 | uA | VCC=0В, V_BCKP=3,3В | |||
| Параметры радиочастот | ||||||
| Точность позиционирования | Уровень | < 3 | м | @Открытая земля | ||
| Высота | < 4,5 | м | ||||
| Чувствительность | захватывать | -147 | дБм | |||
| отслеживать | -163 | дБм | ||||
| Коэффициент усиления внешней антенны | 30 | дБ | ||||
| Точность измерения скорости | < 0,1 | РС | ||||
| Первое фиксированное время TTFF | Холодный старт | < 28 | с | |||
| Горячий старт | 1 | с | ||||
| Повторный захват | 1 | с | ||||
| Параметры последовательного порта | ||||||
| Скорость передачи данных последовательного порта | 4800 | 9600 | 230400 | б/с | По умолчанию 9600 бит/с | |
| Скорость обновления данных (одна система) | BDS/GPS/ГЛОНАСС | 1 | Гц | |||
| Скорость обновления данных (двойная система) | BDS+GPS | 1 | Гц | |||
| БДС+ГЛОНАСС | 1 | Гц | ||||
| GPS+ГЛОНАСС | 1 | Гц | ||||
| Тип | GPS |
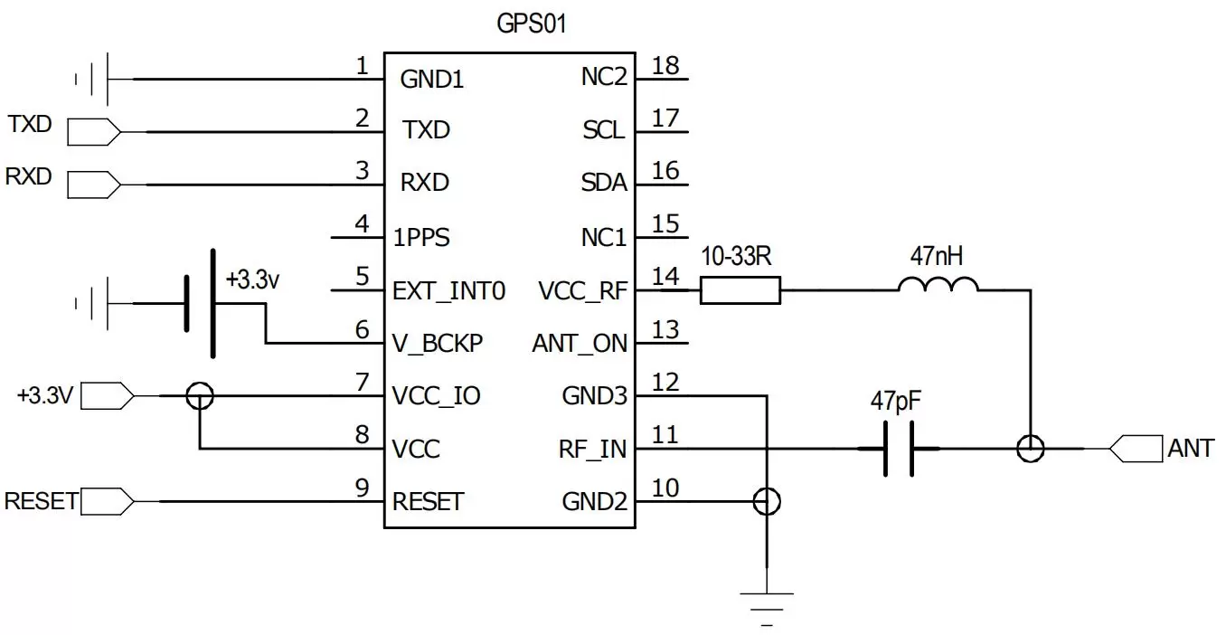
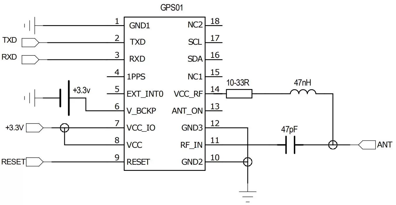
Способ подключения активной антенны следующий:

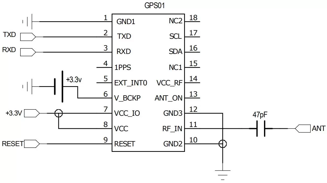
Метод подключения пассивной антенны следующий:



Номер контакта | Определение пин-кода | Ввод/вывод | Уровень стандарта | Описание |
1、10、12 | Земля | — |
| Силовое заземление |
2 | TXD | О | 0-3,5 В | Вывод данных, вывод статуса |
3 | RXD | я | 0-3,5 В | Прием команд управления |
4 | 1ППС | О | 0-3,5 В | Второй импульсный выход |
5 | EXT_INT0 | я | 0-3,5 В | зарезервированный порт |
6 | V_BCKP | я | 2,5-3,5 В | Резервный вход питания |
7 | VCC_IO | — | 3,0-3,5 В | Входная мощность ввода-вывода |
8 | ВКЦ | — | 3,0-3,5 В | Основной вход питания |
9 | nRESET | я | 0-3,5 В | Внешний сброс, активный низкий. Вывод сброса не может быть подключен к заземляющему конденсатору вне модуля. |
11 | RF_IN | я |
| Вход антенны |
13 | ANT_ON | О | 0-3,5 В | Встроенный IC GPIO, функция зарезервирована |
14 | VCC_RF | О | ВКЦ | Выход 3,3 В, антенна питается от модуля, рекомендуемый рабочий ток антенны не должен превышать 20 мА. |
15, 18 | NC | — |
|
|
16 | ПДД | Ввод/вывод | 0-3,5 В | Сигнал данных двухпроводного интерфейса DDC |
17 | СКЛ | я | 0-3,5 В | Тактовый сигнал двухпроводного интерфейса DDC |

политика конфиденциальности
· Политика конфиденциальности
В настоящее время нет доступного контента
Электронная почта: sales@nicerf.com
Тел:+86-755-23080616