Тип: GPS
Сертификация: Другие
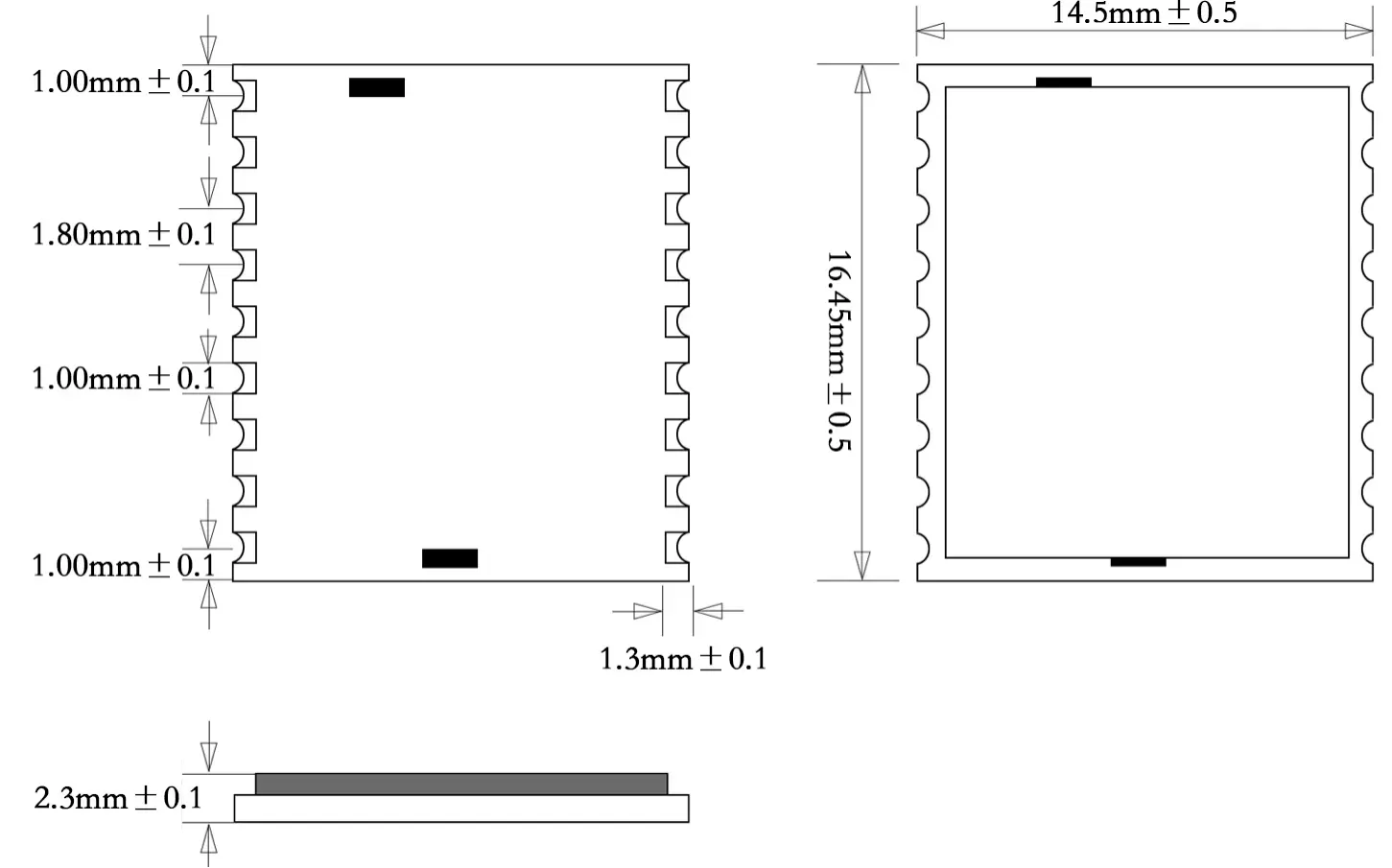
Размер (мм):9,9*10,1
Модуль GPS02-TD — это четырехрежимный GPS-модуль, который поддерживает BDS/GPS/ГЛОНАСС/Galileo/QZSS/SBAS и полностью поддерживает BeiDou B3, что позволяет предоставлять пользователям высококачественные, надежные и энергоэффективные решения для позиционирования и навигации.






| Параметр | Описание | Минимум | Типичный | Максимум | Единица | Состояние |
| Условия эксплуатации | ||||||
| Диапазон рабочего напряжения | ВКЦ | 3.0 | 3.3 | 3.5 | В | |
| V_BCKP | 2.5 | 3.3 | 3.5 | В | ||
| Температура | Работающий | -40 | 85 | ℃ | ||
| Хранилище | -40 | 125 | ℃ | |||
| Потребление тока | ||||||
| Получать ток | < 35 | мА | @Двойной режим VCC=3,3 В, V_BCKP=3,3 В | |||
| ток сна | < 25 | uA | VCC=0В, V_BCKP=3,3В | |||
| Параметры радиочастот | ||||||
| Точность позиционирования | Уровень | < 3 | м | @Открытая земля | ||
| Высота | < 4,5 | м | ||||
| Точность измерения скорости | <0,1 | м | ||||
| Чувствительность | захватывать | -147 | дБм | |||
| отслеживать | -163 | дБм | ||||
| Коэффициент усиления внешней антенны | 30 | дБ | ||||
| Точность измерения скорости | < 0,1 | РС | ||||
| Время до первого исправления (TTFF) | Холодный старт | < 28 | с | |||
| Горячий старт | 1 | с | ||||
| Повторный захват | 1 | с | ||||
| Параметры последовательного порта | ||||||
| Скорость последовательной передачи данных | 4800 | 115200 | 230400 | б/с | ||
| Скорость обновления данных (одиночный режим) | BDS/GPS/ГЛОНАСС/Галилео | 1 | 20 | Гц | По умолчанию 1 Гц | |
| Скорость обновления данных (двойной режим) | BDS+GPS | 1 | 10 | Гц | ||
| БДС+ГЛОНАСС | 1 | 10 | Гц | |||
| BDS+Галилео | 1 | 10 | Гц | |||
| GPS+ГЛОНАСС | 1 | 10 | Гц | |||
| GPS+Галилео | 1 | 10 | Гц | |||
| ГЛОНАСС+Галилео | 1 | 10 | Гц | |||
| Скорость обновления данных (трехрежимный) | BDS+GPS+ГЛОНАСС | 1 | 10 | Гц | ||
| BDS+GPS+Галилео | 1 | 10 | Гц | |||
| Скорость обновления данных (четырехрежимный режим) | BDS+GPS+ГЛОНАСС+Галилео | 1 | 10 | Гц | ||
| Тип | GPS |
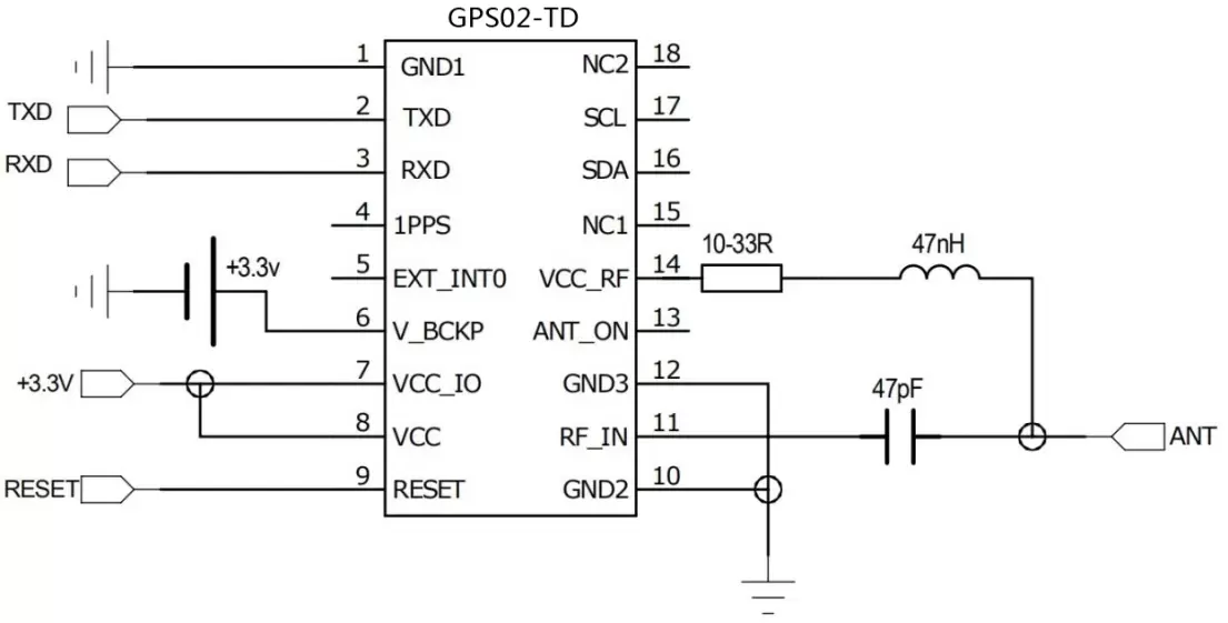
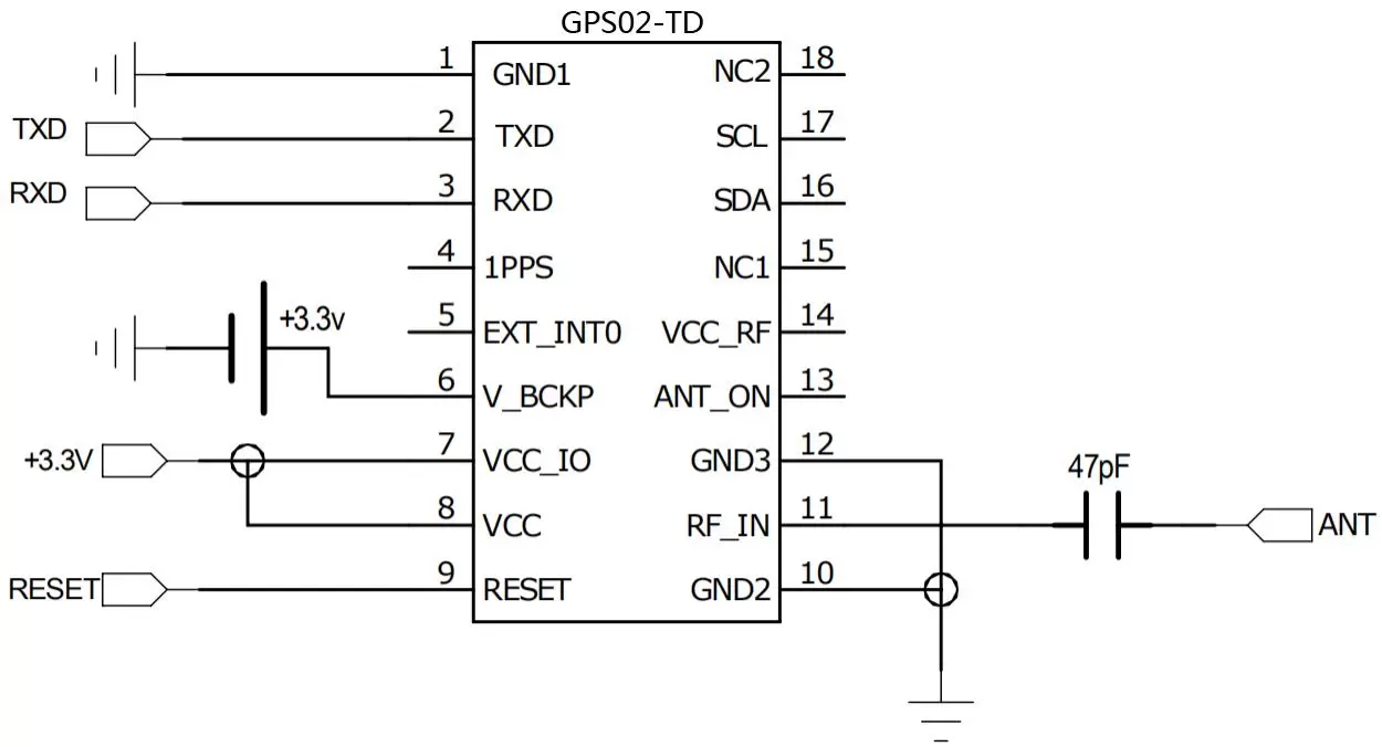
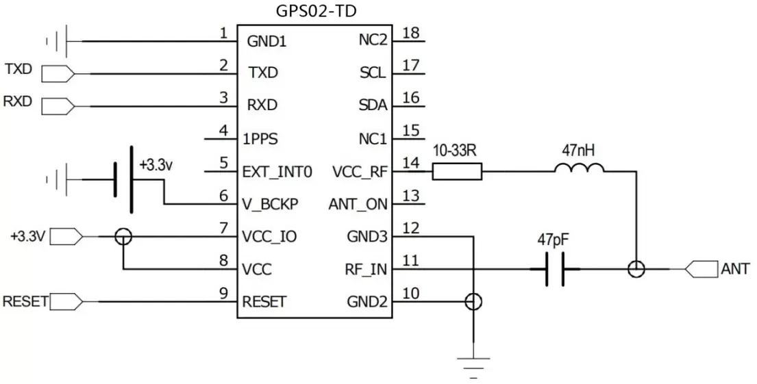
Способ подключения активной антенны следующий:

Метод подключения пассивной антенны следующий:


| Номер контакта | Определение пин-кода | Ввод/вывод | Уровень стандарта | Описание |
| 1、3、10 | Земля | — | Силовое заземление | |
| 2 | RF_IN | я | Вход антенны | |
| 4,6 | NC | — | ||
| 5 | VCC_RF | О | ВКЦ | Выход 3,3 В, питание антенны или МШУ, не более 20 мА |
| 7 | ПДД | Ввод/вывод | 0-3,5 В | Интерфейс I2C |
| 8 | СКЛ | я | 0-3,5 В | Интерфейс I2C |
| 9,14 | ПИО12,13 | О | 0-3,5 В | Зарезервированный порт |
| 11 | TXD | О | 0-3,5 В | Последовательный интерфейс |
| 12 | RXD | я | 0-3,5 В | Последовательный интерфейс |
| 13 | 1ППС | О | 0-3,5 В | 1 импульсный выход в секунду |
| 15 | V_BCKP | я | 2,5-3,5 В | Резервный вход питания |
| 16 | VCC_IO | — | 3,0-3,5 В | Входная мощность ввода-вывода |
| 17 | ВКЦ | — | 3,0-3,5 В | Основной вход питания |
| 18 | nRESET | я | 0-3,5 В | Внешний сброс, активный низкий. Не может быть подключен к земле через конденсатор. |

политика конфиденциальности
· Политика конфиденциальности
В настоящее время нет доступного контента
Электронная почта: sales@nicerf.com
Тел:+86-755-23080616