Type: LoRa Front-End Modules
Certification: FCC ID
Modulation: LoRa
Chip: LLCC68
Interface: SPI
Output Power: 160mW
Frequency: 915MHz
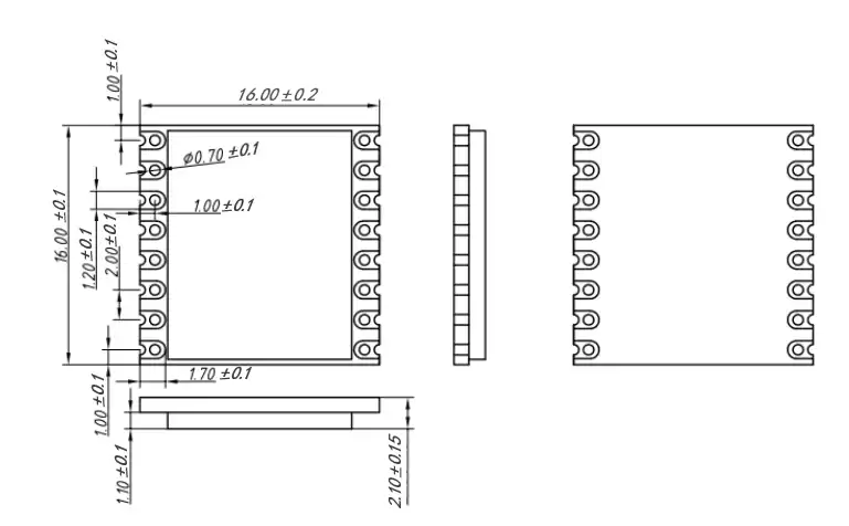
Размер (мм):16*16
★Примечание: в стандартном модуле поставки используется промышленный кварцевый генератор 10 ppm, кварцевый генератор TCXO является опциональным при наличии особых требований:
| Параметр | Мин. | Тип. | Макс. | Единица | Состояние |
| Рабочее состояние (Vcc=3,3 В, ANT @ 50 Ом) | |||||
| Рабочее напряжение | 1.8 | 3.3 | 3.7 | В | |
| Диапазон температур | -40 | 25 | 85 | ℃ | |
| Текущее потребление | |||||
| ток приема | < 5 | мА | @10ppm кварцевый генератор | ||
| Ток передачи | < 130 | мА | @868МГц @915МГц | ||
| < 110 | мА | @433МГц @490МГц | |||
| ток сна | 1.9 | uA | Режим ВЫКЛ (режим СНА с холодным запуском) Все блоки выключены | ||
| 2.3 | uA | Режим SLEEP (режим SLEEP с теплым стартом) Конфигурация сохранена | |||
| 2.9 | uA | Режим SLEEP (режим SLEEP с теплым стартом) Конфигурация сохранена + RC64k | |||
| 0,56 | мА | Режим STDBY_RC, RC13M, XOSC ВЫКЛ. | |||
| 2.35 | мА | Режим STDBY_XOSC, XOSC ВКЛ. | |||
| Параметр РЧ | |||||
| Диапазон частот | 400 | 433 | 450 | МГц | @433МГц |
| 470 | 490 | 510 | МГц | @490МГц | |
| 848 | 868 | 888 | МГц | @868МГц | |
| 900 | 915 | 940 | МГц | @915МГц | |
| Выходная мощность | -15 | 22 | дБм | ||
| Чувствительность приема | -129 | дБм | @LoRa BW=250KHz_SF = 10_CR=4/5 | ||
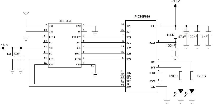
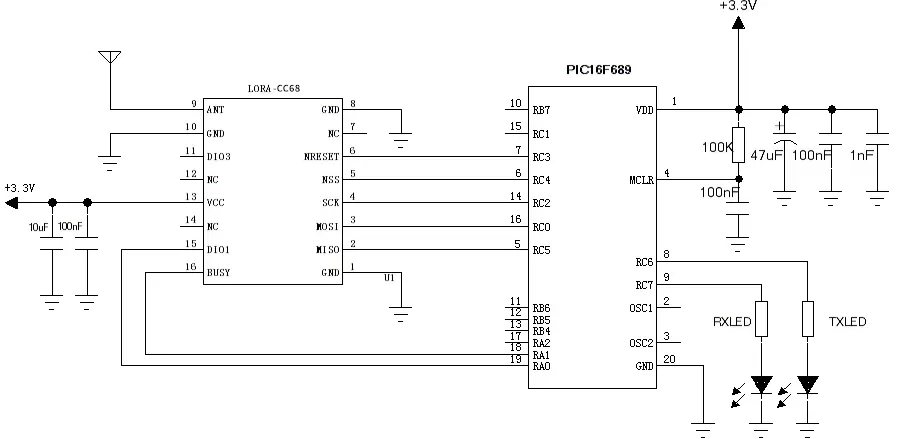
| Интерфейс | СПИ |
| Чип | LLCC68 |
| Частота | 433МГц,470МГц,868МГц,915МГц |
| Модуляция | Лора |
| Выходная мощность | 160мВт |
| Сертификация | Идентификатор FCC, CE-RED |


| Номер контакта | Имя пин-кода | Описание |
| 1 | Земля | заземление питания |
| 2 | МИСО | SPI-выход |
| 3 | МОСИ | SPI-вход |
| 4 | ССК | Последовательные часы |
| 5 | НСС | включить SPI |
| 6 | НСБРОС | Сброс ввода |
| 7, 12, 14 | NC | Пустой |
| 8 | Земля | Силовое заземление |
| 9 | МУРАВЕЙ | Подключитесь к антенне 50 Ом |
| 10 | Земля | Силовое заземление |
| 11 | ДИО3 | Может быть настроен как индикация сигнала прерывания, подробности в техническом описании микросхемы (Примечание: выход для управления TCXO при использовании кристалла TCXO) |
| 13 | ВКЦ | Источник питания (по умолчанию 3,3 В) |
| 15 | ДИО1 | Может быть настроен как индикация сигнала прерывания, подробности в техническом описании микросхемы |
| 16 | ЗАНЯТЫЙ | Используется для индикации состояния, подробности см. в техническом описании. |

политика конфиденциальности
· Политика конфиденциальности
В настоящее время нет доступного контента
Электронная почта: sales@nicerf.com
Тел:+86-755-23080616