Type: LoRa Front-End Modules
Certification: FCC ID
Modulation: LoRa
Chip: SX1262
Interface: SPI
Output Power: 160mW
Frequency: 915MHz
Размер (мм):16*16
Модуль LoRa1121 использует чип LR1121 компании SEMTECH – сверхмаломощный приёмопередатчик дальнего радиуса действия, поддерживающий связь как в глобальном диапазоне ISM, так и в диапазоне 2,4 ГГц. LoRa1121 поддерживает модуляцию LoRa и (G)FSK в диапазонах суб-ГГц и 2,4 ГГц, а также модуляцию Sigfox® в диапазоне суб-ГГц и расширенный спектр со скачкообразной перестройкой частоты (LR-FHSS) на больших расстояниях в диапазонах ISM суб-ГГц, 1,9–2,1 ГГц и 2,4 ГГц. LR1121 соответствует требованиям физического уровня спецификаций LoRaWAN®, выпущенных LoRa Alliance®, сохраняя при этом широкие возможности настройки для удовлетворения потребностей различных приложений и фирменных протоколов.
LoRa1121 производится и тестируется строго с использованием бессвинцовых процессов и соответствует стандартам RoHS и REACH, LoRa1121 получил сертификаты FCC и CE.
Диапазоны ниже ГГц: 433/470 МГц/868/915 МГц
Настраиваемый диапазон частот: 150~960 МГцДиапазон 2.4G: 2400-2500 МГц
S-диапазон: 1900–2200 МГц
Чувствительность S-диапазона: до -132 дБм при BW=125 кГц, SF=12
Чувствительность приема 2,4 ГГц: до -129 дБм при BW=406 кГц, SF=7
Чувствительность приема в диапазоне ниже ГГц: до -144 дБм при полосе пропускания 62,5 кГц, коэффициенте детализации 12
Встроенная схема электростатической защиты
Поддерживает LR-FHSS
Поддерживает протоколы LoRaWAN и Sigfox
Поддерживает шифрование и дешифрование AES-128
Мощность передатчика регулируется до 22 дБм
Ток сна ≤ 1 мкА
Ток приема < 7 мА
Маленький размер, дизайн с отверстием для штампа
Дроны
Умный дом
Умное сельское хозяйство
Удаленное орошение
Промышленное производство


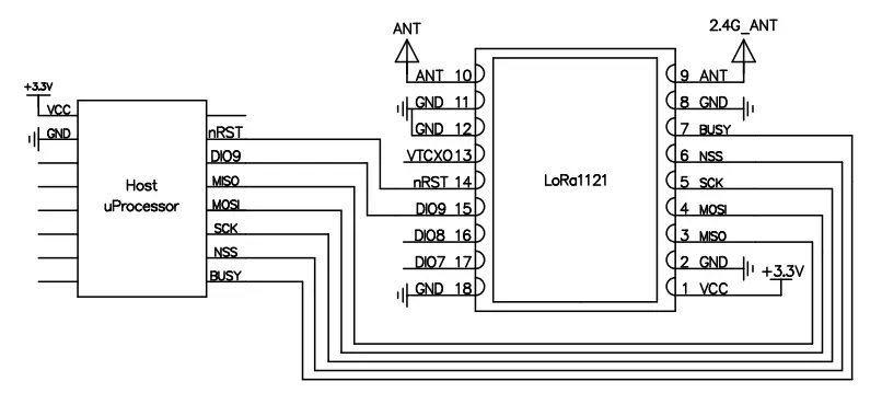
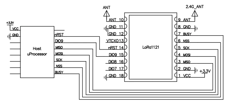
НОМЕР ПИН-КОДА | Имя пин-кода | Ввод/вывод | Описание |
1 | ВКЦ | Подключите к положительному полюсу источника питания. | |
2,8 ,11 ,12 | Земля | Подключите к отрицательному полюсу источника питания. | |
3 | МИСО | О | Вывод данных SPI |
4 | МОСИ | я | Ввод данных SPI |
5 | ССК | я | Вход тактовой частоты SPI |
6 | НСС | я | Вход выбора микросхемы SPI |
7 | ЗАНЯТЫЙ | О | Используется для индикации состояния, подробности см. в техническом описании микросхемы. |
9 | 2.4/S_ANT | Интерфейс антенны 2.4G и S-диапазона, внешняя антенна 50 Ом. | |
10 | АНТА АНТ | Интерфейс антенны субгигагерцового диапазона, внешняя антенна 50 Ом. | |
13 | VTCXO | О | Может обеспечивать питание внешнего TCXO. |
14 | РСТ | я | Сброс входа триггера, подробности см. в техническом описании микросхемы. |
15 | ДИО9 | ИО | Многоцелевой цифровой интерфейс, подробную информацию см. в техническом описании микросхемы. |
16 | DIO8 | ИО | Многоцелевой цифровой интерфейс, подробную информацию см. в техническом описании микросхемы. |
17 | ДИО7 | ИО | Многоцелевой цифровой интерфейс, подробную информацию см. в техническом описании микросхемы. |

политика конфиденциальности
· Политика конфиденциальности
В настоящее время нет доступного контента
Электронная почта: sales@nicerf.com
Тел:+86-755-23080616