Тип: Беспроводное аудио
Сертификация: Другие
Выходная мощность: 1 Вт
Размер (мм):39.3ммX24мм
SA618F30-C1 — это модернизированный, экономичный, высокоинтегрированный, высокомощный полнодуплексный модуль внутренней связи от NiceRF. Он оснащен встроенным высокоскоростным микроконтроллером, аудиокодеком, схемой эхоподавления, защитой от электростатического разряда, высокопроизводительным радиочастотным чипом и усилителем. Модуль обеспечивает стандартный последовательный порт для связи, позволяя пользователям легко настраивать параметры и управлять функциями передачи и приема. Подключив аудиоусилитель, микрофон и динамик, он может функционировать как компактный интерком. Его упрощенный интерфейс и сверхкомпактный размер делают его пригодным для различных приложений, обеспечивая бесшовную интеграцию в портативные устройства для повышения общей производительности терминальных продуктов.
Модуль полнодуплексной внутренней связи SA618F30-C1 поддерживает 8 пользователей для одновременных высококачественных звонков, предлагая 8-канальную параллельную функциональность с неограниченным приемом, гарантируя каждому пользователю превосходное качество звука. Качество звука при 8-канальном одновременном использовании намного лучше, чем у других аналогичных продуктов.
SA618F30-C1 производится и тестируется с использованием бессвинцовых процессов в соответствии со стандартами RoHS и REACH.
Параметр | Условия испытания | Мин. | Тип. | Макс. | Единица |
Рабочее напряжение | 3.3 | 4.2 | 5.5 | В | |
рабочая температура | -30 | 25 | 70 | ℃ | |
Потребление тока | |||||
ток сна | 10 | 20 | uA | ||
ток приема | @ Нет аудиовыхода | 50 | 55 | мА | |
Ток передачи | 4в,@30дБм | 16 0 | мА | ||
параметр РЧ | |||||
Рабочая частота | УВЧ | 410 | 480 | МГц | |
Настраиваемая частота | 150 | 960 | МГц | ||
Частота доставки по умолчанию | УВЧ (интервал 1 МГц) | 440.125 | 455.125 | МГц | |
Мощность передачи | @5В | 16 | 32 | дБм | |
Пропускная способность ( BW) | 500 | КГц | |||
Чувствительность приема | -117 | дБм | |||
Параметры звука | |||||
Чувствительность модуляции | 10 | 100 | мВ | ||
Отношение сигнал/шум (SNR) при приеме | 90 | дБ | |||
Частотная характеристика | 60 | 3800 | Гц | ||
Аудиовыход ( линейный выход) | Нагрузка 16 Ом | 40 | мВт | ||
8 каналов | 160 | 20 0 | 240 | РС | |
Функции
Высокая степень интеграции и малый размер
Приложения
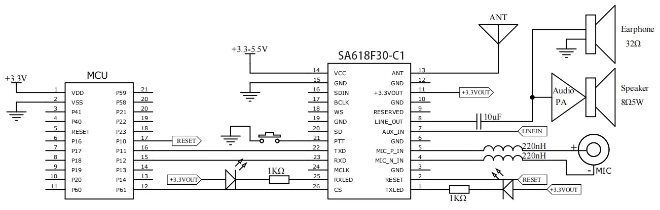
Аналоговая схема ввода и вывода

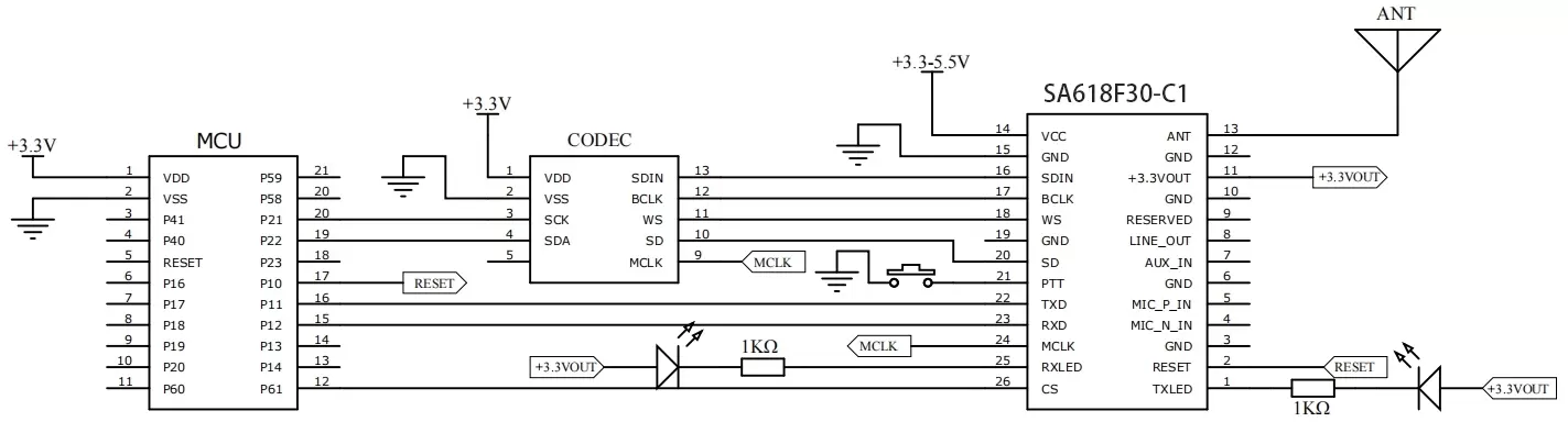
Схема ввода-вывода I2S


Номер контакта | Имя пин-кода | Ввод/вывод | Описание |
1 | TXLED | О | Индикатор передачи, подключенный к внешнему светодиоду, включается низким уровнем выходного сигнала при передаче данных или голоса (рекомендуется резистор сопротивлением 1 кОм для ограничения тока) |
2 | РСТ | я | Контакт сброса модуля, внешнее нажатие более 5 мс приведет к сбросу модуля |
3, 6, 10, 12,15,19 | Земля | Земля | |
4 | MIC_N_IN | я | Отрицательный электрод внешнего микрофона, последовательно подключенный к индуктивности 220 нГн, см. типовую схему ниже. |
5 | MIC_P_IN | я | Положительный электрод внешнего микрофона, последовательно подключенный к индуктивности 220 нГн, см. типовую схему ниже. |
7 | Aux_IN | я | Внешний входной аудиосигнал, максимум 1 ВRMS |
8 | LINE_OUT | О | Можно подключить внешние наушники 16 Ом, для чего потребуется дополнительная схема фильтра нижних частот LC для устранения помех RF. См. типовую схему. |
9 | Сдержанный | Пользователь должен оставить тестовые контакты модуля неподключенными. | |
11 | +3,3 В выход | О | Выход регулятора 3,3 В, максимальная нагрузка 50 мА |
13 | МУРАВЕЙ | Подключено с помощью антенны 50 Ом | |
14 | ВКЦ | Питание (3,3 – 5,5 В) | |
16 | СДИН | я | Подключено к внешнему устройству I2S, (0 – 3,3 В) |
17 | БКЛК | О | |
18 | WS | О | |
20 | СД | О | |
21 | ПТТ | я | передающий контакт модуля понижается для входа в режим передачи, с внутренним подтягивающим резистором, по умолчанию устанавливается выход высокого уровня |
22 | TXD | О | Последовательный передающий контакт (напряжение 0-3,3 В) |
23 | RXD | я | Последовательный приемный контакт (напряжение 0-3,3 В) |
24 | МКЛК | О | Подключено к внешнему устройству I2S (0-3,3 В) |
25 | RXLED | О | Индикатор приема, подключенный к внешнему светодиоду, включается низким уровнем выходного сигнала при приеме данных или голоса (рекомендуется резистор сопротивлением 1 кОм для ограничения тока) |
26 | КС | я | Модуль спящего контакта работает на высоком уровне для нормальной работы и на низком уровне для спящего режима. Он имеет внутренний подтягивающий резистор, по умолчанию на высоком уровне |

политика конфиденциальности
· Политика конфиденциальности
В настоящее время нет доступного контента
Электронная почта: sales@nicerf.com
Тел:+86-755-23080616