Сертификация: Другие
Модуляция: Лора
Интерфейс: ТТЛ
Выходная мощность: 1 Вт
Частота: 410~490МГц
Сеть: Другие
Размер (мм):39,3*24
SA618F22-C1 — это усовершенствованный полнодуплексный беспроводной цифровой и аудиомодуль нашей компании, сочетающий в себе функции универсальной передачи данных. Он отличается уменьшенной задержкой и поддерживает высококачественные вызовы для 8 пользователей одновременно. Пользователи могут передавать данные по беспроводной сети через последовательный порт, а также голосовые сигналы через микрофон, линейный вход или I2S. Модуль оснащен высокоскоростным микроконтроллером, схемой эхоподавления, защитой от электростатического разряда, высокопроизводительным ВЧ-чипом и усилителем, использующим технологию широкополосного расширенного спектра, что обеспечивает низкое энергопотребление, большую дальность связи и гибкую настройку частоты. SA618F22-C1 поддерживает многоканальный одновременный прием и ретрансляцию в ячеистой сети.
SA618F22-C1 обеспечивает полнодуплексную связь через последовательный порт и поддерживает беспроводную передачу данных с использованием Mesh-сетей. Устройство поддерживает беспроводное (OTA) обновление (обновление через последовательный порт), что позволяет пользователям легко настраивать внутренние параметры и управлять функциями передачи данных через последовательный порт. SA618F22-C1 оснащен аппаратными и программными сторожевыми таймерами для предотвращения сбоев системы, а также схемами защиты от обратной полярности, перегрузки по току и перенапряжения, что гарантирует безопасную и стабильную работу устройства в различных условиях. SA618F22-C1 производится и тестируется с использованием строгих бессвинцовых технологий, в соответствии со стандартами RoHS и REACH, а также сертифицирован CE и FCC.
Параметры | Состояние | Мин. | Тип. | Макс. | Единица |
Источник питания | 2.3 | 3.3 | 3.6 | В | |
Рабочая температура | -30 | 25 | 70 | ℃ | |
Потребление тока | |||||
ток сна | 12 | uA | |||
Ток RX | @нет голосового вывода | 50 | мА | ||
Ток передачи (высокая мощность) | @22dBm среднее | 60 | мА | ||
Параметры РЧ | |||||
Рабочая частота | УВЧ | 420 | 510 | МГц | |
Настраиваемая частота | 150 | 960 | МГц | ||
Частота доставки по умолчанию | УВЧ (интервал 1 МГц) | 440.125 | 455.125 | МГц | |
Мощность передачи | По умолчанию | 0 | 22 | дБм | |
Вторая гармоника | -40 | дБм | |||
Пропускная способность ( BW) | 500 | КГц | |||
Чувствительность приема | -117 | дБм | |||
Параметры звука | |||||
Чувствительность к модуляции | 10 | 100 | мВ | ||
Отношение сигнал/шум (SNR) на приеме | 90 | дБ | |||
Частотная характеристика | 60 | 3800 | Гц | ||
Голосовой выход ( линейный выход) | Нагрузка 16 Ом | 40 | мВт | ||
Параметры задержки | 8каналов | 160 | 200 | 240 | РС |
Диапазон частот UHF 420–510 МГц (настраиваемый 150–960 МГц)
До 8 устройств передают одновременно (прием неограничен)
Функция эхоподавления
Функция VOX
Высокая интеграция и компактный размер
Низкое энергопотребление в спящем режиме
Дальность передачи 1-3 км на открытой местности
Поддержка от 2 до 8 одновременных звонков в высоком качестве
Более короткая задержка вызова
I2S Цифровое аудио+аналоговое аудио
Линейный вход + микрофонный вход
Полнодуплексная передача данных
Ячеистая сеть
Поддержка обновления OTA и последовательного порта
Высокая чувствительность приема: -117 дБм
Пожарная аварийная связь
Метро, туннельная связь
Система внутренней связи для верховой езды
Высококачественная полнодуплексная рация
Система конференц-телефонной связи
Создание системы общественной безопасности
Система внутренней связи безопасности для особых сценариев
Наушники-рации
Рация для специального задания
Схема аналогового ввода и вывода (встроенный аудиоусилитель)

Схема аналогового ввода и вывода (внешний аудиоусилитель)

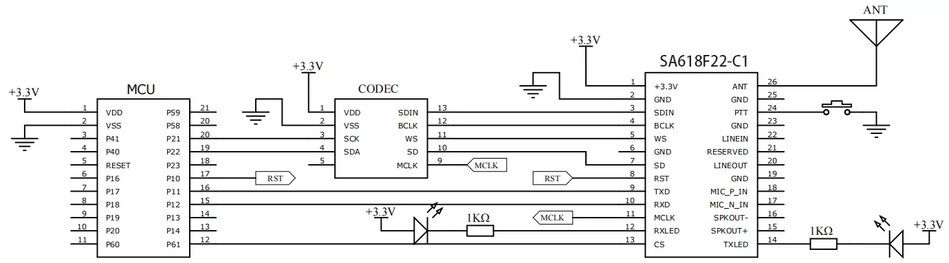
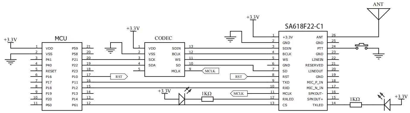
Схема ввода-вывода приложения IIS


НОМЕР ПИН-КОДА | Имя пин-кода | Ввод/вывод | Описание |
1 | +3,3 В | Подключите к положительному полюсу питания (2,3–3,6 В) | |
2,6,19,23,25 | Земля | Подключите к отрицательному полюсу питания | |
3 | СДИН | я | Внешний I2S (0-3,3 В) |
4 | БКЛК | О | Внешний I2S (0-3,3 В) |
5 | WS | О | Внешний I2S (0-3,3 В) |
7 | СД | О | Внешний I2S (0-3,3 В) |
8 | РСТ | я | Для сброса модуля необходимо подать низкий уровень сигнала более 5 мс. |
9 | TXD | О | Контакт передачи последовательного порта модуля |
10 | RXD | я | Приемный контакт последовательного порта модуля |
11 | МКЛК | О | Внешний I2S (0-3,3 В) |
12 | RXLED | О | Индикатор приема, подключенный к внешнему светодиоду, включается низким уровнем выходного сигнала при приеме данных или голоса (рекомендуется резистор сопротивлением 1 кОм для ограничения тока) |
13 | CS | я | Вывод спящего режима модуля, высокий уровень для работы и низкий |
14 | TXLED | О | Индикатор передачи, подключенный к внешнему светодиоду, включается низким уровнем выходного сигнала при передаче данных или голоса (рекомендуется резистор 1 кОм для ограничения тока) |
15 | SPKOUT+ | О | Внешний динамик 8 Ом 2 Вт |
16 | SPKOUT- | О | Внешний динамик 8 Ом 2 Вт |
17 | MIC_N_IN | я | Отрицательный электрод внешнего микрофона |
18 | MIC_P_IN | я | Положительный электрод внешнего микрофона |
20 | ЛИНЕЙНЫЙ_ВЫХОД | О | Подключено к наушникам 16 Ом |
21 | Сдержанный | Тестовый контакт модуля, пользователь должен оставить его неподключенным. | |
22 | LINE_IN | я | Линейный вход, максимум 1 В RMS |
24 | ПТТ | я | Нажмите, чтобы говорить, потяните вниз, чтобы войти в режим передачи, потяните вверх или оставьте открытым, чтобы войти в режим приема, подтяните вверх внутри, |
26 | МУРАВЕЙ | Подключено к антенне 50 Ом |

политика конфиденциальности
· Политика конфиденциальности
В настоящее время нет доступного контента
Электронная почта: sales@nicerf.com
Тел:+86-755-23080616