Интерфейс: ИО,Уарт
Канал: 1 канал
Коммуникация: В одну сторону
Открытое расстояние (км): 4~5
Size (mm):49,5*32,2(передача) 82*45(прием)
Электрические параметры модуля SK200-TX следующие:
| Модель | SK200-TX-100mW |
| Мощность передачи | 20 дБм |
| Рабочее напряжение (диапазон) | 5 В (3,3 В~6,5 В) |
| ток сна | 200 мкА |
| Ток покоя | 15 мА |
| Ток эмиссии | 130 мА |
| Размер (мм) | 49,5*32,2*3,2 |
| Диапазон рабочих температур | -40℃~85℃ |
Электрические параметры модуля SK200-RX следующие:
| Параметр | Самый маленький | Типичный | Самый большой | Единица | Состояние |
| Условия эксплуатации | |||||
| Диапазон рабочего напряжения | 5 | 12 | 30 | В | |
| Релейная нагрузка | < 10 | А | @220В | ||
| Параметр радиочастоты | |||||
| Получать ток | < 10 | мА | @12В | ||
| Чувствительность приема | -132 | дБм | |||
| Интерфейс | Ввод/вывод, UART |
| Канал | 1 канал |
| Коммуникация | Одностороннее движение |
| Открытое расстояние (км) | 9~10 |
Описание интерфейса приемного модуля SK200-RX показано на следующем рисунке:

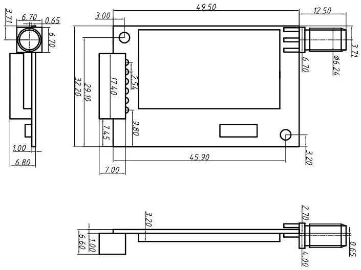
Описание интерфейса передающего модуля SK200PRO-TX показано на следующем рисунке:
SK200-TX-100mW:

| Определение пин-кода | Описание |
| ВКЦ | Подключить к положительному полюсу |
| Земля | Земля |
| TXD | Для настройки параметров режима конфигурации |
| RXD | Для настройки параметров режима конфигурации |
| НАБОР | Включение параметра конфигурации (конфигурация параметра включения низкого уровня, выход высокого уровня по умолчанию) |
| CS | Входной контакт сигнала переключателя (с внутренним подтягиванием) |
Модуль передатчика
SK200PRO-TX-100mW

Модуль приемника SK200-RX

политика конфиденциальности
· Политика конфиденциальности
В настоящее время нет доступного контента
Электронная почта: sales@nicerf.com
Тел:+86-755-23080616